ในรถยนต์มีการใช้เซ็นเซอร์หลายประเภทเพื่อควบคุมการทำงานต่างๆ ของรถและป้องกันความเสียหาย เช่น เซ็นเซอร์ MAP, เซ็นเซอร์ตรวจจับการเคาะของเครื่องยนต์, เซ็นเซอร์ตำแหน่งคันเร่ง, เซ็นเซอร์ตำแหน่งเพลาลูกเบี้ยว , เซ็นเซอร์วัดปริมาณอากาศ, เซ็นเซอร์วัดความเร็วเครื่องยนต์, เซ็นเซอร์ออกซิเจน, เซ็นเซอร์วัดแรงดันไฟฟ้า และอื่นๆ อีกมากมาย ในบรรดาเซ็นเซอร์เหล่านั้น เซ็นเซอร์วัดปริมาณอากาศ (MAF sensor) เป็นเซ็นเซอร์ประเภทหนึ่งในรถยนต์ เซ็นเซอร์วัดปริมาณอากาศแบบเสียบปลั๊กตัวแรกถูกคิดค้นขึ้นในปี 1996 โดย DENSO ดังนั้นการพัฒนาอย่างต่อเนื่องของพวกเขาในด้านเทคโนโลยีรถยนต์จึงเป็นผู้นำวิธีการผลิตชิ้นส่วนรถยนต์คุณภาพสูง เซ็นเซอร์นี้ตรวจจับปริมาณอากาศที่ถูกดูดเข้าไปในเครื่องยนต์ของรถยนต์และส่งสัญญาณไปยัง ECU (หน่วยควบคุมเครื่องยนต์) บทความนี้จะกล่าวถึงภาพรวมของ เซ็นเซอร์วัดปริมาณอากาศ หรือเซ็นเซอร์ MAF หลักการทำงาน และการใช้งานของมัน
เซ็นเซอร์วัดการไหลของอากาศเป็นเซ็นเซอร์ชนิดหนึ่งในรถยนต์ที่ใช้วัดความเร็วการไหลของอากาศในระบบต่างๆ เช่น ระบบปรับอากาศ เครื่องยนต์สันดาป และกระบวนการทางอุตสาหกรรม หน่วยควบคุมเครื่องยนต์ (ECU) จะประมาณปริมาณเชื้อเพลิงที่จำเป็นในการรักษาสมดุลของอากาศและเชื้อเพลิงโดยอาศัยข้อมูลแบบเรียลไทม์ ชื่อเรียกอีกอย่างหนึ่งของเซ็นเซอร์วัดการไหลของอากาศคือ เซ็นเซอร์วัดมวลอากาศ (MAF) หรือมิเตอร์วัดอากาศ ซึ่งจะเปลี่ยนปริมาณอากาศที่เข้าสู่เครื่องยนต์ของรถยนต์ให้เป็นสัญญาณแรงดันไฟฟ้าเพื่อวัดภาระของเครื่องยนต์ นอกจากนี้ ความหนาแน่นของอากาศยังสามารถเปลี่ยนแปลงได้จากหลายปัจจัย เช่น ความดัน อุณหภูมิ ความชื้น และอื่นๆ อีกมากมาย
เซ็นเซอร์วัดปริมาณอากาศทำงานโดยการวัดการเปลี่ยนแปลงของความต้านทานในลวดร้อน แล้วแปลงเป็นสัญญาณไฟฟ้าและส่งไปยัง ECU (หน่วยควบคุมเครื่องยนต์) สัญญาณนี้ใช้ในการกำหนดปริมาณเชื้อเพลิงที่จะฉีดเข้าไปในเครื่องยนต์
เซ็นเซอร์วัดการไหลของอากาศประกอบด้วยสายไฟสองเส้น เส้นหนึ่งใช้ความร้อนจากไฟฟ้า และอีกเส้นหนึ่งไม่ใช้ความร้อน เมื่อใดก็ตามที่สายไฟเส้นเล็กของเซ็นเซอร์นี้ได้รับความร้อนที่อุณหภูมิคงที่และอยู่ในเส้นทางการไหลของอากาศ สายไฟนั้นจะเย็นลงในลักษณะที่แปรผันตรงกับความเร็วของการไหลของอากาศ
เมื่อใดก็ตามที่ความแตกต่างของอุณหภูมิระหว่างสายเซ็นเซอร์เปลี่ยนแปลง เซ็นเซอร์จะเพิ่มหรือลดกระแสไฟฟ้าที่ไหลผ่านสายโดยอัตโนมัติ หลังจากนั้น กระแสไฟฟ้าจะถูกส่งไปยัง ECU และแปลงเป็นแรงดันไฟฟ้า (หรือ) ความถี่ เพื่อแปลงเป็นปริมาณการไหลของอากาศ
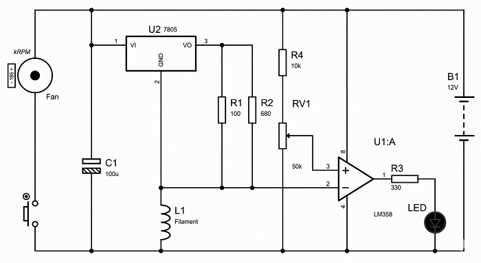
โดยทั่วไป การตรวจจับการไหลของอากาศมีประโยชน์มากในวงจรต่างๆ ดังนั้นวงจรเซ็นเซอร์การไหลของอากาศอย่างง่ายจึงแสดงไว้ด้านล่าง ซึ่งใช้ในการตรวจจับการไหลของอากาศ วงจรการไหลของอากาศนี้ไม่จำเป็นต้องใช้ RTD (หรือ) ไดโอดซีเนอร์ แต่ใช้ไส้หลอดไฟ AC อย่างง่ายพร้อมส่วนประกอบบางอย่างสำหรับการตรวจจับอากาศ ส่วนประกอบที่จำเป็นในการสร้างวงจรเซ็นเซอร์อากาศนี้ส่วนใหญ่ได้แก่ ไอซี LM358 , LM7805, ตัวต้านทาน เช่น 680 โอห์ม, 100 โอห์ม, 10K และ 330 โอห์ม, ตัวเก็บประจุ 100uF, ตัวต้านทานปรับค่าได้ 50k, LED, แหล่งจ่าย ไฟ 12V, หลอดไฟ, สายจัมเปอร์, ปุ่มกด และพัดลม DC เชื่อมต่อวงจรนี้ตามวงจรที่แสดงด้านล่าง

วงจรเซ็นเซอร์วัดการไหลของอากาศที่แสดงด้านล่างนี้ ใช้สำหรับตรวจจับการไหลของอากาศ วงจรนี้ทำงานด้วยแหล่งจ่ายไฟ DC 12V ส่วนประกอบสำคัญที่ใช้ในวงจรนี้คือไส้หลอดไฟ เนื่องจากเป็นตัวที่ทำให้เกิดการเปลี่ยนแปลงของแรงดันไฟฟ้าเมื่อมีอากาศไหลผ่าน ไส้หลอดไฟในวงจรนี้มีค่า NTC (ค่าสัมประสิทธิ์อุณหภูมิเชิงลบ) ดังนั้น ความต้านทาน ของไส้หลอดไฟจะแปรผกผันกับอุณหภูมิ เมื่ออุณหภูมิสูงขึ้น ความต้านทานของไส้หลอดไฟก็จะต่ำลง
โดยปกติแล้ว เมื่อไม่มีอากาศไหลผ่าน ไส้หลอดไฟจะมีค่าความต้านทานต่ำเนื่องจากความร้อนภายใน เมื่อมีอากาศไหลผ่าน อุณหภูมิของไส้หลอดไฟจะลดลง และค่าความต้านทานของไส้หลอดไฟจะเพิ่มขึ้น
ดังนั้น เนื่องจากการเปลี่ยนแปลงของความต้านทานนี้ จึงทำให้เกิดการเปลี่ยนแปลงแรงดันไฟฟ้าที่ไส้หลอดไฟ ซึ่งถูกตรวจจับโดยไอซี LM358 และสร้างสัญญาณต่ำ ไอซีนี้ต่อในโหมดเปรียบเทียบ ดังนั้นมันจะเปรียบเทียบแรงดันไฟฟ้าขาเข้ากับแรงดันอ้างอิงและให้เอาต์พุตที่สอดคล้องกัน
ในวงจรนี้ โพเทนชิโอมิเตอร์ใช้สำหรับปรับเทียบวงจร LED มีประโยชน์ในการแสดงการไหลของอากาศ และทั้งปุ่มกดและพัดลม DC ใช้สำหรับเป่าลมให้ไหลผ่านไส้หลอด
เซ็นเซอร์วัดการไหลของอากาศมีหลายประเภท ซึ่งจะกล่าวถึงต่อไปนี้
เซ็นเซอร์วัดปริมาตรการไหลของอากาศใช้สำหรับวัดปริมาตรการไหลของอากาศ การตรวจสอบตัวกรอง ความดันแตกต่าง และการตรวจจับระดับของเหลว เซ็นเซอร์วัดการไหลของอากาศประเภทนี้สามารถนำไปใช้ในงานทางการแพทย์ ห้องปลอดเชื้อ และเทคโนโลยีตัวกรองภายในท่ออากาศ ระบบระบายอากาศ ห้องพ่นสี และห้องครัวอุตสาหกรรม โดยส่วนใหญ่ใช้ในการตรวจสอบตัวกรองและการวัดระดับ หรือเพื่อควบคุมตัวแปลงความถี่
เซ็นเซอร์ MAF หรือเซ็นเซอร์วัดปริมาณอากาศไหลเข้า เป็นเซ็นเซอร์ที่ใช้ในรถยนต์เพื่อตรวจจับอัตราการไหลของมวลอากาศที่ผ่านเครื่องยนต์ของรถยนต์ รวมถึงปริมาณการฉีดเชื้อเพลิงด้วย
สำหรับหน่วยควบคุมเครื่องยนต์ของรถยนต์ ข้อมูลมวลอากาศมีความจำเป็นสำหรับการปรับสมดุลและส่งมวลเชื้อเพลิงที่ถูกต้องไปยังเครื่องยนต์ ความหนาแน่นของอากาศจะเปลี่ยนแปลงไปตามความดันและอุณหภูมิ ความหนาแน่นของอากาศจะเปลี่ยนแปลงไปในระบบยานยนต์ ขึ้นอยู่กับระดับความสูง อุณหภูมิแวดล้อม และการใช้ระบบอัดอากาศ ดังนั้นเซ็นเซอร์เหล่านี้จึงเหมาะสมกว่าเซ็นเซอร์วัดปริมาตรอากาศในการกำหนดปริมาณอากาศที่เข้าสู่แต่ละกระบอกสูบ
เซ็นเซอร์ที่มีใบพัดวัดปริมาณอากาศติดตั้งอยู่ตามทิศทางการไหลของอากาศ เรียกว่า เซ็นเซอร์วัดปริมาณอากาศแบบมวล (Mass Air Flow Sensor) เซ็นเซอร์วัดปริมาณอากาศชนิดนี้ใช้สำหรับวัดปริมาณอากาศที่ไหลผ่าน
ใบพัดในเซ็นเซอร์นี้เชื่อมต่อกับสปริงอย่างง่าย ๆ และจัดวางอยู่ในตำแหน่งพัก แต่เมื่อใดก็ตามที่อากาศเริ่มไหล ใบพัดจะเคลื่อนที่ภายใต้แรงดันของสปริง การเคลื่อนที่นี้สามารถแปลงเป็นสัญญาณแรงดันไฟฟ้าได้โดยใช้โพเทนชิโอมิเตอร์ จากนั้นจึงนำไปใช้ในการกำหนดความเร็วของการไหลของอากาศ
เซ็นเซอร์วัดปริมาณอากาศชนิดนี้ถูกนำมาใช้ในรถยนต์สมัยใหม่หลายรุ่นเพื่อวัดปริมาณอากาศที่เข้าสู่เครื่องยนต์ เซ็นเซอร์นี้มีบทบาทสำคัญในการจัดการและเพิ่มประสิทธิภาพของเครื่องยนต์ โดยให้ข้อมูลแก่ ECU (หน่วยควบคุมเครื่องยนต์) เพื่อปรับส่วนผสมของอากาศและเชื้อเพลิงให้เกิดการเผาไหม้ที่มีประสิทธิภาพสูง
หน้าที่หลักของเซ็นเซอร์นี้คือการวัดปริมาตรและความหนาแน่นของอากาศที่ไหลเข้ามา ดังนั้นข้อมูลนี้จึงมีความสำคัญอย่างยิ่งสำหรับหน่วยควบคุมเครื่องยนต์ในการตัดสินใจว่าจะอัดเชื้อเพลิงเข้าไปในห้องเผาไหม้มากน้อยเพียงใดเพื่อรักษาสัดส่วนอากาศต่อเชื้อเพลิงที่เหมาะสม
ความหนาแน่นของอากาศขึ้นอยู่กับระดับความสูง อุณหภูมิ และการใช้งานระบบอัดอากาศเป็นหลัก เซ็นเซอร์เหล่านี้มีประโยชน์และเหมาะสมกว่าสำหรับการกำหนดปริมาณอากาศที่เข้าสู่แต่ละกระบอกสูบ เมื่อเปรียบเทียบกับเซ็นเซอร์แบบวัดปริมาตรการไหล
แผนผังการต่อสายไฟของเซ็นเซอร์วัดปริมาณอากาศ (เซ็นเซอร์วัดมวลอากาศ) แสดงอยู่ด้านล่าง ซึ่งออกแบบตามโครงสร้าง ปี รุ่น ความต้องการ และลักษณะการใช้งาน แผนผังการต่อสายไฟเหล่านี้มีให้เลือก 4 แบบ คือ 3 สาย 4 สาย และ 5 สาย ดังนั้น ในที่นี้เราจะต่อสายไฟเซ็นเซอร์วัดปริมาณอากาศแบบ 4 สาย ซึ่งจะอธิบายในส่วนถัดไป
แผนภาพการเดินสายเซ็นเซอร์วัดปริมาณอากาศแบบ 4 สาย ประกอบด้วยแหล่งจ่ายไฟบวก 12V (สายร้อน), สัญญาณ IAT (สัญญาณอุณหภูมิอากาศขาเข้า), สัญญาณ MAF และ GND ของ MAF
ต่อสายไฟบวก 12V (สายร้อน) เข้ากับฟิวส์และรีเลย์ภายในกล่องฟิวส์ จากนั้นต่อสายสัญญาณของเซ็นเซอร์วัดปริมาณอากาศ (MAF) เข้ากับ ECU ของรถยนต์ สายสัญญาณนี้ทำหน้าที่ส่งสัญญาณจากเซ็นเซอร์ไปยัง ECU ส่วนสายกราวด์ของเซ็นเซอร์ MAF สามารถใช้เป็นขั้วกราวด์ร่วมสำหรับทั้ง ECU และเซ็นเซอร์ของรถยนต์ได้
วงจรสัญญาณของเซ็นเซอร์วัดปริมาณอากาศสามารถออกแบบให้รวมอยู่ในเซ็นเซอร์ MAF เพื่อวัดปริมาณกระแสไฟฟ้าที่ไหลผ่านเซ็นเซอร์และแปลงกระแสไฟฟ้านี้เป็นแรงดันไฟฟ้า จากนั้นจึงส่งสัญญาณไปยัง ECU ของรถยนต์ผ่านสายสัญญาณ MAF ดังนั้นวงจรสัญญาณนี้จึงต่อลงกราวด์แยกต่างหาก นอกจากนี้ เซ็นเซอร์ยังรวมถึงเซ็นเซอร์ IAT ในตัว ซึ่งให้สัญญาณ IAT เพื่อตรวจจับสัญญาณอุณหภูมิอากาศขาเข้า
เซ็นเซอร์วัดการไหลของอากาศ (เซ็นเซอร์วัดความเร็วลม) เป็นเซ็นเซอร์ราคาประหยัดที่ใช้งานร่วมกับ Arduino ได้ เซ็นเซอร์นี้เรียกอีกอย่างว่าเซ็นเซอร์วัดลม Rev. p ซึ่งมีการชดเชยทางฮาร์ดแวร์สำหรับอุณหภูมิแวดล้อมเป็นหลัก และใช้เทอร์มิสเตอร์ PTC เซ็นเซอร์วัดการไหลของอากาศนี้ใช้ตรวจจับพายุที่มีความเร็วระดับเฮอริเคน (ไม่รวมพายุที่ทำให้เกิดการอิ่มตัว) ซึ่งมีช่วงความเร็วลมตั้งแต่ 0 – 150 ไมล์ต่อชั่วโมง ให้แรงดันเอาต์พุตสูงสุด 3.3V ซึ่งเหมาะสมที่สุดสำหรับ บอร์ดพัฒนา Arduino และไมโครคอนโทรลเลอร์ทุกรุ่น
เซ็นเซอร์นี้ทำงานโดยใช้หลักการของเครื่องวัดความเร็วลมแบบใช้ความร้อน หรือวิธีการใช้ลวดร้อน ซึ่งให้การตรวจจับโดยการให้ความร้อนแก่องค์ประกอบความร้อน และการเปลี่ยนแปลงของกำลังไฟฟ้าที่จำเป็นในการรักษาความร้อนขององค์ประกอบความร้อนนั้นให้คงที่ตลอดการไหลของลม เมื่อใดก็ตามที่การไหลของลมเพิ่มขึ้น องค์ประกอบความร้อนจะสูญเสียความร้อนและต้องการกำลังไฟฟ้ามากขึ้นเพื่อรักษาอุณหภูมิ เมื่อไม่มีลม องค์ประกอบความร้อนจะคงที่ ดังนั้นจึงสามารถวัดและแสดงการเปลี่ยนแปลงระหว่างกระแสไฟฟ้าและกำลังไฟฟ้าที่ไหลผ่านองค์ประกอบความร้อนได้
คุณสมบัติทางเทคนิคของเซ็นเซอร์นี้ประกอบด้วยหลักๆ ดังนี้:
การกำหนดค่าขาของเซ็นเซอร์วัดการไหลของอากาศ (หรือ) เซ็นเซอร์วัดลมในเวอร์ชัน Rev. P มีให้เลือกในรูปแบบ 5 ขา ดังแสดงในภาพด้านล่าง
การเชื่อมต่อของระบบนี้มีดังต่อไปนี้;
โค้ด Arduino ที่จำเป็นสำหรับการเชื่อมต่อนี้มีดังต่อไปนี้
const int OutPin = A0; // wind sensor analog pin hooked up to Wind P sensor “OUT” pin
const int TempPin = A2; // temp sensor analog pin hooked up to Wind P sensor “TMP” pin
void setup() {
Serial.begin(9600);
}
void loop() {
// read wind
int windADunits = analogRead(OutPin);
// Serial.print(“RW “); // print raw A/D for debug
// Serial.print(windADunits);
// Serial.print(“\t”);
// wind formula derived from wind tunnel data, anemometer and some fancy Excel regressions
//This scaling doesn’t have any temperature correction in it yet
float windMPH = pow((((float)windADunits – 264.0) / 85.6814), 3.36814);
Serial.print(windMPH);
Serial.print(” MPH\t”);
// temp routine and print raw and temp C
int tempRawAD = analogRead(TempPin);
// Serial.print(“RT “); // print raw A/D for debug
// Serial.print(tempRawAD);
// Serial.print(“\t”);
// convert to volts then use the formula from the datasheet
// Vout = ( TempC * .0195 ) + .400
// tempC = (Vout – V0c) / TC see the MCP9701 datasheet for V0c and TC
float tempC = ((((float)tempRawAD * 5.0) / 1024.0) – 0.400) / .0195;
Serial.print(tempC);
Serial.println(” C”);
delay(750);
}
บอร์ด Arduino ใช้ไฟ 9V จากแผงจ่ายไฟภายนอก และเซ็นเซอร์รับไฟจากขา Vin ของบอร์ด Arduino อัปโหลดโค้ดข้างต้นลงใน Arduino แล้วตรวจสอบแรงดันเอาต์พุตแบบอนาล็อกและการเปลี่ยนแปลงของอุณหภูมิที่ขา OUT และขา TMP ของเซ็นเซอร์วัดการไหลของอากาศเพื่อตรวจจับความเร็วลม
สัญญาณเอาต์พุตจากเซ็นเซอร์อนาล็อกเป็นแบบลอการิทึม ดังนั้นเซ็นเซอร์จึงตรวจจับและตรวจสอบการไหลของอากาศได้น้อยมากในช่วงความเร็วต่ำ แม้ว่าจะไม่ถึงระดับอิ่มตัวที่กำลังสูงสุดจนกว่าการไหลของอากาศจะถึงประมาณ 60 ไมล์ต่อชั่วโมงก็ตาม
สัญญาณแรงดันไฟฟ้าที่ได้จากขาอนาล็อก (ขา Ao) ของเซ็นเซอร์นั้นแปรผันตรงกับความเร็วลม หลักการพื้นฐานของเซ็นเซอร์วัดอากาศนี้คล้ายกับเทคโนโลยีลวดร้อนแบบดั้งเดิม ดังนั้นเทคนิคนี้จึงยอดเยี่ยมสำหรับความเร็วลมต่ำถึงปานกลาง และวิธีการนี้เหมาะสมสำหรับการวัดทิศทางการไหลของอากาศภายในอาคาร
ข้อดีของเซ็นเซอร์วัดการไหลของอากาศ มีดังต่อไปนี้
ข้อเสียของเซ็นเซอร์วัดการไหลของอากาศ ได้แก่ ดังต่อไปนี้
การใช้งานเซ็นเซอร์วัดการไหลของอากาศมีดังต่อไปนี้
ดังนั้น นี่คือ ภาพรวมของเซ็นเซอร์วัดการไหลของอากาศ การทำงาน วงจร ประเภท การเดินสายไฟ การเชื่อมต่อ และการใช้งาน เซ็นเซอร์วัดการไหลของอากาศเหมาะสมสำหรับการวัดและควบคุมปริมาณอากาศภายในระบบระบายอากาศและเครื่องปรับอากาศ เซ็นเซอร์เหล่านี้ติดตั้งง่ายมากและสามารถวัดความดันโดยรวม ความดันการไหลของอากาศคงที่ และความเร็วลมเฉลี่ยได้