เรียนรู้วิธีสร้าง Notch Filter ที่คมชัดและเชื่อถือได้โดยใช้ Op-Amps เพื่อความคมชัดของสัญญาณสูงสุด
แอมพลิฟายเออร์ปฏิบัติการเป็นวิธีที่ยอดเยี่ยมในการสร้างและออกแบบตัวกรองรอยบาก วงจรออปแอมป์สําหรับตัวกรองรอยบากแบบแอคทีฟมีประสิทธิภาพมากในขณะที่ง่ายต่อการออกแบบและสร้างโดยใช้ชิ้นส่วนอิเล็กทรอนิกส์จํานวนน้อยที่สุด
ตัวกรองรอยบากสามารถใช้ในการใช้งานต่างๆ จํานวนมากที่จําเป็นต้องถอดความถี่หรือย่านความถี่เฉพาะออก บ่อยครั้งที่เครื่องยื่นรอยบากเป็นความถี่คงที่แม้ว่าจะสามารถออกแบบบางตัวที่มีความถี่ตัวแปรได้
ตัวกรองรอยบากความถี่คงที่ค้นหาการใช้งาน เช่น การลบสัญญาณรบกวนความถี่คงที่ เช่น เสียงฮัมหลัก ออกจากวงจรเสียง นอกจากนี้ยังสามารถใช้ในการออกแบบวงจรอิเล็กทรอนิกส์ในหลายพื้นที่โดยถอดความถี่เดียวหรือย่านความถี่แคบได้อย่างสะดวก
ตามชื่อตัวกรองรอยบาก มันมีรอยบากหรือแถบแคบซึ่งตัวกรองจะลบสัญญาณบนความถี่นั้น
การตอบสนองในอุดมคติสําหรับตัวกรองรอยบากคือการตอบสนองที่แบนราบอย่างสมบูรณ์ในช่วงที่ใช้งานได้ยกเว้นความถี่รอยบาก ที่นี่มันจะตกลงมาเร็วมากโดยให้การลดทอนในระดับสูงซึ่งสามารถลบสัญญาณที่ไม่ต้องการได้
ในความเป็นจริงความสมบูรณ์แบบไม่สามารถทําได้ แต่เมื่อใช้วงจรออปแอมป์อัตราขยายในระดับสูงของแอมพลิฟายเออร์ปฏิบัติการหมายความว่าการลดทอนในระดับสูงและรอยบากที่แคบสามารถทําได้ง่ายมากด้วยจํานวนชิ้นส่วนอิเล็กทรอนิกส์ขั้นต่ํานอกเหนือจากแอมพลิฟายเออร์ปฏิบัติการ
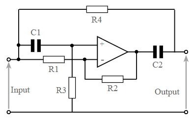
แผนภาพด้านล่างแสดงวงจร op amp สําหรับตัวกรองรอยบากที่ใช้งานอยู่โดยใช้แอมพลิฟายเออร์ปฏิบัติการเดียวและส่วนประกอบอิเล็กทรอนิกส์เพิ่มเติมสองสามชิ้น
วงจรกรองรอยบากนั้นค่อนข้างตรงไปตรงมาและการคํานวณการออกแบบวงจรอิเล็กทรอนิกส์สําหรับค่าส่วนประกอบก็ง่ายต่อการกําหนด

วงจรกรองรอยบากที่ใช้งานอยู่นั้นค่อนข้างตรงไปตรงมาในการออกแบบ ใช้ข้อเสนอแนะทั้งเชิงลบและเชิงบวกรอบชิปแอมพลิฟายเออร์ปฏิบัติการ และด้วยวิธีนี้จึงสามารถให้ประสิทธิภาพในระดับสูง
การคํานวณค่าสําหรับวงจรนั้นตรงไปตรงมามาก สูตรคํานวณค่าตัวต้านทานและตัวเก็บประจุสําหรับวงจรกรองรอยบากคือ:

ที่ไหน:
f notch = ความถี่ศูนย์กลางของรอยบากในเฮิรตซ์
Π = 3.142
R และ C คือค่าของตัวต้านทานและตัวเก็บประจุใน Ω และฟารัด
เมื่อสร้างวงจรกรองรอยบากที่ใช้งานอยู่ ต้องใช้ส่วนประกอบที่มีความทนทานสูงเพื่อให้ได้ประสิทธิภาพที่ดีที่สุด โดยทั่วไปควรเป็น 1% หรือดีกว่า ความลึกของรอยบาก 45 dB สามารถรับได้โดยใช้ส่วนประกอบ 1% แม้ว่าในทางทฤษฎีจะเป็นไปได้ที่รอยบากจะอยู่ที่ 60 dB โดยใช้ส่วนประกอบในอุดมคติ R1 และ R2 ควรจับคู่ภายใน 0.5% หรืออาจตัดแต่งโดยใช้ตัวต้านทานแบบขนาน
รายการเพิ่มเติมเพื่อให้แน่ใจว่าวงจรทํางานได้อย่างเหมาะสมที่สุดคือเพื่อให้แน่ใจว่าอิมพีแดนซ์ของแหล่งกําเนิดน้อยกว่าประมาณ 100 โอห์ม นอกจากนี้ อิมพีแดนซ์โหลดควรมากกว่าประมาณ 2 M โอห์ม
วงจรนี้มักใช้เพื่อขจัดเสียงฮัมที่ไม่ต้องการออกจากวงจร ค่าสําหรับรอยบาก 50 Hz จะเป็น: ตัวเก็บประจุ: C1, C2 = 47 nF, ตัวต้านทาน: R1, R2 = 10 k, R3, R4 = 68 k
แม้ว่าวงจรกรองรอยบากคงที่จะสามารถใช้ในการออกแบบวงจรอิเล็กทรอนิกส์ได้หลายแบบ แต่บางครั้งอาจต้องใช้ความกว้างของรอยบากแบบแปรผันของ Q นอกจากนี้ยังสามารถให้ได้โดยใช้วงจรออปแอมป์อย่างง่าย
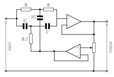
ตัวกรองรอยบาก T คู่ที่มีตัวแปร Q นั้นง่ายต่อการรับรู้และสามารถให้การปฏิเสธในระดับที่ดีที่ความถี่รอยบาก วงจร op amp นี้ใช้แอมพลิฟายเออร์ปฏิบัติการสองตัว และสามารถมองเห็นส่วน "T" คู่ได้ระหว่างแอมพลิฟายเออร์ปฏิบัติการสองตัว
ฟังก์ชัน Q ตัวแปรสําหรับตัวกรองรอยบากแบบแอคทีฟ T คู่นั้นมาจากโพเทนชิออมิเตอร์ที่วางอยู่บนอินพุตแบบไม่กลับด้านของแอมพลิฟายเออร์การทํางานด้านล่างในแผนภาพ

การคํานวณค่าสําหรับวงจรนั้นตรงไปตรงมามาก สูตรนี้เหมือนกับที่ใช้สําหรับตัวกรองรอยบาก T คู่รุ่นพาสซีฟ

ที่ไหน:
f notch = ความถี่ตัดเป็นเฮิรตซ์
π = 3.142
R และ C คือค่าของตัวต้านทานและตัวเก็บประจุเช่นเดียวกับในวงจร
ค่าของโพเทนชิออมิเตอร์ไม่สําคัญเลย ไม่ควรสูงจนความต้านทานถูกโหลดโดยอิมพีแดนซ์อินพุตของแอมพลิฟายเออร์ปฏิบัติการที่สอง เนื่องจากถูกมองว่าเป็นโหลดตัวต้านทานโดยแอมพลิฟายเออร์ปฏิบัติการตัวแรกจึงไม่ควรต่ําจนมีภาระที่สําคัญ ตัวต้านทานนี้ทําหน้าที่เป็นตัวแบ่งศักยภาพเพื่อนําเสนอสัดส่วนที่ต้องการของเอาต์พุตไปยังอินพุตของแอมพลิฟายเออร์ปฏิบัติการที่สอง
โพเทนชิออมิเตอร์สามารถอยู่ที่ใดก็ได้ระหว่างประมาณ 4.7kΩ ถึง 47kΩ เนื่องจากแอมพลิฟายเออร์ปฏิบัติการมาตรฐานมีความต้านทานอินพุตประมาณ 250kΩ จึงมีระยะขอบเพียงพอสําหรับโพเทนชิออมิเตอร์ 47kΩ
วงจร op amp สําหรับตัวกรองรอยบากมีประโยชน์มาก และสิ่งอํานวยความสะดวกในการปรับสําหรับ Q ก็มีประโยชน์มากเช่นกัน ใช้ชิ้นส่วนอิเล็กทรอนิกส์ค่อนข้างน้อย: แอมพลิฟายเออร์ปฏิบัติการเพียงสองตัวซึ่งสามารถรวมเข้ากับแพ็คเกจวงจรรวมเดียวรวมถึงตัวต้านทานสามตัวตัวเก็บประจุสามตัวและโพเทนชิออมิเตอร์เพื่อปรับค่าของ Q
ข้อเสียเปรียบหลักของวงจรกรองรอยบากคือเมื่อระดับ Q เพิ่มขึ้นความลึกของค่าว่างจะลดลง อย่างไรก็ตามเรื่องนี้วงจรออปแอมป์สามารถนํามาใช้ในการออกแบบวงจรอิเล็กทรอนิกส์จํานวนมากสําหรับการใช้งานที่หลากหลาย
การเลือกชิ้นส่วนอิเล็กทรอนิกส์ที่ใช้ในตัวกรองที่ใช้งานอยู่เป็นกุญแจสําคัญในการทํางานที่ประสบความสําเร็จของวงจร สําหรับตัวกรองรอยบากที่ใช้งานอยู่ ความคลาดเคลื่อนและประสิทธิภาพของชิ้นส่วนอิเล็กทรอนิกส์เป็นกุญแจสําคัญ
การเปลี่ยนแปลงของค่าชิ้นส่วนอิเล็กทรอนิกส์อันเป็นผลมาจากความคลาดเคลื่อนสามารถเปลี่ยนแปลงรอยบากและความลึกได้อย่างมีนัยสําคัญ ส่วนประกอบทั้งหมดในพื้นที่กําหนดรอยบากของวงจรควรมีความคลาดเคลื่อนที่เข้มงวด 1% หรือดีกว่า
ปัจจุบันตัวต้านทานฟิล์มโลหะมีจําหน่ายในรูปแบบอุปกรณ์ตะกั่วและแบบติดตั้งบนพื้นผิว ตัวต้านทานเหล่านี้ไม่เพียง แต่มีเสียงรบกวนต่ํา แต่ยังสามารถซื้อได้ในรูปแบบความคลาดเคลื่อนใกล้เคียง โดยทั่วไปจะมีให้เลือกทั้งแบบ 1%, 2% หรือบางครั้งก็เป็น 5% เนื่องจากมักจะมีความแตกต่างของต้นทุนเพียงเล็กน้อยการใช้ตัวต้านทาน 1% จึงเป็นทางเลือกที่ดี
ในแง่ของตัวเก็บประจุควรหลีกเลี่ยงตัวเก็บประจุด้วยไฟฟ้าในทุกกรณี ไม่เพียงแต่แบ่งขั้วเท่านั้น แต่ความอดทนของพวกเขายังแย่มาก โดยทั่วไปตัวเก็บประจุแบบอิเล็กโทรไลต์จะมีความคลาดเคลื่อน -20% และ +80% ดังนั้นจึงไม่ถูกต้องเลย ควรหลีกเลี่ยงตัวเก็บประจุแทนทาลัมอิเล็กโทรไลต์ ดีกว่าตัวเก็บประจุแบบอิเล็กโทรไลต์ แต่ก็มีโพลาไรซ์และไม่ให้ความแม่นยําในระดับที่เพียงพอ
ตัวเก็บประจุเซรามิกให้ประสิทธิภาพในระดับที่ดีและโดยปกติจะมีจําหน่ายในช่วงที่ต้องการ นอกจากนี้ยังมีให้เลือกทั้งแบบตะกั่วและอุปกรณ์ยึดพื้นผิว ขึ้นอยู่กับอิเล็กทริกที่แท้จริงมีตัวเก็บประจุที่มีความคลาดเคลื่อนสูงมากและประเภทที่เหมาะสมจะให้ประสิทธิภาพที่ดี
ตัวเก็บประจุแบบฟิล์มพลาสติกเป็นอีกทางเลือกหนึ่งที่ดี เนื่องจากหลายประเภทมีระดับความคลาดเคลื่อนที่ดี อย่างไรก็ตาม โดยทั่วไปแล้วตัวเก็บประจุแบบฟิล์มจะมีเฉพาะในรูปแบบอุปกรณ์ที่มีสารตะกั่วเท่านั้น ไม่ใช่อุปกรณ์ยึดพื้นผิว
วงจรกรองรอยบากแบบแอคทีฟแอมป์สองตัวนั้นง่ายต่อการออกแบบและใช้งาน ประสิทธิภาพของมันดีพอสําหรับการใช้งานส่วนใหญ่ แต่ถ้าจําเป็นต้องเรียงซ้อน ก็ต้องใช้ความระมัดระวังเพื่อให้แน่ใจว่าอยู่ในความถี่เดียวกันทุกประการโดยใช้ส่วนประกอบที่มีความคลาดเคลื่อนใกล้เคียงกันมากสําหรับองค์ประกอบที่กําหนดความถี่