
บทความนี้ให้รายละเอียดเกี่ยวกับการออกแบบและหลักการทำงานของวงจรขยายเสียงลำโพงคลาส D 3.7V ประสิทธิภาพสูงที่ใช้อินพุตแอนะล็อกแบบต่างกัน
คุณเบื่อกับอุปกรณ์เสียงของคุณที่ส่งเสียงไม่มีชีวิตชีวาและผิดเพี้ยนหรือไม่? บอกลาคุณภาพเสียงที่ธรรมดาๆ และต้อนรับเสียงเพลงที่ชัดใสด้วยเครื่องขยายเสียงลำโพง Class-D สำหรับอินพุตแอนะล็อกแบบดิฟเฟอเรนเชียล!
เครื่องขยายเสียงคลาส D เป็นเทคโนโลยีล้ำสมัยในโลกของเครื่องขยายเสียงที่ใช้อุปกรณ์ไฟฟ้าที่ควบคุมได้ เช่น สวิตช์ ช่วยให้ระบายความร้อนได้น้อยที่สุดและมีประสิทธิภาพสูง BD5460 IC เป็นเครื่องขยายเสียงคลาส D ประสิทธิภาพสูงที่ผลิตพลังงานเอาต์พุต 2 วัตต์ที่ 3.7V เหมาะอย่างยิ่งสำหรับการใช้งานในอุปกรณ์เสียงพกพาขนาดเล็ก
ในบล็อกนี้ เราจะเจาะลึกโลกอันน่าทึ่งของเครื่องขยายเสียงคลาส D และเรียนรู้ว่าเครื่องขยายเสียงเหล่านี้สร้างเสียงคุณภาพสูงได้อย่างไร นอกจากนี้ เราจะเจาะลึก IC BD5460 อีกด้วย ดังนั้น เตรียมตัวให้พร้อมที่จะยกระดับประสบการณ์เสียงของคุณไปสู่อีกระดับด้วยเครื่องขยายเสียงลำโพงคลาส D สำหรับอินพุตแอนะล็อกแบบดิฟเฟอเรนเชียล!
คุณจะต้องมีฮาร์ดแวร์ต่อไปนี้สำหรับเครื่องขยายเสียงลำโพงคลาส D

IC BD5460 เป็นตัวอย่างของ IC ขยายเสียงคลาส D ที่ไม่ต้องการตัวกรองโช้ก LC ภายนอก ทำให้เหมาะสำหรับอุปกรณ์เสียงพกพาขนาดเล็ก เช่น โทรศัพท์มือถือ iPod iPad และวิทยุ FM มีกำลังขับ 2 วัตต์ที่ 3.7V และช่วงกำลังไฟฟ้าเข้า 2.5V ถึง 6.5V DC นอกจากนี้ IC ยังมีข้อดีในตัว เช่น ฟังก์ชันสแตนด์บาย การป้องกันไฟฟ้าลัดวงจร การปิดเครื่องเนื่องจากความร้อน และฟังก์ชันล็อกแรงดันไฟต่ำ
เครื่องขยายเสียงคลาส D ประกอบด้วยตัวเปรียบเทียบแบบออปแอมป์ซึ่งรับสัญญาณเสียงที่ต้องการขยายและตัวอย่างสัญญาณคลื่นสามเหลี่ยมความถี่สูงเป็นอินพุต ออปแอมป์จะเปรียบเทียบสัญญาณทั้งสองนี้และสร้างเอาต์พุตที่เป็นสัดส่วนกับสัญญาณดนตรีต้นฉบับแต่เป็นรูปแบบ PWM จากนั้น MOSFET หรือ BJT จะขยาย PWM เพื่อสร้างเสียงที่สะอาดโดยไม่สร้างความร้อนมากเกินไป

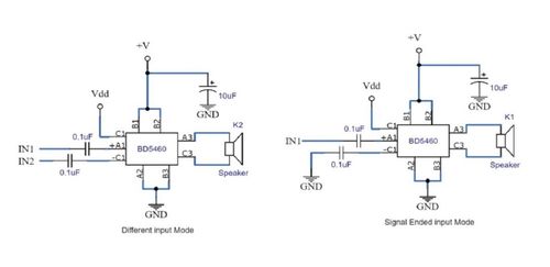
การออกแบบทางด้านซ้ายเป็นเครื่องขยายสัญญาณแบบอินพุตเชิงอนุพันธ์ ในขณะที่ด้านขวาเป็นโครงสร้างปลายเดียว ตัวเก็บประจุ 0.1uF ทั้งหมดทำหน้าที่เป็นตัวกรองแยกอินพุต
โดยสรุปแล้ว เครื่องขยายเสียงคลาส D ถือเป็นตัวเปลี่ยนเกมสำหรับอุปกรณ์เสียงของคุณ การออกแบบที่เป็นเอกลักษณ์และคุณสมบัติขั้นสูงทำให้เครื่องขยายเสียงนี้เป็นตัวเลือกอันดับต้นๆ สำหรับอุปกรณ์เสียงพกพาขนาดเล็ก IC BD5460 เป็นตัวอย่างที่ดีของ IC เครื่องขยายเสียงคลาส D ที่ให้เสียงที่ชัดใสในขณะที่ใช้พลังงานให้น้อยที่สุด