
บทความนี้จะแนะนำ FinFET นวัตกรรมทรานซิสเตอร์ 3 มิติที่ช่วยเพิ่มความเร็วของชิปพร้อมกับลดการใช้พลังงาน
FinFET คือกระบวนการออกแบบทรานซิสเตอร์ที่มุ่งเป้าไปที่การเอาชนะปรากฏการณ์ Short Channel Effect ที่เลวร้ายที่สุดที่ทรานซิสเตอร์ต้องเผชิญ ในขณะเดียวกันก็ช่วยให้ชิปมีประสิทธิภาพที่สูงขึ้นในราคาที่ถูกลง
ตลอดประวัติศาสตร์การออกแบบวงจรรวมนับตั้งแต่ความก้าวหน้าทางเซมิคอนดักเตอร์ กฎของมัวร์ ซึ่งระบุว่าจำนวนทรานซิสเตอร์บนแผ่นซิลิคอนจะเพิ่มขึ้นเป็นสองเท่าทุกสองปี ยังคงไม่เปลี่ยนแปลง
จำนวนทรานซิสเตอร์บนไมโครโปรเซสเซอร์ขั้นสูงในปัจจุบันมีจำนวนหลายหมื่นล้านตัว เนื่องจากโรงหล่อกำลังพัฒนาโหนดกระบวนการที่ก้าวหน้าขึ้นเรื่อยๆ เพื่อตอบสนองความต้องการของผู้บริโภค ซึ่งแตกต่างอย่างมากจากไมโครโปรเซสเซอร์ในช่วงกลางทศวรรษ 1970 ซึ่งมีทรานซิสเตอร์เพียงไม่กี่พันตัว ซึ่งเป็นเทคโนโลยีที่ทันสมัยที่สุดในขณะนั้น
หนึ่งในแนวโน้มเทคโนโลยีสำคัญที่ขับเคลื่อนอุตสาหกรรมเซมิคอนดักเตอร์และการนำชิปมาใช้ในปัจจุบัน คือการนำเทคโนโลยีกระบวนการ FinFET มาใช้ อีกหนึ่งเทคโนโลยีที่มีแนวโน้มดีคือทรานซิสเตอร์แบบ Gate-to-Gate-to-Gate (GAA) เทคโนโลยีนี้นำเสนอการเชื่อมต่อแบบ Capacitive ที่สำคัญที่สุดระหว่าง Gate และ Channel ปัญหาของ GAAfinFET คือเป็นเพียงการแก้ปัญหาชั่วคราว อาจใช้ได้เพียงไม่กี่ทศวรรษ อย่างไรก็ตาม มีแนวโน้มว่า GAAfinFET จะกลายเป็นทางเลือกใหม่ในอนาคต อย่างน้อยก็จนกว่าจะมีใครสักคนคิดค้นสถาปัตยกรรมทรานซิสเตอร์แบบใหม่
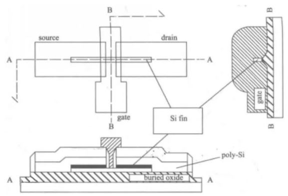
FinFET หรือที่รู้จักกันในชื่อทรานซิสเตอร์สนามแม่เหล็กแบบครีบ เป็นทรานซิสเตอร์สารกึ่งตัวนำออกไซด์โลหะเสริมชนิดใหม่ ผู้คิดค้นเทคโนโลยีนี้คือศาสตราจารย์หู เจิ้งหมิง จากมหาวิทยาลัยแคลิฟอร์เนีย เบิร์กลีย์
ความแตกต่างหลักระหว่างโครงสร้าง FinFeT และ MOSFET แบบระนาบ คือ ช่องสัญญาณประกอบด้วยครีบที่สูงและบางยื่นออกมาจากแผ่นฉนวน โครงสร้างรูปครีบนี้ทำหน้าที่ควบคุมกระแสเสริม ช่วยเพิ่มพื้นที่ผิวเกตรอบช่องสัญญาณและเพิ่มความสามารถในการควบคุมเกตบนช่องสัญญาณ ซึ่งสามารถลดผลกระทบจากช่องสัญญาณสั้นในอุปกรณ์แบบระนาบ ปรับปรุงความสามารถในการควบคุมวงจรและลดกระแสไฟฟ้ารั่วได้อย่างมาก และลดความยาวเกตของทรานซิสเตอร์ลงอย่างมาก ด้วยคุณสมบัตินี้ FinFeT จึงไม่จำเป็นต้องมีช่องสัญญาณที่มีการเจือปนสูง จึงช่วยลดผลกระทบจากการกระเจิงของไอออนเจือปนและปรับปรุงการเคลื่อนที่ของตัวพาประจุในช่องสัญญาณ

คุณสมบัติหลักของ FinFET คือ บริเวณช่องสัญญาณเป็นสารกึ่งตัวนำรูปครีบที่ล้อมรอบด้วยเกต
ความยาวของครีบตามทิศทางของแหล่งกำเนิด-ท่อระบายคือความยาวของช่องสัญญาณ
โครงสร้างแบบเกต-พันรอบช่วยเพิ่มการควบคุมเกตและให้การควบคุมไฟฟ้าที่ดีขึ้นทั่วทั้งช่องสัญญาณ จึงช่วยลดกระแสไฟฟ้ารั่วและป้องกันผลกระทบจากช่องสัญญาณลัดวงจร
FinFET มีหลายประเภท และแต่ละประเภทมีคุณสมบัติทางไฟฟ้าที่แตกต่างกัน
ต่อไปนี้จะแนะนำตามประเภทของซับสเตรต ทิศทางของช่องสัญญาณ หมายเลขเกต และโครงสร้างเกต SOI FinFET และ Bulk FinFET
ตามแพลตฟอร์ม FinFET FinFET สามารถแบ่งได้เป็นสองประเภท ประเภทแรกคือ SOI FinFET และ Bulk FinFET
FET ถูกสร้างขึ้นบนซับสเตรตซิลิคอนแบบเป็นกลุ่ม เนื่องจากกระบวนการผลิตที่แตกต่างกัน ซับสเตรตซิลิคอนแบบเทกองจึงมีข้อได้เปรียบในเรื่องความหนาแน่นของข้อบกพร่องต่ำและต้นทุนต่ำกว่าซับสเตรต SOI
นอกจากนี้ เนื่องจากชั้นออกไซด์ที่ฝังอยู่ในซับสเตรต SOI มีการนำความร้อนต่ำ ประสิทธิภาพการระบายความร้อนของซับสเตรตซิลิคอนแบบเทกองจึงดีกว่าซับสเตรต SOI เช่นกัน

Bulk FinFET และ SOI FinFET มีความต้านทานและความจุใกล้เคียงกัน จึงให้ประสิทธิภาพด้านพลังงานที่ระดับวงจรใกล้เคียงกัน อย่างไรก็ตาม FinFET แบบเทกองที่เจือปนเล็กน้อยบนซับสเตรต SOI มีความจุที่จุดเชื่อมต่อต่ำกว่า มีการเคลื่อนที่สูงกว่า และประสิทธิภาพด้านพลังงานที่ได้รับแรงดันไฟฟ้าสูงกว่า Bulk FinFET
นักออกแบบเลือกใช้อุปกรณ์ FinFET แทนทรานซิสเตอร์แบบระนาบแบบดั้งเดิม เช่น MOSFET ด้วยเหตุผลหลายประการ
การเพิ่มพลังการประมวลผลหมายถึงการเพิ่มความหนาแน่นของการประมวลผล แน่นอนว่าสิ่งนี้จำเป็นต้องใช้ทรานซิสเตอร์มากขึ้น ส่งผลให้ขนาดชิปมีขนาดใหญ่ขึ้น อย่างไรก็ตาม ด้วยเหตุผลเชิงปฏิบัติ การรักษาพื้นที่ให้คงที่โดยประมาณจึงเป็นสิ่งสำคัญ
วิธีหนึ่งในการเพิ่มพลังการประมวลผลคือการลดขนาดทรานซิสเตอร์ แต่เมื่อขนาดทรานซิสเตอร์ลดลง ช่องว่างระหว่างเดรนและซอร์สจะลดความสามารถของเกตในการควบคุมกระแสในบริเวณช่องสัญญาณ ดังนั้น MOSFET แบบระนาบจึงได้รับผลกระทบจากปรากฏการณ์ช่องสัญญาณสั้น
โดยสรุป อุปกรณ์ FinFET มีประสิทธิภาพการทำงานในช่องสัญญาณสั้นที่เหนือกว่า เวลาในการสลับสั้นกว่า และความหนาแน่นกระแสสูงกว่าเมื่อเทียบกับเทคโนโลยี MOSFET แบบระนาบทั่วไป
FinFET มีข้อได้เปรียบสำคัญหลายประการเหนือเทคโนโลยีทรานซิสเตอร์อื่นๆ ซึ่งทำให้เหมาะสำหรับการใช้งานที่ต้องการพลังงานและประสิทธิภาพที่สูงขึ้น:
แน่นอนว่ามีข้อเสียเช่นกัน ซึ่งรวมถึง: