T Flip-Flop (บทช่วยสอนเริ่มต้นอย่างรวดเร็ว)

ในบทช่วยสอนเริ่มต้นฉบับย่อนี้ คุณจะได้เรียนรู้วิธีการทํางาน ตารางความจริง และวิธีสร้างตารางความจริง

T Flip-Flop (บทช่วยสอนเริ่มต้นอย่างรวดเร็ว)

Flip-Flop T เป็นฟลิปฟล็อปแบบพลิกกลับได้เอาต์พุต กลับด้าน เช่น แปลงเอาต์พุตเป็นค่าตรงกันข้าม 1 ถึง 0 และ 0 ถึง 1 ฟลิปฟล็อปประเภทนี้มักใช้ในเคาน์เตอร์และตัวแบ่งความถี่

ไอคอน T Flip Flop

รองเท้าแตะ T-toe คืออะไร?

ฟลิปฟล็อปเป็นส่วนประกอบที่ใช้กันทั่วไปในการจัดเก็บค่าตัวเลขบนเอาต์พุต พวกเขามีอินพุตนาฬิกา (Clk) ที่กําหนดว่าเมื่อใดควรอัปเดตเอาต์พุต

Flip-Flop เป็นฟลิปฟล็อปอินพุตเดี่ยวที่มีหน้าที่เก็บหรือแปลงค่าเอาต์พุต

การสลับซึ่งเป็นเหตุผลว่าทําไม "T" ในชื่อจึงหมายถึงการสลับไปมาระหว่างสองสถานะ หากเอาต์พุตเป็น 1 การสลับจะเปลี่ยนเอาต์พุตเป็น 0 หากเอาต์พุตเป็น 0 การสลับจะแปลงเอาต์พุตเป็น 1

คุณสามารถสร้าง T Flip-Flop จากฟลิปฟล็อปอื่นๆ ได้ เช่น โดยใช้ฟลิปฟล็อป JK และเชื่อมต่ออินพุต J และ K ดังนี้:

การออกแบบวงจรฟลิปฟล็อป

กระดานความจริง

โดยทั่วไป คุณสามารถเรียกใช้ T Flip-Flop ได้ด้วยสัญญาณขอบที่ลดลง เช่น การเปลี่ยนแปลงจากสถานะตัวเลขจาก 0 เป็น 1 ↓ หรือโดยสัญญาณขอบที่เพิ่มขึ้น เช่น การเปลี่ยนแปลงจาก 1 เป็น 0 ↑ ตารางความจริงต่อไปนี้สอดคล้องกับฟลิปฟล็อปที่ทริกเกอร์บนขอบที่เพิ่มขึ้น:

T กระดานความจริง Flip-Flop

คุณจะเห็นได้ว่าหากไม่มีขอบที่เพิ่มขึ้นที่อินพุต Clk ไม่ว่าคุณจะใส่อะไรลงในอินพุต T เอาต์พุต Q จะไม่เปลี่ยนแปลง

คล้ายกับกรณีก่อนหน้านี้เมื่ออินพุต T มีค่าเป็น 0 แม้ว่าฟลิปฟล็อปจะเปิดใช้งาน แต่หากเอาต์พุต Q มีค่า 0 หรือ 1 ก็จะยังคงเหมือนเดิม

ในการรับพฤติกรรมการสลับ คุณต้องใส่หมายเลข 1 บนอินพุต T คุณจะเห็นการเปลี่ยนแปลงจาก 0 เป็น 1 หรือจาก 1 เป็น 0 ทุกครั้งที่เปิดใช้งานฟลิปฟล็อป คุณสามารถดูลักษณะการทํางานนี้ได้ในไทม์ไลน์ด้านล่าง:

แผนภูมิเวลาสําหรับ T Flip-Flop

T การก่อสร้างวงจรพลิก

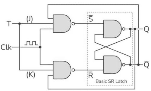
คุณสามารถสร้าง Flip-Flop T ได้ง่ายๆ โดยการลัดวงจรอินพุต J และ K ของ Flip-Flop JK อย่างไรก็ตาม บางเว็บไซต์แนะนําให้คุณสร้างวงจรดังนี้ แต่นี่เป็นวงจรที่ไม่สมบูรณ์และจะทํางานไม่ถูกต้อง:

ในทางทฤษฎีดูเหมือนว่าจะได้ผล แต่สิ่งที่เว็บไซต์ส่วนใหญ่โพสต์วงจรนี้ไม่ได้กล่าวถึงคือคุณต้องมีชีพจรสั้นมากจึงจะทํางานได้

นาฬิกาของคุณต้องขึ้นไปที่ระดับสูง แล้วลดลงไปที่ระดับต่ําอีกครั้งก่อนที่เอาต์พุต (Q) จะเปลี่ยนสถานะ มิฉะนั้น เอาต์พุต Q จะสลับระหว่าง 1 ถึง 0 อย่างรวดเร็วในช่วงอิมพัลส์บวก คุณสามารถดูปรากฏการณ์นี้ได้ในไทม์ไลน์ต่อไปนี้:

นี่คือปัญหาที่เรียกว่าการแข่งรถ แต่สามารถแก้ไขได้ง่ายโดยใช้ JK Flip-Flop ที่เปิดใช้งานด้วยขอบ

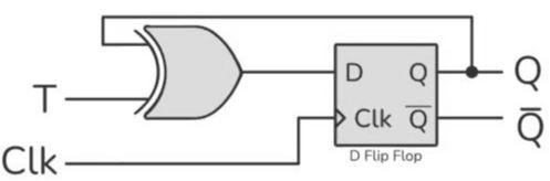
คุณยังสามารถสร้าง T Flip-Flop ที่ทํางานได้อย่างสมบูรณ์โดยใช้ D Flip-Flop ร่วมกับพอร์ต XOR ดังนี้:

วงจร Flip-Flop T ที่เปิดใช้งานด้วยขอบ

Examp วงจร: เปิด/ปิด LED

ตัวอย่างเช่น คุณสามารถเปิดและปิดไดโอดเปล่งแสง (LED) ได้ด้วยการกดปุ่ม T Flip-Flop และตัวต้านทานบางตัว ดูวงจรด้านล่าง:

คุณจะเห็นอินพุต T เชื่อมต่อกับ 5V นั่นคือตรรกะ 1 ดังนั้น ทุกครั้งที่คุณเปิดใช้งาน T Flip-Flop เอาต์พุต Q จะเปลี่ยนสถานะ

อินพุต Clk ใช้การกําหนดค่าความต้านทานแบบดึงลง ซึ่งหมายความว่าอินพุต Clk จะเท่ากับ 0 เมื่อไม่ได้กดปุ่ม เมื่อคุณกดปุ่ม PB1 อินพุต Clk จะเปลี่ยนจาก 0 เป็น 1 (สัญญาณขอบขึ้น)

ดังนั้น ทุกครั้งที่กด PB1 ไฟ LED ที่เชื่อมต่อกับเอาต์พุต Q จะเปิดหรือปิด

ในการประกอบวงจรด้านบนคุณต้อง:

  • 1x วงจร Flip-Flop T (เช่น โดยการรวม CD4013 และ CD4030)
  • ตัวต้านทาน 2 kΩ 10 ตัว (R1 และ R2)
  • 1x ไฟฟ้า trở 330 Ω (R3)
  • 1x ปุ่มกด
  • 1 เครื่องกําเนิดไฟฟ้า LED

บทความที่เกี่ยวข้อง

T Flip-Flop (บทช่วยสอนเริ่มต้นอย่างรวดเร็ว)

ในบทช่วยสอนเริ่มต้นฉบับย่อนี้ คุณจะได้เรียนรู้วิธีการทํางาน ตารางความจริง และวิธีสร้างตารางความจริง

นักเขียนบทความ
by 
นักเขียนบทความ
T Flip-Flop (บทช่วยสอนเริ่มต้นอย่างรวดเร็ว)

T Flip-Flop (บทช่วยสอนเริ่มต้นอย่างรวดเร็ว)

ในบทช่วยสอนเริ่มต้นฉบับย่อนี้ คุณจะได้เรียนรู้วิธีการทํางาน ตารางความจริง และวิธีสร้างตารางความจริง

Flip-Flop T เป็นฟลิปฟล็อปแบบพลิกกลับได้เอาต์พุต กลับด้าน เช่น แปลงเอาต์พุตเป็นค่าตรงกันข้าม 1 ถึง 0 และ 0 ถึง 1 ฟลิปฟล็อปประเภทนี้มักใช้ในเคาน์เตอร์และตัวแบ่งความถี่

ไอคอน T Flip Flop

รองเท้าแตะ T-toe คืออะไร?

ฟลิปฟล็อปเป็นส่วนประกอบที่ใช้กันทั่วไปในการจัดเก็บค่าตัวเลขบนเอาต์พุต พวกเขามีอินพุตนาฬิกา (Clk) ที่กําหนดว่าเมื่อใดควรอัปเดตเอาต์พุต

Flip-Flop เป็นฟลิปฟล็อปอินพุตเดี่ยวที่มีหน้าที่เก็บหรือแปลงค่าเอาต์พุต

การสลับซึ่งเป็นเหตุผลว่าทําไม "T" ในชื่อจึงหมายถึงการสลับไปมาระหว่างสองสถานะ หากเอาต์พุตเป็น 1 การสลับจะเปลี่ยนเอาต์พุตเป็น 0 หากเอาต์พุตเป็น 0 การสลับจะแปลงเอาต์พุตเป็น 1

คุณสามารถสร้าง T Flip-Flop จากฟลิปฟล็อปอื่นๆ ได้ เช่น โดยใช้ฟลิปฟล็อป JK และเชื่อมต่ออินพุต J และ K ดังนี้:

การออกแบบวงจรฟลิปฟล็อป

กระดานความจริง

โดยทั่วไป คุณสามารถเรียกใช้ T Flip-Flop ได้ด้วยสัญญาณขอบที่ลดลง เช่น การเปลี่ยนแปลงจากสถานะตัวเลขจาก 0 เป็น 1 ↓ หรือโดยสัญญาณขอบที่เพิ่มขึ้น เช่น การเปลี่ยนแปลงจาก 1 เป็น 0 ↑ ตารางความจริงต่อไปนี้สอดคล้องกับฟลิปฟล็อปที่ทริกเกอร์บนขอบที่เพิ่มขึ้น:

T กระดานความจริง Flip-Flop

คุณจะเห็นได้ว่าหากไม่มีขอบที่เพิ่มขึ้นที่อินพุต Clk ไม่ว่าคุณจะใส่อะไรลงในอินพุต T เอาต์พุต Q จะไม่เปลี่ยนแปลง

คล้ายกับกรณีก่อนหน้านี้เมื่ออินพุต T มีค่าเป็น 0 แม้ว่าฟลิปฟล็อปจะเปิดใช้งาน แต่หากเอาต์พุต Q มีค่า 0 หรือ 1 ก็จะยังคงเหมือนเดิม

ในการรับพฤติกรรมการสลับ คุณต้องใส่หมายเลข 1 บนอินพุต T คุณจะเห็นการเปลี่ยนแปลงจาก 0 เป็น 1 หรือจาก 1 เป็น 0 ทุกครั้งที่เปิดใช้งานฟลิปฟล็อป คุณสามารถดูลักษณะการทํางานนี้ได้ในไทม์ไลน์ด้านล่าง:

แผนภูมิเวลาสําหรับ T Flip-Flop

T การก่อสร้างวงจรพลิก

คุณสามารถสร้าง Flip-Flop T ได้ง่ายๆ โดยการลัดวงจรอินพุต J และ K ของ Flip-Flop JK อย่างไรก็ตาม บางเว็บไซต์แนะนําให้คุณสร้างวงจรดังนี้ แต่นี่เป็นวงจรที่ไม่สมบูรณ์และจะทํางานไม่ถูกต้อง:

ในทางทฤษฎีดูเหมือนว่าจะได้ผล แต่สิ่งที่เว็บไซต์ส่วนใหญ่โพสต์วงจรนี้ไม่ได้กล่าวถึงคือคุณต้องมีชีพจรสั้นมากจึงจะทํางานได้

นาฬิกาของคุณต้องขึ้นไปที่ระดับสูง แล้วลดลงไปที่ระดับต่ําอีกครั้งก่อนที่เอาต์พุต (Q) จะเปลี่ยนสถานะ มิฉะนั้น เอาต์พุต Q จะสลับระหว่าง 1 ถึง 0 อย่างรวดเร็วในช่วงอิมพัลส์บวก คุณสามารถดูปรากฏการณ์นี้ได้ในไทม์ไลน์ต่อไปนี้:

นี่คือปัญหาที่เรียกว่าการแข่งรถ แต่สามารถแก้ไขได้ง่ายโดยใช้ JK Flip-Flop ที่เปิดใช้งานด้วยขอบ

คุณยังสามารถสร้าง T Flip-Flop ที่ทํางานได้อย่างสมบูรณ์โดยใช้ D Flip-Flop ร่วมกับพอร์ต XOR ดังนี้:

วงจร Flip-Flop T ที่เปิดใช้งานด้วยขอบ

Examp วงจร: เปิด/ปิด LED

ตัวอย่างเช่น คุณสามารถเปิดและปิดไดโอดเปล่งแสง (LED) ได้ด้วยการกดปุ่ม T Flip-Flop และตัวต้านทานบางตัว ดูวงจรด้านล่าง:

คุณจะเห็นอินพุต T เชื่อมต่อกับ 5V นั่นคือตรรกะ 1 ดังนั้น ทุกครั้งที่คุณเปิดใช้งาน T Flip-Flop เอาต์พุต Q จะเปลี่ยนสถานะ

อินพุต Clk ใช้การกําหนดค่าความต้านทานแบบดึงลง ซึ่งหมายความว่าอินพุต Clk จะเท่ากับ 0 เมื่อไม่ได้กดปุ่ม เมื่อคุณกดปุ่ม PB1 อินพุต Clk จะเปลี่ยนจาก 0 เป็น 1 (สัญญาณขอบขึ้น)

ดังนั้น ทุกครั้งที่กด PB1 ไฟ LED ที่เชื่อมต่อกับเอาต์พุต Q จะเปิดหรือปิด

ในการประกอบวงจรด้านบนคุณต้อง:

  • 1x วงจร Flip-Flop T (เช่น โดยการรวม CD4013 และ CD4030)
  • ตัวต้านทาน 2 kΩ 10 ตัว (R1 และ R2)
  • 1x ไฟฟ้า trở 330 Ω (R3)
  • 1x ปุ่มกด
  • 1 เครื่องกําเนิดไฟฟ้า LED

Lorem ipsum dolor sit amet, consectetur adipiscing elit. Suspendisse varius enim in eros elementum tristique. Duis cursus, mi quis viverra ornare, eros dolor interdum nulla, ut commodo diam libero vitae erat. Aenean faucibus nibh et justo cursus id rutrum lorem imperdiet. Nunc ut sem vitae risus tristique posuere.

บทความที่เกี่ยวข้อง

T Flip-Flop (บทช่วยสอนเริ่มต้นอย่างรวดเร็ว)

T Flip-Flop (บทช่วยสอนเริ่มต้นอย่างรวดเร็ว)

ในบทช่วยสอนเริ่มต้นฉบับย่อนี้ คุณจะได้เรียนรู้วิธีการทํางาน ตารางความจริง และวิธีสร้างตารางความจริง

Lorem ipsum dolor amet consectetur adipiscing elit tortor massa arcu non.

Flip-Flop T เป็นฟลิปฟล็อปแบบพลิกกลับได้เอาต์พุต กลับด้าน เช่น แปลงเอาต์พุตเป็นค่าตรงกันข้าม 1 ถึง 0 และ 0 ถึง 1 ฟลิปฟล็อปประเภทนี้มักใช้ในเคาน์เตอร์และตัวแบ่งความถี่

ไอคอน T Flip Flop

รองเท้าแตะ T-toe คืออะไร?

ฟลิปฟล็อปเป็นส่วนประกอบที่ใช้กันทั่วไปในการจัดเก็บค่าตัวเลขบนเอาต์พุต พวกเขามีอินพุตนาฬิกา (Clk) ที่กําหนดว่าเมื่อใดควรอัปเดตเอาต์พุต

Flip-Flop เป็นฟลิปฟล็อปอินพุตเดี่ยวที่มีหน้าที่เก็บหรือแปลงค่าเอาต์พุต

การสลับซึ่งเป็นเหตุผลว่าทําไม "T" ในชื่อจึงหมายถึงการสลับไปมาระหว่างสองสถานะ หากเอาต์พุตเป็น 1 การสลับจะเปลี่ยนเอาต์พุตเป็น 0 หากเอาต์พุตเป็น 0 การสลับจะแปลงเอาต์พุตเป็น 1

คุณสามารถสร้าง T Flip-Flop จากฟลิปฟล็อปอื่นๆ ได้ เช่น โดยใช้ฟลิปฟล็อป JK และเชื่อมต่ออินพุต J และ K ดังนี้:

การออกแบบวงจรฟลิปฟล็อป

กระดานความจริง

โดยทั่วไป คุณสามารถเรียกใช้ T Flip-Flop ได้ด้วยสัญญาณขอบที่ลดลง เช่น การเปลี่ยนแปลงจากสถานะตัวเลขจาก 0 เป็น 1 ↓ หรือโดยสัญญาณขอบที่เพิ่มขึ้น เช่น การเปลี่ยนแปลงจาก 1 เป็น 0 ↑ ตารางความจริงต่อไปนี้สอดคล้องกับฟลิปฟล็อปที่ทริกเกอร์บนขอบที่เพิ่มขึ้น:

T กระดานความจริง Flip-Flop

คุณจะเห็นได้ว่าหากไม่มีขอบที่เพิ่มขึ้นที่อินพุต Clk ไม่ว่าคุณจะใส่อะไรลงในอินพุต T เอาต์พุต Q จะไม่เปลี่ยนแปลง

คล้ายกับกรณีก่อนหน้านี้เมื่ออินพุต T มีค่าเป็น 0 แม้ว่าฟลิปฟล็อปจะเปิดใช้งาน แต่หากเอาต์พุต Q มีค่า 0 หรือ 1 ก็จะยังคงเหมือนเดิม

ในการรับพฤติกรรมการสลับ คุณต้องใส่หมายเลข 1 บนอินพุต T คุณจะเห็นการเปลี่ยนแปลงจาก 0 เป็น 1 หรือจาก 1 เป็น 0 ทุกครั้งที่เปิดใช้งานฟลิปฟล็อป คุณสามารถดูลักษณะการทํางานนี้ได้ในไทม์ไลน์ด้านล่าง:

แผนภูมิเวลาสําหรับ T Flip-Flop

T การก่อสร้างวงจรพลิก

คุณสามารถสร้าง Flip-Flop T ได้ง่ายๆ โดยการลัดวงจรอินพุต J และ K ของ Flip-Flop JK อย่างไรก็ตาม บางเว็บไซต์แนะนําให้คุณสร้างวงจรดังนี้ แต่นี่เป็นวงจรที่ไม่สมบูรณ์และจะทํางานไม่ถูกต้อง:

ในทางทฤษฎีดูเหมือนว่าจะได้ผล แต่สิ่งที่เว็บไซต์ส่วนใหญ่โพสต์วงจรนี้ไม่ได้กล่าวถึงคือคุณต้องมีชีพจรสั้นมากจึงจะทํางานได้

นาฬิกาของคุณต้องขึ้นไปที่ระดับสูง แล้วลดลงไปที่ระดับต่ําอีกครั้งก่อนที่เอาต์พุต (Q) จะเปลี่ยนสถานะ มิฉะนั้น เอาต์พุต Q จะสลับระหว่าง 1 ถึง 0 อย่างรวดเร็วในช่วงอิมพัลส์บวก คุณสามารถดูปรากฏการณ์นี้ได้ในไทม์ไลน์ต่อไปนี้:

นี่คือปัญหาที่เรียกว่าการแข่งรถ แต่สามารถแก้ไขได้ง่ายโดยใช้ JK Flip-Flop ที่เปิดใช้งานด้วยขอบ

คุณยังสามารถสร้าง T Flip-Flop ที่ทํางานได้อย่างสมบูรณ์โดยใช้ D Flip-Flop ร่วมกับพอร์ต XOR ดังนี้:

วงจร Flip-Flop T ที่เปิดใช้งานด้วยขอบ

Examp วงจร: เปิด/ปิด LED

ตัวอย่างเช่น คุณสามารถเปิดและปิดไดโอดเปล่งแสง (LED) ได้ด้วยการกดปุ่ม T Flip-Flop และตัวต้านทานบางตัว ดูวงจรด้านล่าง:

คุณจะเห็นอินพุต T เชื่อมต่อกับ 5V นั่นคือตรรกะ 1 ดังนั้น ทุกครั้งที่คุณเปิดใช้งาน T Flip-Flop เอาต์พุต Q จะเปลี่ยนสถานะ

อินพุต Clk ใช้การกําหนดค่าความต้านทานแบบดึงลง ซึ่งหมายความว่าอินพุต Clk จะเท่ากับ 0 เมื่อไม่ได้กดปุ่ม เมื่อคุณกดปุ่ม PB1 อินพุต Clk จะเปลี่ยนจาก 0 เป็น 1 (สัญญาณขอบขึ้น)

ดังนั้น ทุกครั้งที่กด PB1 ไฟ LED ที่เชื่อมต่อกับเอาต์พุต Q จะเปิดหรือปิด

ในการประกอบวงจรด้านบนคุณต้อง:

  • 1x วงจร Flip-Flop T (เช่น โดยการรวม CD4013 และ CD4030)
  • ตัวต้านทาน 2 kΩ 10 ตัว (R1 และ R2)
  • 1x ไฟฟ้า trở 330 Ω (R3)
  • 1x ปุ่มกด
  • 1 เครื่องกําเนิดไฟฟ้า LED

Related articles