เรียนรู้วิธีแก้ไขเสียงที่บิดเบี้ยวเพื่อประสบการณ์การฟังที่ชัดเจนยิ่งขึ้น
การบิดเบือนครอสโอเวอร์เป็นการบิดเบือนแบบไม่เชิงเส้นประเภทหนึ่งของรูปคลื่นเอาต์พุตที่มีอยู่ใน Class-B อันเป็นผลมาจากการเปลี่ยนสัญญาณจากอุปกรณ์สลับเอาต์พุตหนึ่งไปยังอีกเครื่องหนึ่ง
การบิดเบือนคือการทําซ้ําสัญญาณอินพุตที่เอาต์พุตของแอมพลิฟายเออร์อย่างไม่แน่นอน เนื่องจากการออกแบบสองขั้นตอนแอมพลิฟายเออร์แบบกดดึงจึงประสบปัญหาการบิดเบือนครอสโอเวอร์ของรูปคลื่นเอาต์พุตรอบจุดครอสโอเวอร์เป็นศูนย์
เราได้เห็นแล้วว่าข้อเสียเปรียบหลักประการหนึ่งของการกําหนดค่าแอมพลิฟายเออร์คลาส A คืออัตราประสิทธิภาพการใช้พลังงานเต็มรูปแบบที่ต่ําเนื่องจากมีอคติรอบจุด Q ตรงกลาง
แต่เรายังรู้ด้วยว่าเราสามารถปรับปรุงแอมพลิฟายเออร์และเพิ่มประสิทธิภาพเกือบสองเท่าได้ง่ายๆ โดยการเปลี่ยนขั้นตอนเอาต์พุตของแอมพลิฟายเออร์เป็นการกําหนดค่าแบบกด-ดึงคลาส B
อย่างไรก็ตามนี่เป็นสิ่งที่ดีจากมุมมองด้านประสิทธิภาพ แต่แอมพลิฟายเออร์ Class-B และ Class-AB ที่ทันสมัยส่วนใหญ่ไม่มีหม้อแปลงโดยใช้คู่เสริมที่มีทรานซิสเตอร์สองตัว NPN หนึ่งตัวและ PNP หนึ่งตัวในขั้นตอนเอาต์พุต
ส่งผลให้เกิดปัญหาพื้นฐานหลักประการหนึ่งของแอมพลิฟายเออร์แบบกดดึง เนื่องจากทรานซิสเตอร์ทั้งสองไม่รวมกันอย่างสมบูรณ์ที่เอาต์พุตทั้งสองส่วนของรูปคลื่นเนื่องจากการจัดเรียงอคติตัดเป็นศูนย์ที่ไม่เหมือนใคร
เนื่องจากปัญหานี้เกิดขึ้นเมื่อสัญญาณเปลี่ยนหรือ "ข้าม" จากทรานซิสเตอร์สวิตชิ่งหนึ่งไปยังอีกตัวหนึ่งที่จุดแรงดันไฟฟ้าเป็นศูนย์ จึงทําให้เกิดจํานวน "การบิดเบือน" กับรูปร่างคลื่นเอาต์พุต ส่งผลให้เกิดสภาวะที่เรียกกันทั่วไปว่าการบิดเบือนครอสโอเวอร์
การบิดเบือนครอสโอเวอร์สร้างแรงดันไฟฟ้าเป็นศูนย์ "จุดแบน" หรือ "เดดแบนด์" บนรูปร่างคลื่นเอาต์พุตเมื่อข้ามจากครึ่งหนึ่งของรูปคลื่นไปยังอีกครึ่งหนึ่ง
เหตุผลก็คือช่วงเปลี่ยนผ่านเมื่อทรานซิสเตอร์สลับจากทรานซิสเตอร์หนึ่งไปยังอีกอันหนึ่งไม่หยุดหรือเริ่มต้นที่จุดครอสโอเวอร์ศูนย์จึงทําให้เกิดความล่าช้าเล็กน้อยระหว่างทรานซิสเตอร์ตัวแรกที่เปลี่ยน "ปิด" และทรานซิสเตอร์ตัวที่สองที่เปิด "เปิด"
ความล่าช้านี้ส่งผลให้ทรานซิสเตอร์ทั้งสองถูกปิด "ปิด" ในเวลาเดียวกันทําให้เกิดรูปร่างคลื่นเอาต์พุตดังที่แสดงด้านล่าง

เพื่อไม่ให้มีการบิดเบือนของรูปคลื่นเอาต์พุตเราต้องสันนิษฐานว่าทรานซิสเตอร์แต่ละตัวเริ่มดําเนินการเมื่อแรงดันฐานถึงตัวปล่อยเพิ่มขึ้นเหนือศูนย์ แต่เรารู้ว่าสิ่งนี้ไม่เป็นความจริงเพราะสําหรับทรานซิสเตอร์ไบโพลาร์ซิลิกอนแรงดันไฟฟ้าฐานของตัวปล่อยจะต้องสูงถึงอย่างน้อย 0.7v ก่อนที่ทรานซิสเตอร์จะเริ่มดําเนินการ
ค่า 0.7V นี้เกิดจากแรงดันไดโอดไปข้างหน้าของทางแยก PN ของตัวปล่อยฐาน จึงทําให้เกิดจุดแบนนี้ เอฟเฟกต์การบิดเบือนแบบครอสโอเวอร์นี้ยังช่วยลดค่าสูงสุดถึงค่าสูงสุดโดยรวมของรูปคลื่นเอาต์พุต ทําให้กําลังขับสูงสุดลดลงดังที่แสดงด้านล่าง

เอฟเฟกต์นี้เด่นชัดน้อยกว่าสําหรับสัญญาณอินพุตขนาดใหญ่ เนื่องจากแรงดันไฟฟ้าขาเข้ามักจะค่อนข้างใหญ่ แต่สําหรับสัญญาณอินพุตที่เล็กกว่า อาจรุนแรงกว่าทําให้เกิดการบิดเบือนของเสียงไปยังเครื่องขยายเสียง
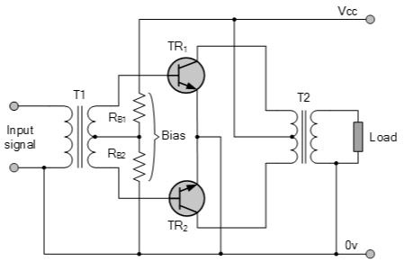
ปัญหาของการบิดเบือนครอสโอเวอร์สามารถลดลงได้มากโดยใช้แรงดันไบแอสเบสไปข้างหน้าเล็กน้อย (แนวคิดเดียวกับที่เห็นในบทช่วยสอนทรานซิสเตอร์) กับฐานของทรานซิสเตอร์ทั้งสองผ่านการแตะตรงกลางของหม้อแปลงอินพุตดังนั้นทรานซิสเตอร์จึงไม่ลําเอียงที่จุดตัดศูนย์อีกต่อไป แต่จะ "อคติล่วงหน้า" ในระดับที่กําหนดโดยแรงดันไฟฟ้าไบแอสใหม่นี้

การให้อคติล่วงหน้าของตัวต้านทานประเภทนี้ทําให้ทรานซิสเตอร์ตัวหนึ่งเปิด "เปิด" ในเวลาเดียวกันกับทรานซิสเตอร์อีกตัวหนึ่งที่ "ปิด" เนื่องจากทรานซิสเตอร์ทั้งสองมีอคติเหนือจุดตัดเดิมเล็กน้อย อย่างไรก็ตาม เพื่อให้บรรลุเป้าหมายนี้ แรงดันไบแอสจะต้องเป็นอย่างน้อยสองเท่าของฐานปกติถึงแรงดันไฟฟ้าของตัวปล่อยเพื่อเปิด "เปิด" ทรานซิสเตอร์
การให้อคติล่วงหน้านี้ยังสามารถนําไปใช้ในแอมพลิฟายเออร์แบบไม่มีหม้อแปลงที่ใช้ทรานซิสเตอร์เสริมโดยเพียงแค่เปลี่ยนตัวต้านทานตัวแบ่งศักยภาพสองตัวด้วยไดโอดอคติดังที่แสดงด้านล่าง

แรงดันไฟฟ้าที่มีอคติล่วงหน้านี้ไม่ว่าจะเป็นหม้อแปลงหรือใช้ไดโอดสองตัวมีผลต่อการเคลื่อนย้ายแอมพลิฟายเออร์ Q-point เหนือจุดตัดเดิม สิ่งนี้ทําให้ทรานซิสเตอร์แต่ละตัวทํางานภายในพื้นที่ที่ใช้งานอยู่ได้มากกว่าครึ่งหนึ่งหรือ 180o ของแต่ละครึ่งรอบเล็กน้อย
กล่าวอีกนัยหนึ่งคือ 180o + อคติ ปริมาณของแรงดันไบแอสไดโอดที่ขั้วฐานของทรานซิสเตอร์สามารถเพิ่มขึ้นได้หลายเท่าโดยการเพิ่มไดโอดเพิ่มเติมเป็นอนุกรม จากนั้นจะสร้างวงจรแอมพลิฟายเออร์ที่เรียกกันทั่วไปว่าแอมพลิฟายเออร์คลาส AB และการจัดเรียงอคติแสดงไว้ด้านล่าง

จากนั้นเราจะเห็นได้จากลักษณะเอาต์พุตที่การเพิ่มแรงดันไบแอสคงที่ที่ตั้งไว้ล่วงหน้าซึ่งน้อยกว่าแรงดันไฟฟ้าเกณฑ์เล็กน้อยทรานซิสเตอร์จะเปิดขึ้นมากกว่าครึ่งรอบของสัญญาณ ดังนั้นการบิดเบือนครอสโอเวอร์จะถูกกําจัดในขณะที่แอมพลิจูดและเฟสของสัญญาณเอาต์พุตยังคงเหมือนเดิม
ดังนั้นการกําหนดค่าแอมพลิฟายเออร์ Class-AB จึงเอาชนะข้อเสียของประสิทธิภาพต่ําในแอมพลิฟายเออร์คลาส A และปัญหาครอสโอเวอร์ของแอมพลิฟายเออร์คลาส-B ด้วยการให้อคติล่วงหน้าของไดโอดทรานซิสเตอร์จะอยู่ในสถานะเปิดอยู่แล้วเมื่อสัญญาณมาถึงจึงใช้ประโยชน์จากข้อดีของคลาสแอมพลิฟายเออร์ทั้งสองคลาส
จากนั้นสรุป Crossover Distortion เกิดขึ้นในแอมพลิฟายเออร์คลาส B เนื่องจากแอมพลิฟายเออร์มีอคติที่จุดตัด ส่งผลให้ทรานซิสเตอร์ทั้งสองถูกปิดในเวลาเดียวกันเมื่อรูปคลื่นข้ามแกนศูนย์
ด้วยการใช้แรงดันไบแอสฐานขนาดเล็กโดยใช้วงจรแบ่งศักย์ไฟฟ้าต้านทานหรือการให้อคติของไดโอดการบิดเบือนครอสโอเวอร์นี้สามารถลดลงได้อย่างมากหรือแม้กระทั่งกําจัดได้อย่างสมบูรณ์โดยการนําทรานซิสเตอร์ไปยังจุดที่เพิ่งเปิด "เปิด"
การประยุกต์ใช้แรงดันไฟฟ้าไบแอสซิ่งทําให้เกิดวงจรแอมพลิฟายเออร์ประเภทอื่นหรือคลาสอื่นที่เรียกกันทั่วไปว่าแอมพลิฟายเออร์คลาส AB จากนั้นความแตกต่างระหว่างแอมพลิฟายเออร์คลาส B บริสุทธิ์และแอมพลิฟายเออร์คลาส AB ที่ได้รับการปรับปรุงจะอยู่ในระดับไบแอสที่ใช้กับทรานซิสเตอร์เอาต์พุต
ข้อได้เปรียบที่สําคัญประการหนึ่งของการใช้ไดโอดเหนือตัวต้านทานคือทางแยก PN จะชดเชยความผันแปรของอุณหภูมิของทรานซิสเตอร์
ดังนั้นเราจึงสามารถพูดได้อย่างถูกต้องว่าแอมพลิฟายเออร์ Class-AB เป็นแอมพลิฟายเออร์ Class-B ที่มีประสิทธิภาพพร้อม "อคติ" ที่เพิ่มเข้ามา และเราสามารถสรุปได้ดังนี้:
นอกจากคลาสแอมพลิฟายเออร์สามคลาสข้างต้นแล้ว ยังมีคลาสแอมพลิฟายเออร์ประสิทธิภาพสูงอีกหลายคลาสที่เกี่ยวข้องกับการออกแบบแอมพลิฟายเออร์แบบสวิตชิ่งที่ใช้เทคนิคการสลับที่แตกต่างกันเพื่อลดการสูญเสียพลังงานและเพิ่มประสิทธิภาพ
การออกแบบแอมพลิฟายเออร์เหล่านี้บางส่วนใช้เครื่องสะท้อนเสียง RLC หรือแรงดันไฟฟ้าของแหล่งจ่ายไฟหลายตัวเพื่อช่วยลดการสูญเสียพลังงานและการบิดเบือน