
คู่มือที่ครอบคลุมนี้จะเจาะลึกเกี่ยวกับวงจรสนับเบอร์ โดยอธิบายหลักการพื้นฐาน ประเภทต่างๆ และการประยุกต์ใช้ในทางปฏิบัติในอุปกรณ์อิเล็กทรอนิกส์
ในบทความนี้ เราจะพูดถึงวงจร Snubber โดยจะเริ่มบทความด้วยการแนะนำวงจร Snubber จากนั้นจะพูดถึงส่วนประกอบและโครงสร้างของวงจร จากนั้นจะพูดถึงหลักการทำงานและประเภทของวงจร และสุดท้าย เราจะพูดถึงข้อดี ข้อเสีย แอปพลิเคชัน และคำถามที่พบบ่อย
วงจรสนับเบอร์ (Snubber Circuit) คือวงจรอิเล็กทรอนิกส์ที่ประกอบด้วยตัวต้านทานและตัวเก็บประจุเชื่อมต่อ แบบขนานกัน ทั่วอุปกรณ์สวิตชิ่ง วงจรสนับเบอร์ใช้เพื่อป้องกันแรงดันไฟกระชากที่เกิดขึ้นเนื่องจากการหยุดชะงักหรือการเปลี่ยนแปลงของกระแสไฟฟ้าอย่างกะทันหัน วงจรสนับเบอร์นี้ใช้เพื่อป้องกันส่วนประกอบอิเล็กทรอนิกส์ที่ไวต่อไฟฟ้าจากแรงดันไฟกระชากที่ทำให้เกิดแรงดันไฟฟ้าสูง วงจรสนับเบอร์เหล่านี้ติดตั้งทับอุปกรณ์เซมิคอนดักเตอร์เพื่อป้องกันและลดการสูญเสียจากสวิตชิ่ง ซึ่งช่วยเพิ่มประสิทธิภาพการทำงาน วงจรสนับเบอร์ช่วยลดการเกิดแรงดันชั่วขณะในระบบไฟฟ้า แรงดันชั่วขณะในระบบของไหล และแรงเกินในระบบเครื่องกล
ไม่ว่าจะใช้วงจรแบบใด วงจรสนับเบอร์จำเป็นต้องใช้อุปกรณ์แบบพาสซีฟ เช่น ตัวต้านทาน ตัวเก็บประจุ และไดโอด แรงดันไฟฟ้ากระชากเหล่านี้สามารถนำไปสู่ความล้มเหลวของระบบได้ วงจรสนับเบอร์ที่มีไดโอดถูกนำมาใช้เพื่อลดปัญหาเหล่านี้ วงจรสนับเบอร์เหล่านี้ช่วยลดแรงดันไฟฟ้าชั่วขณะที่เกิดขึ้นระหว่างกระบวนการปิดได โอดแรงดันไฟฟ้ากระชากชั่วขณะเหล่านี้อาจทำให้เกิดสัญญาณรบกวนทางแม่เหล็กไฟฟ้าและความเครียดจากแรงดันไฟฟ้าต่ออุปกรณ์ หรืออาจทำให้ไดโอดเสียหายได้
การใช้วงจรสนับเบอร์สามารถป้องกันการทำงานของวงจรป้องกัน ลดการสั่น และเพิ่มประสิทธิภาพได้ เพื่อทำความเข้าใจเรื่องนี้ ลองยกตัวอย่าง โหลดแบบเหนี่ยวนำสามารถสร้างแรงดันไฟกระชากสูง และอาจเกินพิกัดแรงดันไฟฟ้าของอุปกรณ์อื่นๆ ได้ การใช้วงจรสนับเบอร์สามารถช่วยลดแรงดันไฟกระชากเหล่านี้ได้

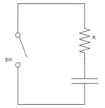
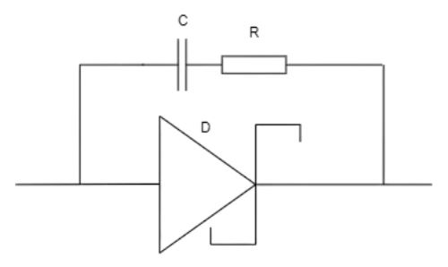
วงจรสนับเบอร์ (snubber circuit) สร้างขึ้นตามรูปแบบที่ต้องการ วงจรสนับเบอร์แบบ RC ที่พบมากที่สุดคือวงจรสนับเบอร์แบบ RC ซึ่ง ตัวต้านทาน และตัวเก็บประจุเชื่อมต่อแบบอนุกรมกันทั่วอุปกรณ์ ตัวต้านทานจะจำกัดการไหลของกระแส และตัวเก็บประจุจะดูดซับพลังงานจากแรงดันไฟกระชากโดยการควบคุมอัตราการเพิ่มขึ้นของแรงดันไฟฟ้า ค่า R และ C ที่เหมาะสมเป็นสิ่งสำคัญอย่างยิ่งต่อการป้องกันแรงดันไฟกระชากชั่วขณะอย่างมีประสิทธิภาพ ในวงจรสนับเบอร์แบบ RCD ไดโอดจะเชื่อมต่อแบบขนานกับตัวต้านทานและตัวเก็บประจุ ซึ่งช่วยให้กระแสไฟฟ้าคายประจุมีความต้านทานต่ำ โดยเฉพาะในวงจรที่มีโหลดเหนี่ยวนำ
วงจรสนับเบอร์สำหรับไดโอดทำงานโดยอาศัยหลักการดูดซับ พลังงาน จากแรงดันไฟฟ้าชั่วขณะและจำกัดอัตราการเปลี่ยนแปลงของแรงดันไฟฟ้าคร่อมไดโอด ในโหลดแบบเหนี่ยวนำ เมื่อสวิตช์ไดโอดถูกปิด แรงดันไฟฟ้าอาจเปลี่ยนแปลงอย่างรวดเร็ว นำไปสู่แรงดันไฟฟ้ากระชาก และอาจเกิดความเสียหายต่อส่วนประกอบและไดโอดเอง
ประเภทที่พบมากที่สุดคือ RC snubber ซึ่งประกอบด้วยตัวต้านทานและตัวเก็บประจุที่เชื่อมต่อกันข้ามไดโอด ตัวต้านทานจะจำกัดการไหลของกระแสผ่านตัวเก็บประจุ ในขณะที่ตัวเก็บประจุจะดูดซับพลังงานจากแรงดันไฟฟ้าที่พุ่งสูงซึ่งป้องกันไม่ให้ไปถึงระดับแรงดันไฟฟ้าสูงและลดโอกาสที่อุปกรณ์จะเสียหาย
หากเพิ่มไดโอดเพิ่มเติมเข้ากับชุด RC นี้ (เช่น วงจรสนับเบอร์ RCD) จะทำให้มีเส้นทางคายประจุอิมพีแดนซ์ต่ำสำหรับกระแสชั่วขณะ วงจรสนับเบอร์จะช่วยเพิ่มความน่าเชื่อถือ ลด สัญญาณรบกวนทางแม่เหล็กไฟฟ้า และเพิ่มอายุการใช้งาน โดยการควบคุมแรงดันไฟฟ้าชั่วขณะ
วงจรสนับเบอร์มีสองรูปแบบ คือ
นี่คือวงจรสนับเบอร์ที่ใช้กันทั่วไปที่สุด ซึ่งประกอบด้วยตัวต้านทานและตัวเก็บประจุที่ต่อเชื่อมกันบนไดโอด เมื่อไดโอดถูกปิด โหลดเหนี่ยวนำจะพยายามรักษาการไหลของกระแส ซึ่งทำให้แรงดันไฟฟ้าเปลี่ยนแปลงอย่างรวดเร็วบนไดโอด ซึ่งนำไปสู่แรงดันไฟกระชาก วงจรนี้ทำหน้าที่เป็นเส้นทางสำหรับกระแสชั่วขณะผ่านวงจร RC ตัวต้านทานจะจำกัดการไหลของกระแสผ่านตัวเก็บประจุเพื่อป้องกันกระแสคายประจุที่มากเกินไป ตัวเก็บประจุจะดูดซับพลังงานจากแรงดันไฟกระชากและยับยั้งการเพิ่มขึ้นของแรงดันไฟฟ้า

วงจรสนับเบอร์ RCD มีลักษณะคล้ายคลึงกับวงจรสนับเบอร์ RC ที่มีไดโอดต่อแบบขนานเพิ่มเติม วงจรนี้ใช้สำหรับโหลดที่มีความเหนี่ยวนำสูง ไดโอดทำหน้าที่เป็นเส้นทางอิมพีแดนซ์ต่ำสำหรับกระแสดิสชาร์จและป้องกันแรงดันไฟกระชาก วงจรนี้ช่วยดูดซับและกระจายพลังงานชั่วขณะและป้องกันแรงดันไฟกระชากโดยให้กระแสชั่วขณะผ่านไดโอดที่ได้รับการป้องกัน

ดังนั้น วงจรสนับเบอร์จึงมีบทบาทสำคัญในการเพิ่มประสิทธิภาพและความน่าเชื่อถือของวงจรอิเล็กทรอนิกส์ โดยเฉพาะในแอปพลิเคชันที่มีการสลับรวดเร็วและแรงดันไฟฟ้าสูง วงจรสนับเบอร์มี 2 ประเภท คือ วงจรสนับเบอร์ RC และวงจรสนับเบอร์ RCD ซึ่งแต่ละประเภทมีข้อดีเฉพาะตัวและเหมาะสำหรับแอปพลิเคชันที่แตกต่างกัน
วงจรสนับเบอร์ RC ประกอบด้วยตัวต้านทานและตัวเก็บประจุที่ต่อขนานกันคร่อมไดโอด ตัวต้านทานช่วยในการกระจายพลังงาน ในขณะที่ตัวเก็บประจุทำหน้าที่ดูดซับแรงดันไฟฟ้าที่พุ่งสูงและลดการเกิดริงก์ สนับเบอร์ประเภทนี้มีโครงสร้างที่เรียบง่ายและมีประสิทธิภาพในการลดแรงดันไฟฟ้า
ในขณะที่สนับเบอร์ RCD ให้ประสิทธิภาพที่เหนือกว่าสนับเบอร์ RC โดยเฉพาะอย่างยิ่งในการใช้งานกำลังไฟฟ้าสูงและความถี่สูง วงจรสนับเบอร์ทุกประเภทจำเป็นต้องใช้อุปกรณ์แบบพาสซีฟ เช่น ตัวต้านทาน ตัวเก็บประจุ และไดโอด การเลือกอุปกรณ์เหล่านี้ขึ้นอยู่กับปัจจัยต่างๆ เช่น ความถี่ในการสวิตชิ่ง ระดับแรงดันไฟฟ้า และพิกัดกำลังไฟฟ้าของวงจร จำเป็นต้องพิจารณาอุปกรณ์เหล่านี้อย่างรอบคอบเพื่อออกแบบวงจรสนับเบอร์ที่มีประสิทธิภาพ