S-R Latch (Tutorial การเริ่มใช้งานรวดเร็ว)

ในบทช่วยสอนนี้ คุณจะได้เรียนรู้วิธีการทํางาน ตารางความจริง และวิธีสร้างตารางที่มีประตูลอจิกที่แตกต่างกัน

S-R Latch (Tutorial การเริ่มใช้งานรวดเร็ว)

SR latch คืออะไร?

ก่อนที่เราจะเริ่มต้นกับ SR แลตช์ คุณต้องรู้ก่อนว่าแลตช์คืออะไร แลตช์เป็นวงจรอะซิงโครนัส (ไม่จำเป็นต้องใช้สัญญาณนาฬิกาในการทำงาน) ที่มีสถานะเสถียรสองสถานะ คือ สูง (“1”) และต่ำ (“0”) ซึ่งสามารถใช้ในการจัดเก็บข้อมูลไบนารี วงจรลำดับและอุปกรณ์จัดเก็บข้อมูลขนาดใหญ่หลายชนิด เช่น ชิฟต์รีจิสเตอร์ ใช้แลตช์เป็นส่วนประกอบหลัก

แลตช์ที่ง่ายที่สุดคือแลตช์แบบตั้งค่า-รีเซ็ต (SR) คุณสามารถสร้างแลตช์ดังกล่าวได้โดยการเชื่อมต่อเกต NOR สองตัวเข้าด้วยกันโดยใช้ลูปป้อนกลับไขว้

SR Latch ที่มีเกต NOR

เส้นทางป้อนกลับนี้มีความสำคัญอย่างยิ่งสำหรับการเก็บข้อมูลบิตตราบใดที่วงจรยังได้รับพลังงาน ในวงจรนี้ เกตด้านบนมีอินพุต R และเอาต์พุตหลัก Q ในขณะที่เกตด้านล่างมีอินพุต S และเอาต์พุตกลับเฟส Q̅

กลไกการล็อก SR ทำงานอย่างไร?

ขั้นแรก เรามานิยามตารางความจริงของแลตช์ SR กันก่อน:

ตารางความจริงของ SR Latch

ต่อไปนี้ เรามาวิเคราะห์วิธีการทำงานของ SR latch โดยใช้ตารางความจริงและวงจรที่มีเกต NOR กัน โปรดสังเกตว่าเกต NOR จะให้เอาต์พุต "1" ก็ต่อเมื่ออินพุตทั้งสองเป็น "0" เท่านั้น หากเป็นอินพุตแบบอื่น เอาต์พุตจะเป็น "0"

จากตารางความจริง คุณจะเห็นได้ว่าเมื่ออินพุต S และ R ทั้งสองเท่ากับ "0" เอาต์พุต Q จะยังคงไม่เปลี่ยนแปลง นี่คือฟังก์ชันหน่วยความจำของแลตช์ SR ซึ่งจะเก็บค่าก่อนหน้าไว้ สมมติว่าเอาต์พุต Q ในสถานะปัจจุบันคือ "1" หากคุณตั้งค่าอินพุตทั้งสองเป็น "0" เอาต์พุตก็จะยังคงเป็น "1" ดังนี้:

ดังนั้น คุณจะ "รีเซ็ต" เอาต์พุต Q ให้เป็น "0" ได้อย่างไร? ดังที่คุณเห็นในตารางความจริง คุณต้องให้ค่า "1" ที่อินพุต R และค่า "0" ที่อินพุต S

อย่างไรก็ตาม หากคุณต้องการ "ตั้งค่า" ค่า "1" ที่เอาต์พุต Q เพียงทำตามตารางความจริงและตั้งค่า "1" ที่อินพุต S และค่า "0" ที่อินพุต R

สุดท้ายนี้ อินพุต S และ R จะไม่สามารถเป็น "1" พร้อมกันได้ เพราะเกต NOR จะให้เอาต์พุต "1" ก็ต่อเมื่ออินพุตทั้งสองเป็น "0" เท่านั้น แต่ถ้าอินพุตตัวใดตัวหนึ่งเป็น "1" เอาต์พุตจะเป็น "0" ดังนั้น ถ้า S และ R เป็น "1" เอาต์พุตของแลตช์ทั้งสองจะเป็น "0" พร้อมกัน ซึ่งขัดกับหลักการทำงานของแลตช์นี้

SR-LATCH พร้อมเกต NAND

วงจรแลตช์ SR สามารถสร้างได้โดยใช้เกต NAND สองตัว:

SR Latch ที่มีเกต NAND

ในวงจรด้านบน คุณจะสังเกตเห็นความแตกต่างเล็กน้อยเมื่อเทียบกับวงจรที่ใช้เกต NOR ตอนนี้อินพุตถูกสลับตำแหน่ง โดยอินพุต S อยู่ที่เกตด้านบน และอินพุต R อยู่ที่เกตด้านล่าง นอกจากนี้ อินพุตยังถูกกลับค่าด้วย

หลักการทำงานเหมือนกับเกต NOR เพียงแต่สลับขั้วอินพุต นี่คือตารางความจริง:

ตารางความจริงสำหรับ SR Latch ที่มีเกต NAND

วงจรตัวอย่าง

เพื่อเป็นตัวอย่างที่เป็นรูปธรรม คุณสามารถสร้างวงจรแลตช์ SR โดยใช้ชิป CD4001 ได้ ดังที่แสดงในภาพด้านล่าง ชิป CD4001 มีเกต NOR อยู่ภายใน 4 ตัว ซึ่งเหมาะสำหรับการใช้งานนี้

วงจรทำงานดังนี้: เมื่อกดปุ่ม PB2 ไฟ LED L2 จะสว่างขึ้นและยังคงสว่างอยู่แม้หลังจากปล่อยปุ่ม PB2 แล้ว ในขณะที่ไฟ LED L1 จะดับลง เมื่อกดปุ่ม PB1 ไฟ LED L2 จะดับลง ในขณะที่ไฟ LED L1 จะสว่างขึ้นและยังคงสว่างอยู่แม้หลังจากปล่อยปุ่ม PB1 แล้ว ในการประกอบวงจรข้างต้น คุณจะต้องใช้:

  • ชิป CD4001
  • ปุ่มกดสองปุ่ม (PB1 และ PB2)
  • ไฟ LED สองดวง
  • ตัวต้านทาน 10 kΩ สองตัว (R1 และ R2)
  • ตัวต้านทาน 330 โอห์ม สองตัว (R3 และ R4)

บทความที่เกี่ยวข้อง

S-R Latch (Tutorial การเริ่มใช้งานรวดเร็ว)

ในบทช่วยสอนนี้ คุณจะได้เรียนรู้วิธีการทํางาน ตารางความจริง และวิธีสร้างตารางที่มีประตูลอจิกที่แตกต่างกัน

นักเขียนบทความ
by 
นักเขียนบทความ
S-R Latch (Tutorial การเริ่มใช้งานรวดเร็ว)

S-R Latch (Tutorial การเริ่มใช้งานรวดเร็ว)

ในบทช่วยสอนนี้ คุณจะได้เรียนรู้วิธีการทํางาน ตารางความจริง และวิธีสร้างตารางที่มีประตูลอจิกที่แตกต่างกัน

SR latch คืออะไร?

ก่อนที่เราจะเริ่มต้นกับ SR แลตช์ คุณต้องรู้ก่อนว่าแลตช์คืออะไร แลตช์เป็นวงจรอะซิงโครนัส (ไม่จำเป็นต้องใช้สัญญาณนาฬิกาในการทำงาน) ที่มีสถานะเสถียรสองสถานะ คือ สูง (“1”) และต่ำ (“0”) ซึ่งสามารถใช้ในการจัดเก็บข้อมูลไบนารี วงจรลำดับและอุปกรณ์จัดเก็บข้อมูลขนาดใหญ่หลายชนิด เช่น ชิฟต์รีจิสเตอร์ ใช้แลตช์เป็นส่วนประกอบหลัก

แลตช์ที่ง่ายที่สุดคือแลตช์แบบตั้งค่า-รีเซ็ต (SR) คุณสามารถสร้างแลตช์ดังกล่าวได้โดยการเชื่อมต่อเกต NOR สองตัวเข้าด้วยกันโดยใช้ลูปป้อนกลับไขว้

SR Latch ที่มีเกต NOR

เส้นทางป้อนกลับนี้มีความสำคัญอย่างยิ่งสำหรับการเก็บข้อมูลบิตตราบใดที่วงจรยังได้รับพลังงาน ในวงจรนี้ เกตด้านบนมีอินพุต R และเอาต์พุตหลัก Q ในขณะที่เกตด้านล่างมีอินพุต S และเอาต์พุตกลับเฟส Q̅

กลไกการล็อก SR ทำงานอย่างไร?

ขั้นแรก เรามานิยามตารางความจริงของแลตช์ SR กันก่อน:

ตารางความจริงของ SR Latch

ต่อไปนี้ เรามาวิเคราะห์วิธีการทำงานของ SR latch โดยใช้ตารางความจริงและวงจรที่มีเกต NOR กัน โปรดสังเกตว่าเกต NOR จะให้เอาต์พุต "1" ก็ต่อเมื่ออินพุตทั้งสองเป็น "0" เท่านั้น หากเป็นอินพุตแบบอื่น เอาต์พุตจะเป็น "0"

จากตารางความจริง คุณจะเห็นได้ว่าเมื่ออินพุต S และ R ทั้งสองเท่ากับ "0" เอาต์พุต Q จะยังคงไม่เปลี่ยนแปลง นี่คือฟังก์ชันหน่วยความจำของแลตช์ SR ซึ่งจะเก็บค่าก่อนหน้าไว้ สมมติว่าเอาต์พุต Q ในสถานะปัจจุบันคือ "1" หากคุณตั้งค่าอินพุตทั้งสองเป็น "0" เอาต์พุตก็จะยังคงเป็น "1" ดังนี้:

ดังนั้น คุณจะ "รีเซ็ต" เอาต์พุต Q ให้เป็น "0" ได้อย่างไร? ดังที่คุณเห็นในตารางความจริง คุณต้องให้ค่า "1" ที่อินพุต R และค่า "0" ที่อินพุต S

อย่างไรก็ตาม หากคุณต้องการ "ตั้งค่า" ค่า "1" ที่เอาต์พุต Q เพียงทำตามตารางความจริงและตั้งค่า "1" ที่อินพุต S และค่า "0" ที่อินพุต R

สุดท้ายนี้ อินพุต S และ R จะไม่สามารถเป็น "1" พร้อมกันได้ เพราะเกต NOR จะให้เอาต์พุต "1" ก็ต่อเมื่ออินพุตทั้งสองเป็น "0" เท่านั้น แต่ถ้าอินพุตตัวใดตัวหนึ่งเป็น "1" เอาต์พุตจะเป็น "0" ดังนั้น ถ้า S และ R เป็น "1" เอาต์พุตของแลตช์ทั้งสองจะเป็น "0" พร้อมกัน ซึ่งขัดกับหลักการทำงานของแลตช์นี้

SR-LATCH พร้อมเกต NAND

วงจรแลตช์ SR สามารถสร้างได้โดยใช้เกต NAND สองตัว:

SR Latch ที่มีเกต NAND

ในวงจรด้านบน คุณจะสังเกตเห็นความแตกต่างเล็กน้อยเมื่อเทียบกับวงจรที่ใช้เกต NOR ตอนนี้อินพุตถูกสลับตำแหน่ง โดยอินพุต S อยู่ที่เกตด้านบน และอินพุต R อยู่ที่เกตด้านล่าง นอกจากนี้ อินพุตยังถูกกลับค่าด้วย

หลักการทำงานเหมือนกับเกต NOR เพียงแต่สลับขั้วอินพุต นี่คือตารางความจริง:

ตารางความจริงสำหรับ SR Latch ที่มีเกต NAND

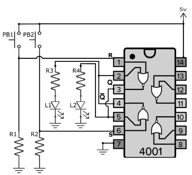
วงจรตัวอย่าง

เพื่อเป็นตัวอย่างที่เป็นรูปธรรม คุณสามารถสร้างวงจรแลตช์ SR โดยใช้ชิป CD4001 ได้ ดังที่แสดงในภาพด้านล่าง ชิป CD4001 มีเกต NOR อยู่ภายใน 4 ตัว ซึ่งเหมาะสำหรับการใช้งานนี้

วงจรทำงานดังนี้: เมื่อกดปุ่ม PB2 ไฟ LED L2 จะสว่างขึ้นและยังคงสว่างอยู่แม้หลังจากปล่อยปุ่ม PB2 แล้ว ในขณะที่ไฟ LED L1 จะดับลง เมื่อกดปุ่ม PB1 ไฟ LED L2 จะดับลง ในขณะที่ไฟ LED L1 จะสว่างขึ้นและยังคงสว่างอยู่แม้หลังจากปล่อยปุ่ม PB1 แล้ว ในการประกอบวงจรข้างต้น คุณจะต้องใช้:

  • ชิป CD4001
  • ปุ่มกดสองปุ่ม (PB1 และ PB2)
  • ไฟ LED สองดวง
  • ตัวต้านทาน 10 kΩ สองตัว (R1 และ R2)
  • ตัวต้านทาน 330 โอห์ม สองตัว (R3 และ R4)

Lorem ipsum dolor sit amet, consectetur adipiscing elit. Suspendisse varius enim in eros elementum tristique. Duis cursus, mi quis viverra ornare, eros dolor interdum nulla, ut commodo diam libero vitae erat. Aenean faucibus nibh et justo cursus id rutrum lorem imperdiet. Nunc ut sem vitae risus tristique posuere.

S-R Latch (Tutorial การเริ่มใช้งานรวดเร็ว)

S-R Latch (Tutorial การเริ่มใช้งานรวดเร็ว)

ในบทช่วยสอนนี้ คุณจะได้เรียนรู้วิธีการทํางาน ตารางความจริง และวิธีสร้างตารางที่มีประตูลอจิกที่แตกต่างกัน

Lorem ipsum dolor amet consectetur adipiscing elit tortor massa arcu non.

SR latch คืออะไร?

ก่อนที่เราจะเริ่มต้นกับ SR แลตช์ คุณต้องรู้ก่อนว่าแลตช์คืออะไร แลตช์เป็นวงจรอะซิงโครนัส (ไม่จำเป็นต้องใช้สัญญาณนาฬิกาในการทำงาน) ที่มีสถานะเสถียรสองสถานะ คือ สูง (“1”) และต่ำ (“0”) ซึ่งสามารถใช้ในการจัดเก็บข้อมูลไบนารี วงจรลำดับและอุปกรณ์จัดเก็บข้อมูลขนาดใหญ่หลายชนิด เช่น ชิฟต์รีจิสเตอร์ ใช้แลตช์เป็นส่วนประกอบหลัก

แลตช์ที่ง่ายที่สุดคือแลตช์แบบตั้งค่า-รีเซ็ต (SR) คุณสามารถสร้างแลตช์ดังกล่าวได้โดยการเชื่อมต่อเกต NOR สองตัวเข้าด้วยกันโดยใช้ลูปป้อนกลับไขว้

SR Latch ที่มีเกต NOR

เส้นทางป้อนกลับนี้มีความสำคัญอย่างยิ่งสำหรับการเก็บข้อมูลบิตตราบใดที่วงจรยังได้รับพลังงาน ในวงจรนี้ เกตด้านบนมีอินพุต R และเอาต์พุตหลัก Q ในขณะที่เกตด้านล่างมีอินพุต S และเอาต์พุตกลับเฟส Q̅

กลไกการล็อก SR ทำงานอย่างไร?

ขั้นแรก เรามานิยามตารางความจริงของแลตช์ SR กันก่อน:

ตารางความจริงของ SR Latch

ต่อไปนี้ เรามาวิเคราะห์วิธีการทำงานของ SR latch โดยใช้ตารางความจริงและวงจรที่มีเกต NOR กัน โปรดสังเกตว่าเกต NOR จะให้เอาต์พุต "1" ก็ต่อเมื่ออินพุตทั้งสองเป็น "0" เท่านั้น หากเป็นอินพุตแบบอื่น เอาต์พุตจะเป็น "0"

จากตารางความจริง คุณจะเห็นได้ว่าเมื่ออินพุต S และ R ทั้งสองเท่ากับ "0" เอาต์พุต Q จะยังคงไม่เปลี่ยนแปลง นี่คือฟังก์ชันหน่วยความจำของแลตช์ SR ซึ่งจะเก็บค่าก่อนหน้าไว้ สมมติว่าเอาต์พุต Q ในสถานะปัจจุบันคือ "1" หากคุณตั้งค่าอินพุตทั้งสองเป็น "0" เอาต์พุตก็จะยังคงเป็น "1" ดังนี้:

ดังนั้น คุณจะ "รีเซ็ต" เอาต์พุต Q ให้เป็น "0" ได้อย่างไร? ดังที่คุณเห็นในตารางความจริง คุณต้องให้ค่า "1" ที่อินพุต R และค่า "0" ที่อินพุต S

อย่างไรก็ตาม หากคุณต้องการ "ตั้งค่า" ค่า "1" ที่เอาต์พุต Q เพียงทำตามตารางความจริงและตั้งค่า "1" ที่อินพุต S และค่า "0" ที่อินพุต R

สุดท้ายนี้ อินพุต S และ R จะไม่สามารถเป็น "1" พร้อมกันได้ เพราะเกต NOR จะให้เอาต์พุต "1" ก็ต่อเมื่ออินพุตทั้งสองเป็น "0" เท่านั้น แต่ถ้าอินพุตตัวใดตัวหนึ่งเป็น "1" เอาต์พุตจะเป็น "0" ดังนั้น ถ้า S และ R เป็น "1" เอาต์พุตของแลตช์ทั้งสองจะเป็น "0" พร้อมกัน ซึ่งขัดกับหลักการทำงานของแลตช์นี้

SR-LATCH พร้อมเกต NAND

วงจรแลตช์ SR สามารถสร้างได้โดยใช้เกต NAND สองตัว:

SR Latch ที่มีเกต NAND

ในวงจรด้านบน คุณจะสังเกตเห็นความแตกต่างเล็กน้อยเมื่อเทียบกับวงจรที่ใช้เกต NOR ตอนนี้อินพุตถูกสลับตำแหน่ง โดยอินพุต S อยู่ที่เกตด้านบน และอินพุต R อยู่ที่เกตด้านล่าง นอกจากนี้ อินพุตยังถูกกลับค่าด้วย

หลักการทำงานเหมือนกับเกต NOR เพียงแต่สลับขั้วอินพุต นี่คือตารางความจริง:

ตารางความจริงสำหรับ SR Latch ที่มีเกต NAND

วงจรตัวอย่าง

เพื่อเป็นตัวอย่างที่เป็นรูปธรรม คุณสามารถสร้างวงจรแลตช์ SR โดยใช้ชิป CD4001 ได้ ดังที่แสดงในภาพด้านล่าง ชิป CD4001 มีเกต NOR อยู่ภายใน 4 ตัว ซึ่งเหมาะสำหรับการใช้งานนี้

วงจรทำงานดังนี้: เมื่อกดปุ่ม PB2 ไฟ LED L2 จะสว่างขึ้นและยังคงสว่างอยู่แม้หลังจากปล่อยปุ่ม PB2 แล้ว ในขณะที่ไฟ LED L1 จะดับลง เมื่อกดปุ่ม PB1 ไฟ LED L2 จะดับลง ในขณะที่ไฟ LED L1 จะสว่างขึ้นและยังคงสว่างอยู่แม้หลังจากปล่อยปุ่ม PB1 แล้ว ในการประกอบวงจรข้างต้น คุณจะต้องใช้:

  • ชิป CD4001
  • ปุ่มกดสองปุ่ม (PB1 และ PB2)
  • ไฟ LED สองดวง
  • ตัวต้านทาน 10 kΩ สองตัว (R1 และ R2)
  • ตัวต้านทาน 330 โอห์ม สองตัว (R3 และ R4)

Related articles