ตัวนับจอห์นสันแบบ N บิตในตรรกะดิจิทัล

เรียนรู้เคล็ดลับของตัวนับจอห์นสันแบบ N บิต ซึ่งเป็นวงจรลำดับพื้นฐาน

ตัวนับจอห์นสันแบบ N บิตในตรรกะดิจิทัล

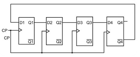
เคาน์เตอร์จอห์นสันหรือที่เรียกว่าเคาน์เตอร์คืบคลานเป็นตัวอย่างของเคาน์เตอร์ซิงโครนัส ในเคาน์เตอร์จอห์นสันเอาต์พุตเพิ่มเติมของฟลิปฟล็อปสุดท้ายจะเชื่อมต่อกับอินพุตของฟลิปฟล็อปตัวแรกและในการใช้ตัวนับจอห์นสัน n-bit เราจําเป็นต้องมีฟลิปฟล็อป n นี่เป็นหนึ่งในประเภทที่สําคัญที่สุดของเคาน์เตอร์ลงทะเบียนการกระจัด มันเกิดขึ้นจากการตอบสนองเอาต์พุตไปยังอินพุตของตัวเอง เคาน์เตอร์จอห์นสันเป็นวงแหวนที่มีการกลับตัว ชื่ออื่น ๆ สําหรับเคาน์เตอร์จอห์นสัน ได้แก่ เคาน์เตอร์เลื้อยเคาน์เตอร์เกลียวเคาน์เตอร์เดินเคาน์เตอร์มือถือและเคาน์เตอร์หางแบบสลับ.

เคาน์เตอร์จอห์นสันคืออะไร?

เคาน์เตอร์จอห์นสันเป็นเคาน์เตอร์ซิงโครนัสประเภทหนึ่งที่มีรูปแบบการนับพิเศษในกรณีนี้คือเคาน์เตอร์จอห์นสัน ทํางานโดยการป้อนสัญญาณเอาต์พุตเพิ่มเติมของฟลิปฟล็อปตัวสุดท้ายกลับเข้าไปในอินพุตของฟลิปฟล็อปตัวแรก ผลลัพธ์ของการตั้งค่านี้คือลําดับของสถานะที่สร้างลําดับที่ไม่ใช่ลักษณะของตัวนับวงแหวนทั่วไป .

ตัวนับจอห์นสันสามารถใช้งานได้โดยใช้ฟลิปฟล็อป n เพื่อนับสถานะแยกกัน 2n สถานะ ซึ่งเป็นคุณสมบัติที่ทําให้ดีกว่าตัวนับลูปที่ใช้ฟลิปฟล็อปจํานวนเท่ากัน เนื่องจากให้บริการจํานวนสถานะเป็นสองเท่า ตัวนับนี้ใช้ในแอปพลิเคชันที่จํานวนสถานะสูงกว่าจํานวนฟลิปฟล็อป นอกจากนี้ยังมีคุณสมบัติที่โดดเด่นของความสามารถในการถอดรหัสตัวเอง.

สถานะที่ใช้และไม่ได้ใช้ทั้งหมดในตัวนับ n-bit Johnson:

จํานวนสถานะที่ใช้ = 2N

จํานวนสถานะที่ไม่ได้ใช้ = 2n - 2*n

ตัวอย่าง:

ถ้า n=4

เคาน์เตอร์จอห์นสัน 4 บิต

ในขั้นต้น สมมติว่ารองเท้าแตะทั้งหมดถูกรีเซ็ต.

กระดานความจริง

จะไปที่ไหน,

CP คือนาฬิกาและ

Q1, Q2, Q3, Q4 เป็นรัฐ.

คําถาม: กําหนดจํานวนรวมของสถานะที่ใช้และไม่ได้ใช้ในตัวนับจอห์นสัน 4 บิต.

คําตอบ: จํานวนสถานะทั้งหมดที่ใช้ = 2*n

= 2*4

= 8

สถานะที่ไม่ได้ใช้ทั้งหมด = 2n - 2*n

= 24-2*4

= 8

ความแตกต่างระหว่าง Ring Counter และ Johnson Counter

ข้อดีของเคาน์เตอร์จอห์นสัน

  • เคาน์เตอร์จอห์นสันมีจํานวนรองเท้าแตะเท่ากัน แต่สามารถนับสถานะได้มากกว่าตัวนับแหวนถึงสองเท่า.
  • สามารถทําได้โดยใช้ฟลิปฟล็อป D และ JK.
  • ตัวนับวงแหวนจอห์นสันใช้เพื่อนับข้อมูลในลูปต่อเนื่อง.
  • เคาน์เตอร์จอห์นสันเป็นวงจรที่ถอดรหัสตัวเอง.

ข้อเสียของเคาน์เตอร์จอห์นสัน

  • ตัวนับจอห์นสันไม่นับในลําดับไบนารี.
  • จากข้อมูลของจอห์นสันจํานวนรัฐที่ไม่ได้ใช้นั้นมากกว่าจํานวนรัฐที่ใช้งานอยู่.
  • จํานวนฟลิปฟล็อปที่ต้องการคือครึ่งหนึ่งของจํานวนสัญญาณเวลา.
  • สามารถสร้างขึ้นสําหรับลําดับเวลาจํานวนเท่าใดก็ได้.

การประยุกต์ใช้เครื่องเคาน์เตอร์จอห์นสัน

  • ตัวนับจอห์นสันใช้เป็นตัวนับทศนิยมแบบซิงโครนัสหรือวงจรหาร.
  • ใช้ในการออกแบบลอจิกฮาร์ดแวร์เพื่อสร้างเครื่องสถานะจํากัดที่ซับซ้อน ตัวอย่างเช่น การออกแบบ ASIC และ FPGA.
  • ตัวนับจอห์นสัน 3 ขั้นตอนใช้เป็นเครื่องกําเนิดคลื่นสี่เหลี่ยม 3 เฟสที่สร้างการเบี่ยงเบนเฟส 1200.
  • ใช้เพื่อแบ่งความถี่ของสัญญาณนาฬิกาโดยเปลี่ยนการตอบสนอง.

สรุป

บทความนี้ได้กล่าวถึงหลายแง่มุมของเคาน์เตอร์จอห์นสันตั้งแต่วิธีการทํางานของระบบไปจนถึงประโยชน์ของการใช้เทคโนโลยีตลอดจนข้อจํากัดของเคาน์เตอร์จอห์นสัน ตัวนับจอห์นสันเป็นกลุ่มย่อยของตัวนับการลงทะเบียนการแปลและสามารถนับสถานะได้มากเป็นสองเท่าของตัวนับตักที่มีรองเท้าแตะแบบอะนาล็อก จะเห็นได้ว่าความแตกต่างพื้นฐานระหว่างตัวนับวงแหวนและตัวนับจอห์นสันที่กล่าวถึงข้างต้นสามารถใช้เพื่อเลือกวงจรการนับที่เหมาะสมสําหรับการใช้งานวงจรตัวเลขบางตัว.

ตัวนับจอห์นสันแบบ N บิตในตรรกะดิจิทัล

เรียนรู้เคล็ดลับของตัวนับจอห์นสันแบบ N บิต ซึ่งเป็นวงจรลำดับพื้นฐาน

นักเขียนบทความ
by 
นักเขียนบทความ
ตัวนับจอห์นสันแบบ N บิตในตรรกะดิจิทัล

ตัวนับจอห์นสันแบบ N บิตในตรรกะดิจิทัล

เรียนรู้เคล็ดลับของตัวนับจอห์นสันแบบ N บิต ซึ่งเป็นวงจรลำดับพื้นฐาน

เคาน์เตอร์จอห์นสันหรือที่เรียกว่าเคาน์เตอร์คืบคลานเป็นตัวอย่างของเคาน์เตอร์ซิงโครนัส ในเคาน์เตอร์จอห์นสันเอาต์พุตเพิ่มเติมของฟลิปฟล็อปสุดท้ายจะเชื่อมต่อกับอินพุตของฟลิปฟล็อปตัวแรกและในการใช้ตัวนับจอห์นสัน n-bit เราจําเป็นต้องมีฟลิปฟล็อป n นี่เป็นหนึ่งในประเภทที่สําคัญที่สุดของเคาน์เตอร์ลงทะเบียนการกระจัด มันเกิดขึ้นจากการตอบสนองเอาต์พุตไปยังอินพุตของตัวเอง เคาน์เตอร์จอห์นสันเป็นวงแหวนที่มีการกลับตัว ชื่ออื่น ๆ สําหรับเคาน์เตอร์จอห์นสัน ได้แก่ เคาน์เตอร์เลื้อยเคาน์เตอร์เกลียวเคาน์เตอร์เดินเคาน์เตอร์มือถือและเคาน์เตอร์หางแบบสลับ.

เคาน์เตอร์จอห์นสันคืออะไร?

เคาน์เตอร์จอห์นสันเป็นเคาน์เตอร์ซิงโครนัสประเภทหนึ่งที่มีรูปแบบการนับพิเศษในกรณีนี้คือเคาน์เตอร์จอห์นสัน ทํางานโดยการป้อนสัญญาณเอาต์พุตเพิ่มเติมของฟลิปฟล็อปตัวสุดท้ายกลับเข้าไปในอินพุตของฟลิปฟล็อปตัวแรก ผลลัพธ์ของการตั้งค่านี้คือลําดับของสถานะที่สร้างลําดับที่ไม่ใช่ลักษณะของตัวนับวงแหวนทั่วไป .

ตัวนับจอห์นสันสามารถใช้งานได้โดยใช้ฟลิปฟล็อป n เพื่อนับสถานะแยกกัน 2n สถานะ ซึ่งเป็นคุณสมบัติที่ทําให้ดีกว่าตัวนับลูปที่ใช้ฟลิปฟล็อปจํานวนเท่ากัน เนื่องจากให้บริการจํานวนสถานะเป็นสองเท่า ตัวนับนี้ใช้ในแอปพลิเคชันที่จํานวนสถานะสูงกว่าจํานวนฟลิปฟล็อป นอกจากนี้ยังมีคุณสมบัติที่โดดเด่นของความสามารถในการถอดรหัสตัวเอง.

สถานะที่ใช้และไม่ได้ใช้ทั้งหมดในตัวนับ n-bit Johnson:

จํานวนสถานะที่ใช้ = 2N

จํานวนสถานะที่ไม่ได้ใช้ = 2n - 2*n

ตัวอย่าง:

ถ้า n=4

เคาน์เตอร์จอห์นสัน 4 บิต

ในขั้นต้น สมมติว่ารองเท้าแตะทั้งหมดถูกรีเซ็ต.

กระดานความจริง

จะไปที่ไหน,

CP คือนาฬิกาและ

Q1, Q2, Q3, Q4 เป็นรัฐ.

คําถาม: กําหนดจํานวนรวมของสถานะที่ใช้และไม่ได้ใช้ในตัวนับจอห์นสัน 4 บิต.

คําตอบ: จํานวนสถานะทั้งหมดที่ใช้ = 2*n

= 2*4

= 8

สถานะที่ไม่ได้ใช้ทั้งหมด = 2n - 2*n

= 24-2*4

= 8

ความแตกต่างระหว่าง Ring Counter และ Johnson Counter

ข้อดีของเคาน์เตอร์จอห์นสัน

  • เคาน์เตอร์จอห์นสันมีจํานวนรองเท้าแตะเท่ากัน แต่สามารถนับสถานะได้มากกว่าตัวนับแหวนถึงสองเท่า.
  • สามารถทําได้โดยใช้ฟลิปฟล็อป D และ JK.
  • ตัวนับวงแหวนจอห์นสันใช้เพื่อนับข้อมูลในลูปต่อเนื่อง.
  • เคาน์เตอร์จอห์นสันเป็นวงจรที่ถอดรหัสตัวเอง.

ข้อเสียของเคาน์เตอร์จอห์นสัน

  • ตัวนับจอห์นสันไม่นับในลําดับไบนารี.
  • จากข้อมูลของจอห์นสันจํานวนรัฐที่ไม่ได้ใช้นั้นมากกว่าจํานวนรัฐที่ใช้งานอยู่.
  • จํานวนฟลิปฟล็อปที่ต้องการคือครึ่งหนึ่งของจํานวนสัญญาณเวลา.
  • สามารถสร้างขึ้นสําหรับลําดับเวลาจํานวนเท่าใดก็ได้.

การประยุกต์ใช้เครื่องเคาน์เตอร์จอห์นสัน

  • ตัวนับจอห์นสันใช้เป็นตัวนับทศนิยมแบบซิงโครนัสหรือวงจรหาร.
  • ใช้ในการออกแบบลอจิกฮาร์ดแวร์เพื่อสร้างเครื่องสถานะจํากัดที่ซับซ้อน ตัวอย่างเช่น การออกแบบ ASIC และ FPGA.
  • ตัวนับจอห์นสัน 3 ขั้นตอนใช้เป็นเครื่องกําเนิดคลื่นสี่เหลี่ยม 3 เฟสที่สร้างการเบี่ยงเบนเฟส 1200.
  • ใช้เพื่อแบ่งความถี่ของสัญญาณนาฬิกาโดยเปลี่ยนการตอบสนอง.

สรุป

บทความนี้ได้กล่าวถึงหลายแง่มุมของเคาน์เตอร์จอห์นสันตั้งแต่วิธีการทํางานของระบบไปจนถึงประโยชน์ของการใช้เทคโนโลยีตลอดจนข้อจํากัดของเคาน์เตอร์จอห์นสัน ตัวนับจอห์นสันเป็นกลุ่มย่อยของตัวนับการลงทะเบียนการแปลและสามารถนับสถานะได้มากเป็นสองเท่าของตัวนับตักที่มีรองเท้าแตะแบบอะนาล็อก จะเห็นได้ว่าความแตกต่างพื้นฐานระหว่างตัวนับวงแหวนและตัวนับจอห์นสันที่กล่าวถึงข้างต้นสามารถใช้เพื่อเลือกวงจรการนับที่เหมาะสมสําหรับการใช้งานวงจรตัวเลขบางตัว.

Lorem ipsum dolor sit amet, consectetur adipiscing elit. Suspendisse varius enim in eros elementum tristique. Duis cursus, mi quis viverra ornare, eros dolor interdum nulla, ut commodo diam libero vitae erat. Aenean faucibus nibh et justo cursus id rutrum lorem imperdiet. Nunc ut sem vitae risus tristique posuere.

ตัวนับจอห์นสันแบบ N บิตในตรรกะดิจิทัล

ตัวนับจอห์นสันแบบ N บิตในตรรกะดิจิทัล

เรียนรู้เคล็ดลับของตัวนับจอห์นสันแบบ N บิต ซึ่งเป็นวงจรลำดับพื้นฐาน

Lorem ipsum dolor amet consectetur adipiscing elit tortor massa arcu non.

เคาน์เตอร์จอห์นสันหรือที่เรียกว่าเคาน์เตอร์คืบคลานเป็นตัวอย่างของเคาน์เตอร์ซิงโครนัส ในเคาน์เตอร์จอห์นสันเอาต์พุตเพิ่มเติมของฟลิปฟล็อปสุดท้ายจะเชื่อมต่อกับอินพุตของฟลิปฟล็อปตัวแรกและในการใช้ตัวนับจอห์นสัน n-bit เราจําเป็นต้องมีฟลิปฟล็อป n นี่เป็นหนึ่งในประเภทที่สําคัญที่สุดของเคาน์เตอร์ลงทะเบียนการกระจัด มันเกิดขึ้นจากการตอบสนองเอาต์พุตไปยังอินพุตของตัวเอง เคาน์เตอร์จอห์นสันเป็นวงแหวนที่มีการกลับตัว ชื่ออื่น ๆ สําหรับเคาน์เตอร์จอห์นสัน ได้แก่ เคาน์เตอร์เลื้อยเคาน์เตอร์เกลียวเคาน์เตอร์เดินเคาน์เตอร์มือถือและเคาน์เตอร์หางแบบสลับ.

เคาน์เตอร์จอห์นสันคืออะไร?

เคาน์เตอร์จอห์นสันเป็นเคาน์เตอร์ซิงโครนัสประเภทหนึ่งที่มีรูปแบบการนับพิเศษในกรณีนี้คือเคาน์เตอร์จอห์นสัน ทํางานโดยการป้อนสัญญาณเอาต์พุตเพิ่มเติมของฟลิปฟล็อปตัวสุดท้ายกลับเข้าไปในอินพุตของฟลิปฟล็อปตัวแรก ผลลัพธ์ของการตั้งค่านี้คือลําดับของสถานะที่สร้างลําดับที่ไม่ใช่ลักษณะของตัวนับวงแหวนทั่วไป .

ตัวนับจอห์นสันสามารถใช้งานได้โดยใช้ฟลิปฟล็อป n เพื่อนับสถานะแยกกัน 2n สถานะ ซึ่งเป็นคุณสมบัติที่ทําให้ดีกว่าตัวนับลูปที่ใช้ฟลิปฟล็อปจํานวนเท่ากัน เนื่องจากให้บริการจํานวนสถานะเป็นสองเท่า ตัวนับนี้ใช้ในแอปพลิเคชันที่จํานวนสถานะสูงกว่าจํานวนฟลิปฟล็อป นอกจากนี้ยังมีคุณสมบัติที่โดดเด่นของความสามารถในการถอดรหัสตัวเอง.

สถานะที่ใช้และไม่ได้ใช้ทั้งหมดในตัวนับ n-bit Johnson:

จํานวนสถานะที่ใช้ = 2N

จํานวนสถานะที่ไม่ได้ใช้ = 2n - 2*n

ตัวอย่าง:

ถ้า n=4

เคาน์เตอร์จอห์นสัน 4 บิต

ในขั้นต้น สมมติว่ารองเท้าแตะทั้งหมดถูกรีเซ็ต.

กระดานความจริง

จะไปที่ไหน,

CP คือนาฬิกาและ

Q1, Q2, Q3, Q4 เป็นรัฐ.

คําถาม: กําหนดจํานวนรวมของสถานะที่ใช้และไม่ได้ใช้ในตัวนับจอห์นสัน 4 บิต.

คําตอบ: จํานวนสถานะทั้งหมดที่ใช้ = 2*n

= 2*4

= 8

สถานะที่ไม่ได้ใช้ทั้งหมด = 2n - 2*n

= 24-2*4

= 8

ความแตกต่างระหว่าง Ring Counter และ Johnson Counter

ข้อดีของเคาน์เตอร์จอห์นสัน

  • เคาน์เตอร์จอห์นสันมีจํานวนรองเท้าแตะเท่ากัน แต่สามารถนับสถานะได้มากกว่าตัวนับแหวนถึงสองเท่า.
  • สามารถทําได้โดยใช้ฟลิปฟล็อป D และ JK.
  • ตัวนับวงแหวนจอห์นสันใช้เพื่อนับข้อมูลในลูปต่อเนื่อง.
  • เคาน์เตอร์จอห์นสันเป็นวงจรที่ถอดรหัสตัวเอง.

ข้อเสียของเคาน์เตอร์จอห์นสัน

  • ตัวนับจอห์นสันไม่นับในลําดับไบนารี.
  • จากข้อมูลของจอห์นสันจํานวนรัฐที่ไม่ได้ใช้นั้นมากกว่าจํานวนรัฐที่ใช้งานอยู่.
  • จํานวนฟลิปฟล็อปที่ต้องการคือครึ่งหนึ่งของจํานวนสัญญาณเวลา.
  • สามารถสร้างขึ้นสําหรับลําดับเวลาจํานวนเท่าใดก็ได้.

การประยุกต์ใช้เครื่องเคาน์เตอร์จอห์นสัน

  • ตัวนับจอห์นสันใช้เป็นตัวนับทศนิยมแบบซิงโครนัสหรือวงจรหาร.
  • ใช้ในการออกแบบลอจิกฮาร์ดแวร์เพื่อสร้างเครื่องสถานะจํากัดที่ซับซ้อน ตัวอย่างเช่น การออกแบบ ASIC และ FPGA.
  • ตัวนับจอห์นสัน 3 ขั้นตอนใช้เป็นเครื่องกําเนิดคลื่นสี่เหลี่ยม 3 เฟสที่สร้างการเบี่ยงเบนเฟส 1200.
  • ใช้เพื่อแบ่งความถี่ของสัญญาณนาฬิกาโดยเปลี่ยนการตอบสนอง.

สรุป

บทความนี้ได้กล่าวถึงหลายแง่มุมของเคาน์เตอร์จอห์นสันตั้งแต่วิธีการทํางานของระบบไปจนถึงประโยชน์ของการใช้เทคโนโลยีตลอดจนข้อจํากัดของเคาน์เตอร์จอห์นสัน ตัวนับจอห์นสันเป็นกลุ่มย่อยของตัวนับการลงทะเบียนการแปลและสามารถนับสถานะได้มากเป็นสองเท่าของตัวนับตักที่มีรองเท้าแตะแบบอะนาล็อก จะเห็นได้ว่าความแตกต่างพื้นฐานระหว่างตัวนับวงแหวนและตัวนับจอห์นสันที่กล่าวถึงข้างต้นสามารถใช้เพื่อเลือกวงจรการนับที่เหมาะสมสําหรับการใช้งานวงจรตัวเลขบางตัว.