เรียนรู้วิธีออกแบบและสร้างตัวควบคุมแรงดันไฟฟ้าแบบกําหนดเองเพื่อพลังงานที่เสถียรอย่างสมบูรณ์แบบ
ตัวควบคุมแรงดันไฟฟ้าเป็นอุปกรณ์ที่ใช้ในการเปลี่ยนแรงดันไฟฟ้าที่ผันผวนบนอินพุตเป็นแรงดันไฟฟ้าที่กําหนดไว้และเสถียรบนเอาต์พุต ตัวควบคุมแรงดันไฟฟ้าอาจเป็นเครื่องกล ไฟฟ้า AC หรือ DC ในบทความนี้ เราจะมาดูตัวควบคุมเชิงเส้นอิเล็กทรอนิกส์ DC
วงจรส่วนใหญ่ต้องการแรงดันไฟฟ้าที่คงที่โดยไม่ขึ้นกับกระแสไฟฟ้าที่ใช้ไป แม้แต่แรงดันไฟฟ้าเกินเพียงเล็กน้อยก็สามารถพิสูจน์ได้ว่าเป็นการทําลายล้างได้และนี่คือเหตุผลที่ควรใช้หน่วยงานกํากับดูแล แต่หน่วยงานกํากับดูแลยังช่วยได้มากในการกําจัดเสียงฮัมในเครื่องขยายเสียง ในเครื่องกําเนิดสัญญาณหรือออสซิลเลเตอร์ความถี่เอาต์พุตจะแตกต่างกันไปตามแรงดันไฟฟ้าและต้องมีการควบคุมอย่างดีเพื่อให้คงที่
ตัวควบคุมมีสามประเภทหลักหรือประเภท: ตัวควบคุมบวกที่แรงดันไฟฟ้าขาเข้าเป็นบวกตัวควบคุมเชิงลบที่แรงดันไฟฟ้าขาเข้าเป็นลบตัวควบคุมแรงดันไฟฟ้าคู่ซึ่งเป็นชุดของทั้งสองอย่างเช่นวงจรออปแอมป์และสุดท้ายตัวควบคุมที่ปรับได้ซึ่งอาจมีข้อใดข้อหนึ่งข้างต้น แต่มีปุ่มควบคุมเพื่อเปลี่ยนแรงดันไฟฟ้าขาออกตามความต้องการ
ซีเนอร์ Regulator อย่างง่าย
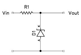
ซีเนอร์ไดโอดเป็นไดโอดชนิดหนึ่งที่เมื่อเชื่อมต่อในการกําหนดค่าอคติย้อนกลับ (ดูด้านล่าง) จะเริ่ม "พัง" หรือนําไฟฟ้าที่แรงดันไฟฟ้าเฉพาะที่เรียกว่าแรงดันไฟฟ้าซีเนอร์ เมื่อเริ่มนําไฟฟ้าแล้วจะไม่มีการหยุดกระแสดังนั้นตัวต้านทาน (R1 ที่แสดงด้านล่าง) จึงจําเป็นต้อง จํากัด กระแสให้มีค่าที่ปลอดภัย
ในตัวควบคุมอย่างง่ายด้านบน Vin คือ 12V และ Vout คือ 5V และ I คือ 10mA หากไม่มีซีเนอร์ R1 ก็จะเป็น R=V/I = 12-5/0.01 = 700Ω อย่างไรก็ตาม จะไม่มีกฎระเบียบ เนื่องจากซีเนอร์จะไม่ดําเนินการ ใช้หลักการง่ายๆ ซีเนอร์จะต้องนํากระแสโหลดสองถึงห้าเท่า เช่น 50mA เมื่อพิจารณาว่าควรเป็น I = 50 + 10 = 60mA ดังนั้น R1 = 7/0.06 = 116Ω
อย่างไรก็ตาม ปัญหาคือการกระจายพลังงานใน R1 และ D1 สําหรับกระแสโหลดขนาดใหญ่จะมากเกินไป แต่นี่เป็นวงจรที่ค่อนข้างเหมาะสมสําหรับการแปลงระดับสัญญาณสําหรับโมดูล 5V เป็น 3.3V
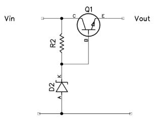
ซีเนอร์เป็นข้อมูลอ้างอิงและทรานซิสเตอร์ Q1
ที่นี่เราใช้ Zener เป็นข้อมูลอ้างอิงและทรานซิสเตอร์ Q1 เป็นตัวควบคุมแบบอนุกรมที่ทํางานหนัก R2 ให้อคติในการเปิด Q1 และจ่ายกระแสไฟที่เล็กกว่ามากผ่าน Zener D2 หาก Vout เป็น 5V จะมีการเพิ่มโวลต์ตัวปล่อยฐานที่ 0.6V เข้าไป ดังนั้น D2 จะต้องเป็น 5.6V (มีจําหน่ายทั่วไป) และตอนนี้ R2 จะต้องจ่ายกระแสสะสม/hfe ของทรานซิสเตอร์ (เช่น 1000) สําหรับแหล่งจ่ายไฟ 1A, 1/1000 10mA, R2 = 12-5.6/0.01 = 640Ω บวกกับกระแสไฟเล็กน้อยสําหรับซีเนอร์ เช่น 560Ω
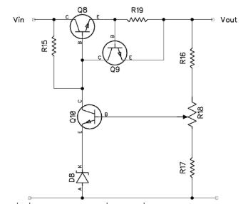
แต่นี่ยังคงเป็นกระแสไฟฟ้าจํานวนมากที่สูญเปล่าในการให้ความร้อนแก่ซีเนอร์ ตอนนี้เราได้เพิ่ม Q5 และเครือข่ายข้อเสนอแนะจาก Vout เพื่อให้วงจรที่มีประโยชน์:
D4 ไม่สําคัญอีกต่อไปและสามารถเป็นอะไรก็ได้ในช่วง 1V ถึง 4V และปรับได้ เมื่อ Vout พยายามเกินแรงดันฐาน/ตัวปล่อย Q5 +0.6 + D4 มันจะเริ่มปล้นกระแสจากฐานของ Q4 ทําให้แรงดันไฟฟ้าคงที่ ตอนนี้ R6 สามารถเป็นค่าที่มีนัยสําคัญมากขึ้นและไม่สําคัญเนื่องจาก 1k จะทําได้ดี R7 และ R8 จะให้การปรับที่ง่ายดายยิ่งขึ้น
มาก้าวไปอีกขั้นและเพิ่มการป้องกันกระแสเกิน:

โวลต์ลดลงระหว่าง D6 และ D7 จะเป็น 0.6 + 0.6 = 1.2V เสมอ และ Vbe ของ Q6 ก็เป็น 0.6V เช่นกัน ตัวอย่างเช่น หากเราเลือก R14 อย่างระมัดระวังเพื่อให้ตรงกับจุดที่เราต้องการป้องกันกระแสเกิน เช่น 2A เมื่อ V ข้าม R14 = 1.2V D6 และ D7 จะปล้นกระแสจากฐาน Q6 ทําให้ไม่มีกระแสไฟเกิน 2A
ดังนั้น R14 = 1.2/2 = 0.6Ω แต่ยังมีการปรับปรุงอีกอย่างหนึ่งที่เราสามารถทําได้เพื่อป้องกันกระแสไฟฟ้าขนาดใหญ่ในไดโอด
เราเปลี่ยนไดโอดด้วย Q9 สิ่งที่ต้องการคือ 0.6 เพื่อเปิดเครื่องและทําให้เกิดการจํากัดกระแส สําหรับ 2A นั่นจะเป็น R19 = 0.6/2 = 0.3Ω
ตัวควบคุมแรงดันไฟฟ้าคงที่
ที่นี่เรามีความเรียบง่ายของตัวควบคุมสามขั้วแรงดันไฟฟ้าคงที่ ไอซีควบคุมแรงดันไฟฟ้าซีรีส์ LM78xx มีแรงดันไฟฟ้าหลายแบบ ตัวอย่างเช่น LM7812 เอาต์พุต 12V, LM7809 เอาต์พุต 9V และ LM7805 เอาต์พุต 5V
ไม่ควรสับสน C4 และ C10 กับตัวเก็บประจุแบบเรียบ มีไว้สําหรับเสียงรบกวนและความเสถียร และควรมี ESR ต่ํา (ความต้านทานอนุกรมเทียบเท่า) C4 มักจะเป็น 10uF และ C10 คือ 1uF โปรดทราบว่าไดโอด D9 คือการคายประจุความจุขนาดใหญ่ในโหลดย้อนกลับเพื่อป้องกันไม่ให้ตัวควบคุมมีอคติย้อนกลับเมื่ออินพุตต่ํา
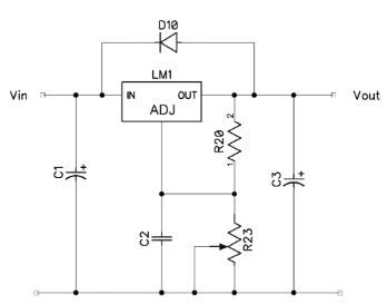
ตัวควบคุมแรงดันไฟฟ้าที่ปรับได้
และในที่สุดเราก็มาถึงจุดสิ้นสุดของวิวัฒนาการด้วยตัวควบคุมสามขั้วที่ปรับได้ซึ่งเป็นตัวควบคุมแรงดันไฟฟ้า LM317 ที่มีชื่อเสียงและตัวควบคุมแรงดันไฟฟ้าเชิงลบ LM337
C2 ใช้สําหรับเสียงรบกวนและสามารถเป็น 1uF อัตราส่วนของ R20 และ R23 กําหนดแรงดันขาออก พวกเขาอาจเป็นตัวต้านทานคงที่สองตัวหรือโพเทนชิออมิเตอร์ที่ปรับได้ R20 แสดงในแผ่นข้อมูลเป็น 240Ω ที่ไม่ได้มาตรฐาน แต่ถ้าคุณทําให้เป็นมาตรฐาน 220Ω สําหรับแรงดันไฟฟ้าใดๆ ระหว่าง Vmax และ Vmin, R7 = (176* Vout) – 220
ดังนั้นหากคุณต้องการ 9V R23 อาจเป็นค่าคงที่ เช่น 176*9 – 220 = 1k4 โปรดทราบว่าเนื่องจากการอ้างอิงภายในคือ 1.25V เป็นค่าต่ําสุดที่ตัวควบคุมสามารถทําได้ จึงต้องมีอย่างน้อย 2V ระหว่างอินพุตและเอาต์พุต และมีแรงดันไฟฟ้าสูงสุด 32V ดังนั้นจึงสามารถปรับได้ตั้งแต่ 1.2V เป็น 30V ทําให้ R23 10k
พลังงานที่กระจายไปในตัวควบคุมคือ (Vin-Vout )* Iout ดังนั้นสําหรับ 12V เข้าและ 5V ออกที่ 1A กําลังไฟคือ (12-5)*1 = 7W มันขัดกับสัญชาตญาณ แต่หมายความว่าตัวควบคุมกําลังกระจายพลังงานส่วนใหญ่เมื่อตั้งค่าเป็นแรงดันเอาต์พุตต่ําสุด
หากคุณจะนําตัวควบคุมมากกว่า 1A ออกจากตัวควบคุมหรือร้อนเกินไปที่จะจับด้วยนิ้วของคุณจําเป็นต้องมีฮีทซิงค์ คุณสามารถลองติดตั้งบนปลอกของกล่องอลูมิเนียมที่คุณใช้อยู่หรือติดตั้งบนอะลูมิเนียมแบนหรือดีกว่านั้นคือบนฮีทซิงค์ที่เหมาะสมและเดาขนาด คุณควรจะสามารถถืออุปกรณ์ควบคุมได้อย่างสบายโดยไม่ทําให้มือหรือนิ้วไหม้