ตัวบวกแบบเต็มคือวงจรดิจิทัลที่เพิ่มบิตอินพุตสามบิตเพื่อสร้างผลรวมและการดําเนินการ
Full Adder เป็นวงจรรวมที่เพิ่มอินพุตสามตัวและสร้างเอาต์พุตสองตัว อินพุตสองตัวแรกคือ A และ B และอินพุตที่สามคืออินพุตที่ถือเป็น C-IN เอาต์พุตถูกกําหนดเป็น C-OUT และเอาต์พุตปกติถูกกําหนดเป็น S ซึ่งเป็น SUM
Full Adder ใช้อินพุตไบนารีสามรายการ:
และสร้างสองเอาต์พุต:

นี่คือตารางความจริงสําหรับตัวบวกแบบเต็ม:
จากตารางความจริงนิพจน์เชิงตรรกะสําหรับผลรวม (S) ในการบวกเต็มคือ:
S = A'B'C-IN + A'BC-IN' + AB'C-IN' + ABC-IN
เนื่องจาก A'B + AB' = A ⊕ B สิ่งนี้ทําให้ง่ายขึ้นเพื่อ:
S = C-IN(A ⊕ B)' + C-IN'(A ⊕ B)
นิพจน์ตัวย่อสุดท้ายคือ:
S = A ⊕ B ⊕ C-IN
ดังนั้นผลรวมที่ส่งออกคือ XOR ของ A, Bและ C-IN
จากตารางความจริงนิพจน์เชิงตรรกะสําหรับ C-OUT (ดําเนินการออก) ในตัวบวกแบบเต็มคือ:
C-OUT = A' B C-IN + A B' C-IN + A B C-IN' + A B C-IN
สิ่งนี้ทําให้ง่ายขึ้นเพื่อ:
C-OUT = A, B(C-IN'+C-IN) + C-IN(A'B+AB')
เนื่องจาก C-IN' + C-IN =1 และ A'B + AB' =A ⊕ B ดังนั้นนิพจน์ตัวง่ายสุดท้ายคือ:
C-OUT = AB + C-IN (ก⊕ B)
ในการใช้ Full Adder โดยใช้ลอจิกเกตพื้นฐาน:
ผลรวม (S) ถูกนําไปใช้โดยใช้เกต XOR:
ใช้ประตู XOR สองประตู:
Carry (C-Out) ถูกนํามาใช้โดยใช้เกต XOR, AND และ OR: สุดท้าย เอาต์พุตทั้งสองจากเกต AND จะถูกรวมเข้าด้วยกันโดยใช้เกต OR เพื่อสร้างเอาต์พุต C-OUT ขั้นสุดท้าย
ประตู AND แรก: ประตูนี้คํานวณ A และ B
ประตู AND ที่สอง: ประตูนี้คํานวณ C-IN AND (A ⊕ B) ในการทําเช่นนี้ คุณต้องมีผลลัพธ์ของเกต XOR แรก (A ⊕ B) เป็นอินพุตไปยังเกต AND ที่สอง
ต้องใช้ 2 Half Adders และ OR gate เพื่อใช้ Full Adder
ด้วยวงจรลอจิกนี้สามารถเพิ่มสองบิตเข้าด้วยกันโดยนําการพกพาจากลําดับความสําคัญที่ต่ํากว่าถัดไปและส่งการพกพาไปยังลําดับความสําคัญที่สูงขึ้นถัดไป
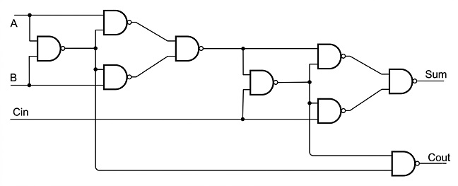
ต้องใช้เกต NAND ทั้งหมด 9 ประตูเพื่อใช้ Full Adder
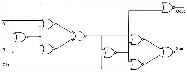
ต้องใช้เกต NOR ทั้งหมด 9 ประตูเพื่อใช้ Full Adder