
บทความนี้จะเจาะลึกถึงเครื่องสับซึ่งเป็นตัวแปลง DC-DC ที่สำคัญ พร้อมทั้งให้รายละเอียดเกี่ยวกับประเภทต่างๆ และการใช้งานทั่วไปในอุปกรณ์อิเล็กทรอนิกส์กำลัง
ชอปเปอร์คืออุปกรณ์ที่แปลงไฟฟ้ากระแสตรงคงที่เป็นไฟฟ้ากระแสตรงแปรผัน ในวงจรชอปเปอร์ ไทริสเตอร์ จะถูกใช้เพื่อเปิดแหล่งจ่ายไฟให้กับโหลดตามช่วงเวลาที่กำหนด และปิดแหล่งจ่ายไฟอีกครั้งตามช่วงเวลาที่กำหนด วงจรการทำงานจะถูกทำซ้ำ ไทริสเตอร์ ทำหน้าที่เป็นสวิตช์ความเร็วสูง
การเปิดสัญญาณไทริสเตอร์เกตจะถูกป้อนเข้า และการปิดสัญญาณไทริสเตอร์เกตจะใช้วิธี การบังคับ สับเปลี่ยน สามารถควบคุมแรงดันไฟฟ้าข้ามโหลดได้โดยการเปลี่ยนช่วงเวลาเปิดและปิด
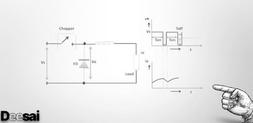
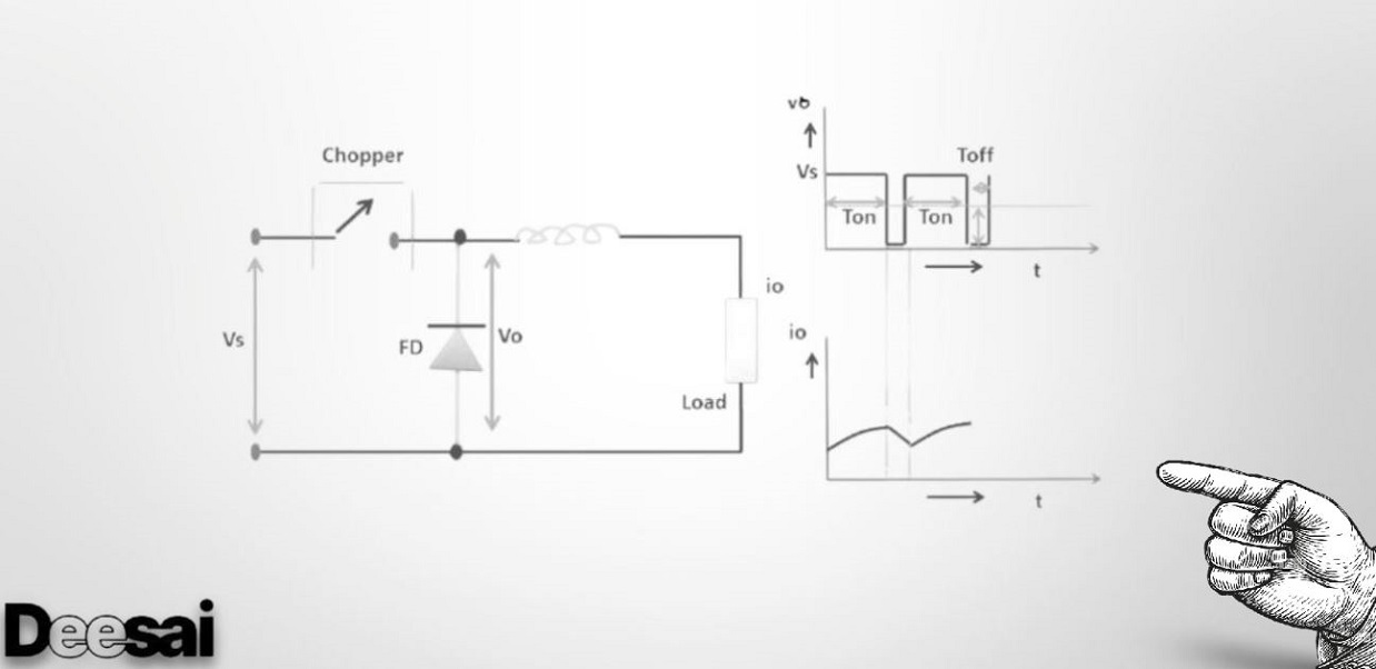
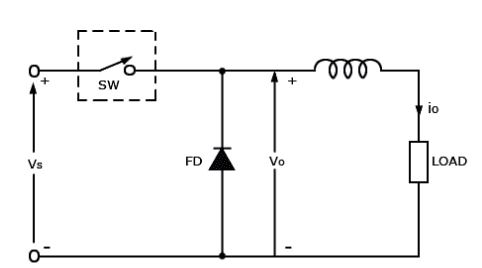
สวิตช์สับ (Chopper) คือสวิตช์เซมิคอนดักเตอร์แบบเปิด/ปิดความเร็วสูง เชื่อมต่อแหล่งจ่ายเข้ากับโหลดและตัดการเชื่อมต่อโหลดออกจากแหล่งจ่ายด้วยความเร็วสูง ในช่วงเวลา Ton สวิตช์สับจะทำงาน (ON) และแรงดันโหลดจะเท่ากับแรงดันแหล่งจ่าย Vs ในช่วงเวลา Toff กระแสสับจะไหลผ่าน ไดโอดฟรีวีลลิ่ง (FWD) ส่งผลให้ขั้วโหลดเกิดการลัดวงจรโดย FWD และแรงดันโหลดจะเป็นศูนย์ในช่วง Toff ด้วยวิธีนี้ แรงดันไฟฟ้ากระแสตรงของสวิตช์สับจะเกิดขึ้นที่ขั้วโหลด ในช่วงเวลา Ton กระแสโหลดจะเพิ่มขึ้น ในขณะที่ในช่วงเวลา Toff กระแสโหลดจะลดลง
เครื่องสับมี 2 ประเภทดังนี้:
วงจรสับที่มีแรงดันเอาต์พุตมากกว่าแรงดันอินพุตเรียกว่าวงจรสับแบบสเต็ปอัพ วงจรนี้ออกแบบมาเพื่อให้แรงดันเอาต์พุตขั้นต่ำเท่ากับแรงดันอินพุต สามารถเพิ่มแรงดันเอาต์พุตได้โดยมีขีดจำกัดจำกัดโดยการเปลี่ยนค่ารอบการทำงาน
เมื่อ SCR เปิดอยู่ กระแสเหนี่ยวนำจะเพิ่มขึ้นเป็นเส้นตรงและพลังงานจะถูกเก็บไว้ในตัวเหนี่ยวนำ เมื่อ SCR ปิดอยู่ พลังงานที่เก็บไว้ในตัวเหนี่ยวนำ “L” จะถูกถ่ายโอนไปยังตัวเก็บประจุผ่านไดโอด “D” จากนั้นตัวเก็บประจุ “C” จะทำการประจุ ส่งผลให้แรงดันไฟฟ้าของโหลดเพิ่มขึ้น สามารถควบคุมแรงดันไฟฟ้าขาออกได้โดยการเปลี่ยนระยะเวลา Ton และ Toff ของตัวสับ
ในการลดแรงดันไฟฟ้าลง แรงดันไฟฟ้าโหลดอาจน้อยกว่าหรือเท่ากับแรงดันไฟฟ้าแหล่งจ่ายและกระแสไฟฟ้าที่ไหลจากแหล่ง DC ไปยังโหลด
โดยพื้นฐานแล้ว SCR คือสวิตช์แบบอนุกรมที่สามารถเปิดและปิดที่ความถี่สูง เพื่อให้ได้พั ลส์สี่เหลี่ยมจัตุรัส ข้ามโหลด SCR ที่ใช้ในวงจรทำหน้าที่เหมือนสวิตช์ ไดโอดที่ต่อข้ามโหลดจะทำหน้าที่เป็นเส้นทางสำหรับกระแสเหนี่ยวนำโหลดเมื่อ SCR เปิดอยู่
เมื่อ SCR ไม่นำไฟฟ้า แรงดันไฟฟ้าตกคร่อมโหลดจะเป็นศูนย์ เมื่อ SCR เปิด แรงดันไฟฟ้าโหลดจะเป็น V0 = Vdc และกระแสโหลดจะเพิ่มขึ้นแบบเลขชี้กำลัง
1. สามารถควบคุมแรงดันไฟฟ้าขาออกในเครื่องสับได้อย่างไร?
สามารถควบคุมแรงดันขาออกได้ 3 วิธี ดังนี้
2. วัตถุประสงค์ของไดโอดฟรีวีลลิ่งที่ใช้ในวงจรสับคืออะไร
โดยทั่วไปโหลดจะเชื่อมต่อกับตัวสับแบบเหนี่ยวนำ ดังนั้นจึงมีการเชื่อมต่อไดโอดแบบฟรีวีลข้ามโหลดเพื่อรักษากระแสไฟให้ไหลเมื่อไทริสเตอร์ปิดอยู่
3. จุดประสงค์หลักของเครื่องสับคืออะไร?
Chopper คืออุปกรณ์ที่แปลงไฟ DC คงที่ให้เป็นไฟ DC แปรผัน ทำหน้าที่เป็นสวิตช์อิเล็กทรอนิกส์ที่ใช้ใน การควบคุมกำลังไฟและการใช้งานสัญญาณ
4. รอบการทำงานของเครื่องสับคืออะไร?
คำนวณจากอัตราส่วนของเวลาที่เครื่องสับเปิดอยู่และค่า Ton+Toff แรงดันเอาต์พุตสามารถเปลี่ยนแปลงได้โดยการเปลี่ยนรอบการทำงาน
α = Ton/Ton=Toff