
เซ็นเซอร์วัดระยะทาง/ระยะการตรวจจับแบบอัลตราโซนิคกันน้ำ JSN-SR0T4 มีระยะการวัดแบบไม่สัมผัสตั้งแต่ 25 ซม. ถึง 450 ซม. และคล้ายกับเซ็นเซอร์อัลตราโซนิคที่พบในกันชนรถยนต์ ทำงานด้วยแรงดันไฟฟ้ากระแสตรง 4.5 V ถึง 5.5 V แต่โดยทั่วไปจะทำงานที่ 5.0 VDC และต้องการกระแสสูงสุด 30 mA เซ็นเซอร์อัลตราโซนิคกันน้ำ JSNSR04T ที่เทียบเท่าคือ เซ็นเซอร์อัลตราโซนิค HC-SR04 ตัวเลือกอื่น ๆ ของ JSNSR04T ได้แก่ โมดูลเซ็นเซอร์อินฟราเรด โมดูลส่ง-รับสัญญาณอัลตราโซนิค คู่เซ็นเซอร์อินฟราเรด และเซ็นเซอร์วัดระยะทางแบบอนาล็อกอินฟราเรด บทความนี้จะอธิบายวิธีการใช้งาน เซ็นเซอร์อัลตราโซนิคกันน้ำ JSNSR04T โดยสังเขป
เซ็นเซอร์อัลตราโซนิก JSNSR04T มีลักษณะคล้ายกับเซ็นเซอร์อัลตราโซนิกในรถยนต์ และมีข้อดีด้านการออกแบบที่สำคัญหลายประการเหนือกว่า เซ็นเซอร์ ทั่วไป เซ็นเซอร์ตรวจจับสิ่งกีดขวางนี้ประกอบด้วยสองส่วนแยกกัน ส่วนหนึ่งคือตัวแปลงสัญญาณ ซึ่งเป็นองค์ประกอบในการตรวจจับ และอีกส่วนหนึ่งคือแผงควบคุม โมดูลนี้สามารถให้ข้อมูลเกี่ยวกับวัตถุที่มีขนาดตั้งแต่ 250 มม. ถึง 4500 มม.
ข้อดีหลักของการใช้เซ็นเซอร์ตรวจจับสิ่งกีดขวางแบบอัลตราโซนิคกันน้ำนี้ คือความสามารถในการกำหนดตำแหน่งขององค์ประกอบการตรวจจับจากระยะไกลในวงจรควบคุมใดๆ เซ็นเซอร์ วัดระยะทางแบบอัลตราโซนิคนี้เป็นเซ็นเซอร์วัดระยะทางระดับอุตสาหกรรม ทำงานเหมือนกับทรานสดิวเซอร์อัลตราโซนิคราคาประหยัดอื่นๆ แต่ให้ประสิทธิภาพที่ดีกว่า เข้ากันได้กับสภาพแวดล้อมที่รุนแรง และกันน้ำได้! สามารถเชื่อมต่อกับ Arduino ได้อย่างง่ายดาย
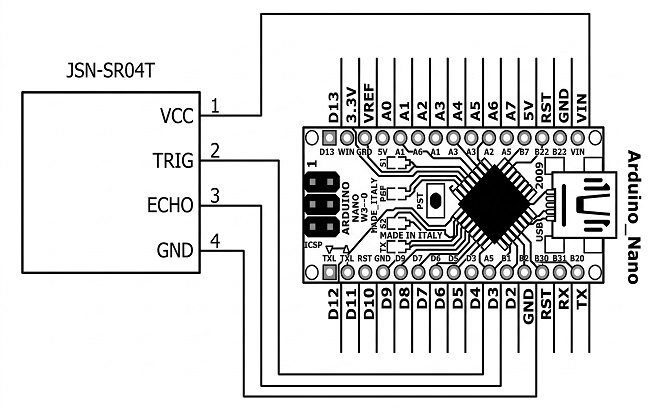
แผนผังการเชื่อมต่อขาของเซ็นเซอร์อัลตราโซนิกกันน้ำ JSNSR04T แสดงไว้ด้านล่าง
คุณสมบัติและข้อมูลจำเพาะทางเทคนิคของเซ็นเซอร์อัลตราโซนิกกันน้ำ JSNSR04T มีดังต่อไปนี้
ข้อมูลจำเพาะทางเทคนิคและคุณสมบัติของโมดูลเซ็นเซอร์ตรวจจับสิ่งกีดขวางแบบอัลตราโซนิคกันน้ำ JSNSR04T พร้อมหัววัด:
หลักการทำงานของเซ็นเซอร์อัลตราโซนิกกันน้ำ JSNSR04T คล้ายกับเซ็นเซอร์ HC-SR04 อย่างไรก็ตาม เซ็นเซอร์ JSNSR04T มีทรานสดิวเซอร์เพียงตัวเดียวที่เชื่อมต่อด้วยสายเคเบิลยาว 2.5 เมตร โมดูลเซ็นเซอร์เหล่านี้มีให้เลือก 2 ส่วนแยกกัน ส่วนหนึ่งคือทรานสดิวเซอร์ ซึ่งเป็นองค์ประกอบการตรวจจับ และอีกส่วนหนึ่งคือแผงควบคุม เซ็นเซอร์ทำงานตามสูตรอย่างง่ายที่แสดงไว้ด้านล่าง
ระยะทาง = ความเร็ว x เวลา
คลื่นอัลตราโซนิกถูกส่งออกมาจากตัวส่งสัญญาณอัลตราโซนิก คลื่นอัลตราโซนิกนี้เดินทางในอากาศ และเมื่อใดก็ตามที่มันกระทบกับวัตถุ/วัสดุใดๆ มันก็จะสะท้อนกลับไปยังเซ็นเซอร์ คลื่นสะท้อนนี้จะถูกตรวจจับและวัดโดยโมดูลรับสัญญาณอัลตราโซนิก ตอนนี้ให้วัดระยะทางโดยใช้สูตรข้างต้นกับค่าความเร็วและเวลาที่ทราบ ความเร็วสากลของคลื่นอัลตราโซนิกที่อุณหภูมิห้องคือ 330 เมตร/วินาที
วงจรนี้ถูกสร้างขึ้นภายในโมดูลเพื่อคำนวณระยะเวลาที่คลื่นอัลตราโซนิกใช้ในการเดินทางกลับมา และเพื่อเปิดใช้งานขาเอคโค่ให้มีสถานะสูงเป็นเวลาเดียวกัน ซึ่งจะช่วยให้ทราบระยะเวลาที่ใช้ในกระบวนการทั้งหมด ส่วนระยะทางจะคำนวณโดยใช้ไมโครโปรเซสเซอร์หรือไมโครคอนโทรลเลอร์
ดังที่กล่าวไว้ข้างต้น การจัดเรียงขาและหลักการทำงานของเซ็นเซอร์นี้คล้ายคลึงกับเซ็นเซอร์วัดระยะทาง HC-SR04 สามารถเชื่อมต่อเซ็นเซอร์นี้กับไมโครคอนโทรลเลอร์ต่างๆ เช่น ARM, Arduino, Raspberry Pi , PIC เป็นต้น เซ็นเซอร์อัลตราโซนิกกันน้ำ JSNSR04T ใช้ไฟเลี้ยง 5V แบบคงที่ผ่านขา VCC และขา GND ของเซ็นเซอร์
ขา I/O ประกอบด้วยขาทริกเกอร์และขาเอคโค ซึ่งสามารถเชื่อมต่อกับขา I/O ของไมโครคอนโทรลเลอร์ได้ ในการเริ่มต้นการวัด ต้องตั้งค่าหน้าสัมผัสทริกเกอร์ให้เป็นระดับสูงเป็นเวลา 15 µs แล้วจึงปิด การกระทำนี้จะสร้างคลื่นอัลตราโซนิกความถี่ 40 Hz ที่ตัวส่งและตัวรับ รอคลื่นสะท้อนกลับมา หลังจากที่คลื่นสะท้อนจากวัตถุแล้ว ขาเอคโคจะเป็นระดับสูงขึ้นเป็นเวลาเท่ากับเวลาที่คลื่นใช้ในการเดินทางกลับมายังเซ็นเซอร์ แผนผังวงจร/วิธีการใช้งาน/การเชื่อมต่อเซ็นเซอร์อัลตราโซนิกกันน้ำ JSNSR04T กับไมโครคอนโทรลเลอร์แสดงอยู่ในรูปด้านล่าง
ระยะเวลาที่ขา Echo คงสถานะสูงนั้นถูกกำหนดโดย MCU/MPU เนื่องจาก MCU/MPU ให้ข้อมูลเกี่ยวกับระยะเวลาที่คลื่นใช้ในการเดินทางกลับมายังเซ็นเซอร์ ใช้ข้อมูลนี้ในการวัดระยะทางตามที่อธิบายไว้ข้างต้น
ตัวอย่าง การใช้งานเซ็นเซอร์อัลตราโซนิกกันน้ำ JSNSR04T มีดังต่อไปนี้
ดังนั้น จึงมีเซ็นเซอร์วัดระยะทางด้วยคลื่นอัลตราโซนิคมากมายในท้องตลาด แต่บางครั้งเซ็นเซอร์ประเภทนี้จำเป็นต้องทำงานในสภาพแวดล้อมที่ละเอียดอ่อน เซ็นเซอร์ตรวจจับสิ่งกีดขวางด้วยคลื่นอัลตราโซนิคกันน้ำนี้ตอบโจทย์ความต้องการดังกล่าวได้ มีประสิทธิภาพและการใช้งานเกือบเทียบเท่ากับโมดูล HC-SR04