
บทความนี้จะเจาะลึกถึงความแตกต่างที่สำคัญระหว่างตัวแปลงไฟฟ้าแบบแยกและแบบไม่แยก
การแยกวงจรไฟฟ้า (Isolation) ของตัวแปลง DC/DC หมายถึง การแยกวงจรไฟฟ้าแบบกัลวานิก ซึ่งหมายความว่าไม่มีเส้นทางนำไฟฟ้าแบบโลหะ/โดยตรงระหว่างสองส่วนของวงจร การแยกวงจรไฟฟ้าจะทำหน้าที่เป็นกำแพงกั้นระหว่างขั้นตอนอินพุตและขั้นตอนเอาต์พุตเสมอ และอาจจำเป็นต่อการทำงานของวงจร ความปลอดภัย หรือทั้งสองอย่าง
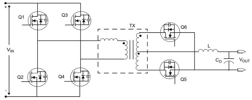
ในตัวแปลงแบบแยกส่วน อินพุตและเอาต์พุตจะมีกราวด์แยกกัน ในขณะที่ตัวแปลงแบบไม่แยกส่วน กระแสสามารถไหลระหว่างสองฝั่งได้โดยตรงเนื่องจากมีกราวด์ร่วมกัน โดยทั่วไปแล้ว การแยกส่วนจะเกิดขึ้นโดยการรวมหม้อแปลงไฟฟ้าไว้ในวงจร เพื่อให้พลังงานถูกถ่ายโอนโดยใช้พลังงานแม่เหล็กไฟฟ้า แม้จะมีการสูญเสียประสิทธิภาพบ้าง แต่ด้วยหม้อแปลงไฟฟ้าที่ออกแบบมาอย่างดี ก็สามารถช่วยลดการสูญเสียประสิทธิภาพให้เหลือน้อยที่สุดได้
ในบางกรณี จำเป็นต้องส่งสัญญาณข้ามขอบเขตการแยกสัญญาณ ซึ่งจำเป็นอย่างยิ่งกับอุปกรณ์ที่มีการควบคุมซึ่งจำเป็นต้องใช้สัญญาณป้อนกลับ เพื่อรักษาการแยกสัญญาณ สัญญาณเหล่านี้จำเป็นต้องถูกแยกสัญญาณด้วย ในกรณีของสัญญาณ AC สามารถใช้หม้อแปลงสัญญาณขนาดเล็กได้ ในขณะที่สัญญาณ DC มักจะใช้ออปโตคัปเปลอร์เป็นตัวแยกสัญญาณ
การแยกตัวเกิดขึ้นจากการสร้างฉนวนไฟฟ้าระหว่างตัวนำไฟฟ้า ไม่ว่าจะด้วยอากาศ หรือบ่อยครั้งกว่านั้นด้วยเทปหรือวัสดุที่ไม่นำไฟฟ้าอื่นๆ โดยทั่วไปจะแสดงเป็นแรงดันไฟฟ้า และการใช้แรงดันไฟฟ้าที่สูงกว่าระดับนี้อาจทำให้ฉนวนไฟฟ้าเสียหายได้
ข้อได้เปรียบที่สำคัญที่สุดของการแยกส่วนอาจเป็นเรื่องความปลอดภัย โดยเฉพาะอย่างยิ่งในอุปกรณ์ที่ใช้ไฟหลัก แผงกั้นแยกส่วนนี้ช่วยป้องกันแรงดันไฟฟ้าหลักที่เป็นอันตรายไม่ให้ไหลเข้าเอาต์พุต ซึ่งอาจสัมผัสได้ ซึ่งมีความสำคัญอย่างยิ่งในการใช้งานทางการแพทย์ เช่น ผู้ป่วยอาจเชื่อมต่อกับวงจรไฟฟ้าโดยตรง
ระดับการแยกตัวหลักๆ มี 4 ระดับ
ในหลาย ๆ การใช้งาน สัญญาณรบกวนอาจเป็นปัญหาได้ และเนื่องจากแหล่งจ่ายไฟแยกไม่ได้ใช้กราวด์ร่วมกัน จึงสามารถใส่เข้าไปในวงจรเพื่อกำจัดกราวด์ลูปได้ วิธีนี้มีประโยชน์ในการแยกรางอนาล็อกที่ไวต่อสัญญาณรบกวนออกจากรางดิจิทัลที่มีสัญญาณรบกวน
โดยทั่วไปแล้ว ตัวแปลงแบบไม่แยกจะมีความยืดหยุ่นในการใช้งานน้อยกว่าตัวแปลงแบบแยก อย่างไรก็ตาม ตัวแปลงเหล่านี้มีข้อดีหลายประการสำหรับนักออกแบบที่ไม่จำเป็นต้องแยก
ข้อแตกต่างหลักคือตัวแปลงแบบไม่แยกส่วนไม่มีหม้อแปลงไฟฟ้าและไม่จำเป็นต้องแยกทางกายภาพระหว่างอินพุตและเอาต์พุต ซึ่งทำให้ตัวแปลงมีขนาดเล็กลงและน้ำหนักเบาลง นอกจากนี้ยังช่วยเพิ่มประสิทธิภาพเนื่องจากไม่มีการสูญเสียพลังงานจากหม้อแปลงไฟฟ้าที่ต้องนำมาพิจารณา
การออกแบบตัวแปลงแบบไม่แยกสัญญาณมีแนวโน้มที่จะง่ายกว่า เนื่องจากไม่จำเป็นต้องมีการแยกสัญญาณในสัญญาณใดๆ ที่ข้ามขอบเขตการแยกสัญญาณ จึงไม่จำเป็นต้องใช้ออปโตไอโซเลเตอร์และ/หรือหม้อแปลงสัญญาณ การลด BOM นี้หมายความว่าตัวแปลงแบบไม่แยกสัญญาณมักจะมีต้นทุนต่ำกว่า
ในระบบที่ซับซ้อนมากขึ้นซึ่งต้องใช้รางจ่ายไฟหลายตัว จะใช้ตัวแปลงหลายตัวเพื่อแปลงแรงดันไฟฟ้าขาเข้าเดียวให้เป็นแรงดันไฟฟ้าทั้งหมดที่ระบบต้องการ หากจำเป็นต้องมีการแยกวงจร ตัวแปลงทั้งหมดก็ไม่จำเป็นต้องแยกวงจร มักใช้ตัวแปลงแบบ "จำนวนมาก" เพื่อลดแรงดันไฟฟ้าขาเข้าลงให้อยู่ในระดับที่ต่ำกว่าก่อนการแปลงเพิ่มเติม
รางแรงดันกลางเรียกว่า 'บัสกลาง' และตัวแปลงจำนวนมากมักเรียกว่า 'ตัวแปลงบัสกลาง' (IBC) ซึ่งพบได้ทั่วไปในระบบโทรคมนาคม โดยจะแปลงแรงดันแบตเตอรี่ 48/53 โวลต์ ให้เป็น 12 โวลต์ ก่อนที่ตัวแปลงที่ไม่ได้แยกตัวจะผลิตแรงดันไฟฟ้าที่จำเป็นสำหรับโหลดต่างๆ เนื่องจากตัวแปลงเหล่านี้ติดตั้งอยู่ใกล้กับโหลดที่ป้อน จึงมักเรียกว่าตัวแปลง 'จุดโหลด' (PoL)
ด้วยแนวโน้มล่าสุดในแอปพลิเคชันประสิทธิภาพสูง เช่น การประมวลผล ศูนย์ข้อมูล และปัญญาประดิษฐ์ (AI) ที่จะเปลี่ยนแรงดันไฟฟ้าจาก 12 V เป็น 48 V โดยมีจุดประสงค์หลักเพื่อลดกระแสไฟและการสูญเสียที่เกี่ยวข้อง แนวทางบัสกลางจึงกลายเป็นตัวเลือกยอดนิยมที่นั่นเช่นกัน
อย่างไรก็ตาม เนื่องจากการใช้งานประเภทนี้ใช้พลังงานจากแหล่งจ่ายไฟแบบสวิตช์โหมด AC/DC (SMPS) จึงมักไม่จำเป็นต้องมีการแยกส่วนเพื่อความปลอดภัยภายใน IBC เนื่องจาก SMPS (หากระบุไว้อย่างถูกต้อง) มีการแยกส่วนเพื่อความปลอดภัยที่ระบบต้องการ ซึ่งหมายความว่าวิศวกรที่ออกแบบระบบเหล่านี้สามารถใช้ประโยชน์จาก IBC แบบแยกส่วนชนิดใหม่ที่มีข้อดีคือขนาดที่เล็กลง ความหนาแน่นของพลังงานที่สูงขึ้น ประสิทธิภาพที่สูงขึ้น และต้นทุนที่ต่ำลง
การแยกเป็นคุณลักษณะที่มีประโยชน์อย่างมากในโซลูชันพลังงาน เนื่องจากช่วยให้การทำงานปลอดภัย ลดเสียงรบกวน/ลูปกราวด์ และให้ความยืดหยุ่นในการกำหนดค่ารางแรงดันไฟฟ้าซึ่งกันและกัน
อย่างไรก็ตาม ในกรณีที่สามารถใช้ตัวแปลงแบบไม่แยกได้ นักออกแบบจะสามารถใช้ประโยชน์จากขนาดที่เล็กลง ความหนาแน่นของพลังงานที่สูงขึ้น ประสิทธิภาพที่ดีขึ้น และต้นทุนที่ต่ำลงได้