
ค้นพบตัวต้านทานแบบทริมเมอร์! เรียนรู้ว่าชิ้นส่วนเล็กๆ เหล่านี้ช่วยปรับความต้านทานให้แม่นยำเพื่อประสิทธิภาพทางอิเล็กทรอนิกส์ที่สมบูรณ์แบบได้อย่างไร
ตัวต้านทานแบบทริมเมอร์ หรือที่เรียกอีกอย่างว่า ทริมพอต หรือตัวต้านทานปรับค่าได้ ซึ่งช่วยให้คุณปรับแต่งค่าความต้านทานในวงจรได้ด้วยตนเอง ตัวต้านทานชนิดนี้มักใช้ในการสอบเทียบในแอปพลิเคชันต่างๆ เช่น เครื่องขยายเสียงและวิทยุ เพื่อให้แน่ใจว่าเอาต์พุตของวงจรใกล้เคียงกับระดับที่เหมาะสมที่สุด ในบทความนี้ เราจะพูดถึงทุกสิ่งที่คุณจำเป็นต้องรู้เกี่ยวกับส่วนประกอบเล็กๆ ที่น่าทึ่งอย่างตัว ต้านทานแบบทริมเมอร์ รวมถึงหลักการทำงาน วิธีการผลิต และวิธีการใช้งานในโปรเจกต์ของคุณเอง
ตัวต้านทานแบบทริมเมอร์คือ ตัวต้านทาน ที่สามารถปรับหรือ "ปรับแต่ง" ให้ได้ค่าความต้านทานที่แน่นอนโดยการหมุนสกรู ตัวต้านทานประเภทนี้มักใช้ในวงจรไฟฟ้าเพราะสามารถปรับประสิทธิภาพของวงจรได้ การปรับทำได้โดยใช้เครื่องมือ เช่น ไขควง เพื่อหมุนปุ่มหรือปุ่มควบคุมบนอุปกรณ์ ด้านล่างคือสัญลักษณ์ตัวต้านทานแบบทริมเมอร์

โดยทั่วไปแล้ว เครื่องตัดเล็มจะผลิตเป็นชิ้นส่วนแบบหมุนรอบเดียวหรือหลายรอบ และสามารถปรับได้จากด้านบนหรือด้านข้าง เครื่องตัดเล็มแบบหลายรอบสามารถใช้งานร่วมกับอุปกรณ์ทดสอบอัตโนมัติ (ATE) ได้ และยังมีคุณสมบัติป้องกันการหมุนที่ป้องกันไม่ให้เกิดการเปลี่ยนแปลงการปรับโดยไม่ตั้งใจอีกด้วย
ตัวต้านทานแบบทริมเมอร์มักใช้ในแอปพลิเคชันที่ต้องมีการปรับเปลี่ยนระหว่างการผลิต หรือที่ต้องชดเชยผลของความคลาดเคลื่อนในการผลิตระหว่างอายุการใช้งานของผลิตภัณฑ์
ตัวต้านทานนี้ประกอบด้วยขั้วสามขั้ว โดยแต่ละขั้วและฟังก์ชันของขั้วนั้นๆ จะมีการอธิบายในโครงร่างพินเอาต์ต่อไปนี้

คุณลักษณะ และข้อมูลจำเพาะของตัวต้านทานทริมเมอร์ จะกล่าวถึงด้านล่าง
ตัวหลักของตัวต้านทานประกอบด้วยแถบวัสดุนำไฟฟ้าที่เคลื่อนที่เมื่อหมุน การเคลื่อนไหวนี้จะเปลี่ยนแปลงความต้านทานของตัวต้านทานโดยการเพิ่มหรือลดปริมาณการสัมผัสระหว่างตัวนำและพื้นผิวที่ตัวต้านทานวางอยู่ ความต้านทานที่เปลี่ยนแปลงนี้สามารถนำไปใช้ควบคุมสัญญาณไฟฟ้าหรือส่วนประกอบภายในวงจรได้

ตัวต้านทานประกอบด้วยส่วนหลัก 3 ส่วน:
เทอร์มินัลแบบคงที่
ขั้วต่อนี้มักจะยึดอยู่กับที่และไม่ขยับเมื่อปรับตัวต้านทาน ขั้วต่อนี้เชื่อมต่อกับส่วนภายนอกของวงจรที่จ่ายไฟหรือสัญญาณไฟฟ้า
เทอร์มินัลการเคลื่อนย้าย
ขั้วต่อนี้ติดอยู่กับแกนปรับที่สามารถหมุนเพื่อปรับละเอียดได้ นอกจากนี้ยังเชื่อมต่อกับส่วนภายนอกของวงจรที่รับพลังงานหรือสัญญาณจากส่วนประกอบอื่นในวงจรอีกด้วย
องค์ประกอบต้านทาน
องค์ประกอบนี้ติดตั้งอยู่ภายในตัวต้านทานและเชื่อมต่อขั้วทั้งสองเข้าด้วยกัน ทำหน้าที่ให้ความต้านทานระหว่างขั้วทั้งสอง และสามารถปรับได้โดยการหมุนขั้วที่เคลื่อนที่
โดยทั่วไปแล้วอุปกรณ์เหล่านี้จะมีขนาดเล็กและมีค่าความต้านทานสูง ส่วนใหญ่เป็นอุปกรณ์แบบติดตั้งบนพื้นผิว แม้ว่าบางรุ่นยังคงมีแบบรูทะลุอยู่ก็ตาม อุปกรณ์เหล่านี้อาจปิดผนึกเพื่อใช้งานในสภาพแวดล้อมที่รุนแรง หรือปิดด้วยฝาครอบป้องกันเพื่อป้องกันการปรับแต่งที่ไม่พึงประสงค์
ตัวต้านทานทริมเมอร์มีอยู่หลายประเภท โดยแต่ละประเภทจะมีขนาด ค่าความต้านทาน กำลังไฟ และความสามารถในการปิดผนึกสิ่งแวดล้อมที่แตกต่างกัน
ตัวต้านทานทริมเมอร์ประเภทที่พบมากที่สุดมีดังนี้:
ตัวต้านทานทริมเมอร์แบบรอบเดียว
ตัวต้านทานชนิดนี้มีสกรูที่หมุนได้ประมาณ 300 องศาในแต่ละทิศทางเพื่อปรับค่าความต้านทาน ตัวต้านทานชนิดนี้มีช่วงความต้านทานตั้งแต่ 10Ω ถึง 1MΩ และสามารถปรับค่าได้ละเอียดถึง 0.01Ω ตัวต้านทานชนิดนี้สามารถรองรับกำลังไฟฟ้าได้สูงสุด 1 วัตต์

ตัวต้านทานทริมเมอร์แบบหลายรอบ
เครื่องตัดหญ้าเหล่านี้ทำงานคล้ายกับเครื่องตัดหญ้าแบบหมุนรอบเดียว แต่จะมีการหมุนหลายรอบ ซึ่งปกติจะอยู่ที่ห้ารอบ เพื่อให้สามารถปรับช่วงได้กว้างขึ้น (50Ω-1MΩ) นอกจากนี้ยังสามารถปรับได้ละเอียดถึง 0.01Ω แต่รองรับกำลังไฟได้เพียง 0.25 วัตต์ ทำให้มีกำลังน้อยกว่าเครื่องตัดหญ้าแบบหมุนรอบเดียว

เครื่องตัดหญ้าแบบติดพื้นผิว
ตัวต้านทานแบบติดผิว (Surface Mount Type) คือโพเทนชิโอมิเตอร์แบบปรับค่า (Trimming Potentiometer) ชนิดหนึ่งที่ออกแบบมาเป็นพิเศษสำหรับการติดตั้งบนพื้นผิวบนแผงวงจรพิมพ์ ตัวต้านทานชนิดนี้ใช้ในงานที่ต้องปรับแรงดันไฟฟ้าหรือกระแสไฟฟ้า และด้วยขนาดที่เล็กจึงเหมาะสำหรับอุปกรณ์ไฟฟ้าขนาดเล็ก เช่น โทรศัพท์มือถือ

โดยทั่วไปตัวต้านทานเหล่านี้มีขาสามขา ซึ่งเชื่อมต่อกับขั้วสามขั้วของตัวต้านทานแบบปรับได้ นอกจากขาสามขานี้แล้ว ยังมีขาอีกสามขาบนตัวต้านทานที่สามารถเชื่อมต่อกับวงจรได้ ซึ่งทำให้มีหกวิธีในการเชื่อมต่อตัวต้านทาน แต่มีเพียงวิธีเดียวเท่านั้นที่จะให้ค่าความต้านทานที่ถูกต้อง
หลักการทำงานของตัวต้านทานทริมเมอร์
หลักการทำงานของตัวต้านทานนี้ง่ายมาก ตัวตัวต้านทานเป็นฟิล์มบางที่เคลือบอยู่บนฉนวน หากปลายสัมผัสของฟิล์มบางถูกกดทับกับขาเชื่อมต่อภายนอก กระแสไฟฟ้าสามารถไหลผ่านได้ แต่หากไม่ถูกกดทับ กระแสไฟฟ้าจะไม่สามารถไหลผ่านได้
ตัวต้านทานทริมเมอร์ใช้ยังไง?
ตัวต้านทานแบบทริมเมอร์มักใช้เมื่อไม่ทราบค่าความต้านทานที่แน่นอนของส่วนประกอบ หรือไม่สามารถระบุค่าความต้านทานที่แน่นอนได้ก่อนที่จะประกอบวงจรและเปิดเครื่อง ตัวอย่างเช่น หากคุณเพิ่มเครื่องขยายเสียงลงในวงจร คุณอาจต้องปรับค่าความต้านทานของตัวต้านทานเพื่อกำจัดเสียงรบกวนหรือสัญญาณรบกวน
โดยทั่วไปแล้ว ตัวต้านทานชนิดนี้เป็นตัวต้านทานแบบปรับค่าได้ และมีอยู่ในรูปแบบโพเทนชิโอมิเตอร์ (pot) ที่เรียกว่า ทริมพอต ส่วนประกอบนี้ประกอบด้วยขั้วสามขั้ว แต่สามารถใช้เป็นตัวต้านทานแบบสองขั้วได้โดยการต่อไวเปอร์เข้ากับขั้วที่เหลือขั้วหนึ่ง หรือมิฉะนั้นก็ใช้เพียงสองขั้วเท่านั้น
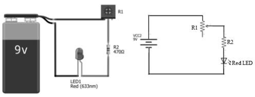
แผนภาพวงจร LED แบบง่ายของตัวต้านทานแบบทริมเมอร์หรือตัวต้านทานปรับค่าได้แสดงไว้ด้านล่าง เมื่อมีเพียงสองขั้ว ตัวต้านทานนี้จะทำหน้าที่เป็นขาปัดน้ำฝนและขาด้านนอก จากนั้นจะทำหน้าที่เป็นรีโอสตัท หรือตัวต้านทานปรับค่าได้แบบสองขั้ว ดังนั้น ในวงจรนี้จึงจำเป็นต้องใช้ โพเทนชิออมิเตอร์ เพื่อเปลี่ยนค่าความต้านทานแทนที่จะใช้ตัวแบ่งแรงดัน ดังนั้นในวงจรนี้จึงใช้ตัวต้านทานแบบทริมเมอร์เป็นตัวต้านทานปรับค่าได้แบบสองขั้ว

ส่วนประกอบอิเล็กทรอนิกส์ที่จำเป็น ของวงจรนี้ประกอบด้วยแบตเตอรี่ ตัวต้านทานปรับค่าได้ ตัวต้านทานสำรอง และหลอด LED การเชื่อมต่อวงจรสามารถทำได้ดังต่อไปนี้โดยใช้ส่วนประกอบเหล่านี้
ในวงจรข้างต้น เมื่อเราหมุนโพเทนชิออมิเตอร์จนมีค่าความต้านทานลดลง กระแสไฟฟ้าสูงสุดจะถูกจ่ายไปยัง LED ดังนั้น ตัวต้านทานเสริมหรือตัวต้านทานสำรองจึงถูกต่ออนุกรมกับโพเทนชิออมิเตอร์เพื่อควบคุมการไหลของกระแสไปยัง LED โดยทั่วไป โพเทนชิออมิเตอร์จะมีค่าความต้านทานตั้งแต่ 0Ω ไปจนถึงค่าสูงสุด
ตัวอย่างเช่น ไฟ LED สีแดงที่มีแบตเตอรี่ 9V และ Vf = 2V และแบตเตอรี่ 9V หากตั้งค่าทริมเมอร์ไว้ที่ 50 โอห์ม กระแส I = 7V/50Ω = 140mA ซึ่งสูงกว่าเกณฑ์ 20 ถึง 30mA ของไดโอดเปล่งแสงมาก เช่นเดียวกัน หากตั้งค่าโพเทนชิออมิเตอร์ไว้ที่ 0 โอห์ม และไม่ได้ใช้ตัวต้านทานสำรอง ไฟ LED จะดับ
ข้อดี ของตัวต้านทานทริมเมอร์ มีดังต่อไปนี้
ข้อ เสียของตัวต้านทานทริมเมอร์ มีดังต่อไปนี้
การประยุกต์ใช้ตัวต้านทานทริมเมอร์มีดังต่อไปนี้
ดังนั้น นี่คือ ภาพรวมของตัวต้านทานแบบทริมเมอร์บางครั้งตัวต้านทานเหล่านี้อาจเรียกว่า โพเทนชิโอมิเตอร์แบบทริมเมอร์ ทริมพอต หรือโพเทนชิโอมิเตอร์แบบปรับได้ หรือตัวต้านทานแบบปรับค่าได้ โดยทั่วไปแล้ว จะใช้สกรูขนาดเล็กบนตัวต้านทานเพื่อปรับค่าความต้านทาน ส่วนประกอบเหล่านี้เป็นอุปกรณ์ปรับเทียบ ดังนั้นช่วงความต้านทานจึงมักจะแคบมาก และสามารถปรับค่าได้อย่างแม่นยำมากในระหว่างการปรับค่า