สร้างเครื่องกําเนิดคลื่นไซน์แบบกําหนดเองเพื่อขับเคลื่อนโครงการอิเล็กทรอนิกส์ครั้งต่อไปของคุณ
คลื่นไซน์ไม่ควรมีฮาร์โมนิกเลย และมักใช้ในเครื่องกําเนิดสัญญาณที่ใช้ในการทดสอบแอมพลิฟายเออร์และตัวกรอง และวงจรความถี่วิทยุ (RF) เพื่อให้สัญญาณพาหะสําหรับเครื่องรับและเครื่องส่งสัญญาณความบริสุทธิ์และความเสถียรของสเปกตรัมเป็นสิ่งสําคัญยิ่งแม้ว่าจะมีหลายวิธีในการสร้างคลื่นไซน์ เช่น แหล่งสัญญาณดิจิทัล เช่น Arduino สําหรับบทช่วยสอนนี้ เราจะดูวิธีทั่วไปอีกสามวิธีในการทํา
Max Wien คิดค้นออสซิลเลเตอร์บริดจ์ Wien ในปี พ.ศ. 2434 ในปี พ.ศ. 2482 ภายใต้การแนะนําของ Frederick Terman นักศึกษาสองคนที่มหาวิทยาลัยสแตนฟอร์ด ฮิวเล็ตต์และแพ็คการ์ด ได้พัฒนาเครื่องกําเนิดสัญญาณเสียงที่ใช้งานได้ในโรงรถโดยใช้สะพาน Wien และตัวกันโคลงของหลอดไฟนี่เป็นผลิตภัณฑ์แรกของพวกเขาและเป็นจุดเริ่มต้นของ บริษัท Hewlett Packard!
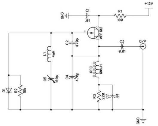
วงจรด้านล่างมีการออกแบบเหมือนกันมาก ยกเว้นว่าใช้ op-amp แทนหลอด (วาล์ว)ยังคงใช้วิธีควบคุมแอมพลิจูดของหลอดไฟที่เหมาะสมมาก
วงจรบริดจ์คือ C1 R4a และ C3 R4b R4 เป็นโพเทนชิออมิเตอร์แบบสองแก๊งและควบคุมความถี่ซึ่งก็คือ 1/2πRC สมมติว่า R4 เป็นศูนย์กลาง เช่น 2k นี่จะเป็น 1/(2*π* 5k * 0.01u) = 3kHz หลอดไฟเป็นหลอดไส้ขนาดเล็ก 12V เมื่อไส้หลอดร้อนขึ้น ความต้านทานของมันจะเพิ่มขึ้น ลดกระแสไฟฟ้าที่ไหลผ่าน ลดอัตราขยายและแอมพลิจูดที่เอาต์พุต ดังนั้นคุณจึงมีการควบคุมแอมพลิจูดป้อนกลับเชิงลบที่มีประสิทธิภาพมากแนวคิดคือการปรับ R2 เพื่อให้วงจรเข้าสู่การสั่นเท่านั้นสิ่งนี้ให้เอาต์พุตที่เล็กลง แต่ประสิทธิภาพการบิดเบือนต่ําที่ดีที่สุด
C1 R4a เป็นตัวกรองแบบอนุกรมหรือความถี่สูง และ C3 R4b เป็นตัวกรองความถี่ต่ําแบบขนานเมื่อเหมือนกัน ณ จุดใดจุดหนึ่ง ข้อเสนอแนะเชิงบวกจากเอาต์พุตไปยังอินพุตแบบไม่กลับด้านจะทําให้แอมป์แกว่งที่อัตราขยายที่กําหนดโดย 1+ R2/Rlamp
ดังที่คุณเห็นจากจอแสดงผลฟูริเยร์ในภาพออสซิลโลสโคปด้านล่างฮาร์มอนิกที่แย่ที่สุดคือ 58dB ลงนี่คือประมาณ 0.13% THD หากคุณต้องติดตามวงจรนี้ด้วยตัวกรองความถี่ต่ําที่ตั้งค่าให้ตัดหลังจากความถี่ที่ตั้งไว้คุณสามารถเคาะได้อีก 30dB ทําให้ต่ํากว่า 0.01% โดยสมมติว่าตัวกรองไม่ได้เพิ่มการบิดเบือนมากเกินไป
หากออสซิลเลเตอร์สะอาดมาก แอมพลิจูดคงที่ และสามารถปรับช่วงความถี่ 10:1 ได้ และด้วยช่วงแคปที่เลือกได้ ก็จะเป็นออสซิลเลเตอร์ทดสอบที่ดีแต่โพเทนชิออมิเตอร์ที่มีค่ามากกว่าจะดีกว่า—ฉันมีเพียง 50k วางอยู่รอบๆโปรดทราบว่าโพเทนชิออมิเตอร์ควรเป็นแบบเชิงเส้นและไม่ใช่ลอการิทึม

.

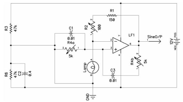
อีกวิธีที่สะดวกมากในการสร้างคลื่นไซน์ที่ดีด้วยอัตราส่วนการปรับจูน 10:1 คือเครื่องกําเนิดไฟฟ้าเสาหิน XR2206 ชิปนี้ให้โบนัสเอาต์พุตคลื่นสี่เหลี่ยมที่คุณสามารถใช้เพื่อขับเคลื่อนการแสดงความถี่การปรับ R5 และ R7 จะตั้งค่า THD ให้ต่ํากว่า 1%นอกจากนี้ การเปิดสวิตช์บนพิน 13 จะเปลี่ยนคลื่นไซน์เป็นรูปคลื่นสามเหลี่ยมที่ค่อนข้างดี
ออสซิลเลเตอร์นี้จะทํางานได้อย่างง่ายดายตั้งแต่ 10Hz ถึง 100kHz ทําให้เป็นเครื่องกําเนิดสัญญาณเสียงแบบตั้งโต๊ะที่ดีมากหรือเครื่องกําเนิดฟังก์ชันที่เต็มเปี่ยมการรวมเครื่องกําเนิดฟังก์ชันสองตัวนี้เข้าด้วยกันและปรับเครื่องหนึ่งกับอีกเครื่องหนึ่งสามารถสังเคราะห์เสียงเตือนภัยหรือไซเรนของตํารวจ / รถพยาบาลได้
เครื่องกําเนิดคลื่นไซน์สี่เหลี่ยมจัตุรัสและสามเหลี่ยม XR2206

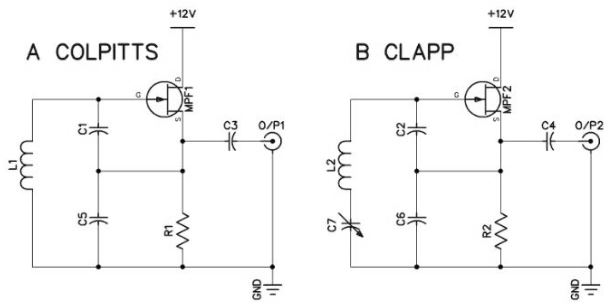
หากคุณต้องการมีคลื่นไซน์ที่ความถี่สูงกว่าที่เราจะได้จากสะพาน Wien และ XR2206 คุณต้องเลือกใช้ออสซิลเลเตอร์ประเภท RF (ความถี่วิทยุ)สองประเภทที่แพร่หลายคือ Colpitts และ Clapp ซึ่งทั้งสองประเภทใช้ตัวเก็บประจุแบบแตะทั้งสองเป็นตัวเลือกที่ยอดเยี่ยมรูปแบบเล็กน้อยของ Colpitts เปลี่ยนเป็นออสซิลเลเตอร์ Clapp
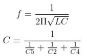
แผนภาพ A แสดงโคลพิตต์พื้นฐานโปรดทราบว่า C1 และ C5 เป็นอนุกรม/ขนานกับ L1 และสร้างวงจรเรโซแนนซ์ใน Clapp ที่แสดงในแผนภาพ B ค่าของ C7 มีขนาดเล็กกว่า C2 และ C6 มาก และมีผลต่อการปรับจูนมากกว่ามากหาก C7 มีขนาดเล็กกว่ามาก ความถี่ f ส่วนใหญ่จะขึ้นอยู่กับ C7 เพียงอย่างเดียวและมีเสถียรภาพมากกว่าและปรับในช่วงที่ดีกว่านี่คือเหตุผลที่วงจร Clapp มักเป็นตัวเลือกยอดนิยมสําหรับ VFO วิทยุ (ออสซิลเลเตอร์ความถี่ตัวแปร)

ที่แสดงด้านล่างคือ Clapp VFO ที่ใช้งานได้ และมีส่วนเพิ่มเติมที่น่าสนใจบางอย่างในวงจรพื้นฐาน C1 R1 ให้การแยกส่วนออกจากแหล่งจ่าย RFC คือลวดแม่เหล็กประมาณ 10 รอบบนวงแหวนเฟอร์ไรต์ ทําให้แหล่งกําเนิดมีอิมพีแดนซ์สูงขึ้น และ R3 ให้อคติกับ FETC2 และ C4 เป็นตัวป้อนกลับหลัก และ C5 เป็นตัวเก็บประจุแบบปรับจูนแบบแปรผัน D1 R2 ช่วยลดแอมพลิจูด ทําให้คลื่นไซน์ดีขึ้น

ด้านล่างนี้คือรูปคลื่น Clapp ของวงจรด้านบน ซึ่งเป็นคลื่นไซน์ที่ดีถัดจากนั้นคือจอแสดงผลฟูริเยร์ที่แสดงฮาร์มอนิกที่สองซึ่งลดลงเกือบ 40dB (ประมาณ 1% THD)
