
สำรวจการมอดูเลตเดลต้า-ซิกม่า เทคนิคอันชาญฉลาดที่สร้างดิจิทัลความละเอียดสูงจากอนาล็อก และในทางกลับกัน
การมอดูเลตเดลต้า-ซิกม่า (ΔΣ) เป็นเทคนิคการโอเวอร์แซมปลิงแบบวงปิดที่ประกอบด้วย ADC 1 บิต อินทิเกรเตอร์ข้อผิดพลาด และ DAC 1 บิต เทคนิคการโอเวอร์แซมปลิงนี้ได้รับการออกแบบมาเพื่อสุ่มตัวอย่างสัญญาณอินพุตที่เปลี่ยนแปลงช้าๆ หลายครั้ง ซึ่งเป็นกระบวนการที่เรียกว่าการโอเวอร์แซมปลิง การตั้งค่านี้จะตรวจสอบสัญญาณอินพุตอย่างต่อเนื่องเพื่อให้แน่ใจว่าเอาต์พุตเฉลี่ยตามเวลาของ DAC จะสร้างสัญญาณอินพุตได้อย่างแม่นยำ เนื่องจากการควบคุมวงปิด จึงป้องกันสัญญาณรบกวนจากการควอนไทซ์ในแบนด์สัญญาณ (ความถี่ต่ำ) และเพิ่มสัญญาณรบกวนจากการควอนไทซ์ความถี่สูง การเพิ่มขึ้นของสัญญาณรบกวนความถี่สูงสามารถกรองออกได้ด้วยตัวกรองดิจิทัล

รูปที่: สถาปัตยกรรมของ ADC ที่ใช้การมอดูเลตแบบเดลต้า-ซิกม่าโดยมีฟิลเตอร์ป้องกันการเกิดรอยหยักและฟิลเตอร์การลดทอน
ในบริบทนี้ “Δ” แสดงถึงความแตกต่างระหว่างสัญญาณอินพุตแอนะล็อกและเอาต์พุต DAC ซึ่งมักเรียกกันว่าข้อผิดพลาด (e[n]) ในขณะเดียวกัน “Σ” แสดงถึงการสะสมของข้อผิดพลาดนี้เมื่อเวลาผ่านไป ข้อผิดพลาดเหล่านี้มักพบในแอปพลิเคชันความละเอียดสูงและบิตเรตปานกลางถึงต่ำ เช่น เสียงดิจิทัลคุณภาพสูงและการประมวลผลเบสแบนด์ในระบบไร้สาย การมอดูเลตเดลตา-ซิกม่าบางครั้งยังเรียกว่าการมอดูเลตซิกม่า-เดลต้า
หากสุ่มสัญญาณที่ความถี่สูงกว่าอัตรา Nyquist (2fm) อย่างมีนัยสำคัญ ก็จะสามารถลดเสียงรบกวนจากการควอนไทเซชันได้ และปรับปรุงช่วงไดนามิกให้ดีขึ้น การปรับปรุงช่วงไดนามิกนี้ช่วยให้เราตรวจจับสัญญาณที่อ่อนกว่าในสเปกตรัมได้ ให้เรากำหนดอัตราการสุ่มตัวอย่างเกินเป็นอัตราส่วนของอัตราการสุ่มตัวอย่าง (fs) ต่ออัตรา Nyquist (2fm) ดังนี้
OSR = fs2fm
อัตราส่วนสัญญาณต่อสัญญาณรบกวนสำหรับ ADC แบบโอเวอร์แซมปลิงสามารถเขียนใหม่ได้ดังนี้:
SQNR = 6,02N+1,76+10log10(โอเอสอาร์)
ตัวควอนไทเซอร์ 8 บิตที่มี OSR = 1 มี SQNR เท่ากับ 49.92 dB โดยที่ OSR = 10 SQNR จะเท่ากับ 59.92 dB ซึ่งดีกว่าตัวควอนไทเซอร์ที่มี OSR = 1 ถึง 10 dB ซึ่งช่วยปรับปรุงจำนวนบิตที่มีประสิทธิภาพ (ENOB)
ENOB=59,92−1,766,02=9,66บิต
ENOB มีขนาด 9.66 บิต ซึ่งดีกว่า ADC 8 บิตที่มี OSR = 1 ถึง 1.66 บิต เราสามารถเพิ่ม OSR เพิ่มเติมเพื่อให้ได้ ENOB มากขึ้น อย่างไรก็ตาม การทำเช่นนี้จะกดดัน ADC 8 บิต เนื่องจากจะต้องสุ่มตัวอย่างที่เร็วกว่า
โดยทั่วไป ADC 1 บิตจะใช้ในการมอดูเลตเดลต้า-ซิกม่า เนื่องจากสร้างง่าย เป็นเชิงเส้น และสามารถให้อัตราการสุ่มตัวอย่างสูงได้ (เร็วกว่า ADC 8 บิตมาก) ADC 1 บิตมี SQNR ที่ 6 dB หากต้องการให้ SQNR ที่มีประสิทธิภาพอยู่ที่ 100 dB OSR จะต้องเป็นดังนี้:
OSR=10(100−6.0210)=2.5×109
OSR กำลังสูงขึ้นมาก นั่นหมายความว่าหากต้องการสุ่มตัวอย่างสัญญาณที่ความถี่ 1kHz ความถี่ในการสุ่มตัวอย่างจะต้องเป็น 5,000 GHz! นั่นหมายความว่าหากต้องการรับช่วงไดนามิกสูง เราไม่สามารถใช้การสุ่มตัวอย่างแบบโอเวอร์แซมปลิงได้

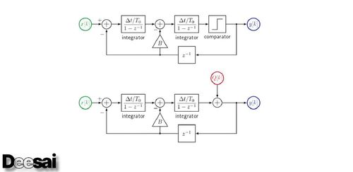
รูปที่: แบบจำลองสัญญาณรบกวนควอนตัมของมอดูเลเตอร์เดลต้า-ซิกม่า
ด้วยการควบคุมแบบวงปิด เสียงรบกวนจากการวัดเชิงปริมาณจะลดลงอย่างมากในช่วงความถี่ที่สนใจ ด้วยการควบคุมแบบวงปิด ฟังก์ชันการถ่ายโอนสัญญาณ (y[n]/x[n]) สามารถเขียนได้ดังนี้:
STF(z)=H(z)1+H(z)
และฟังก์ชั่นการถ่ายโอนสัญญาณรบกวน (y[n]/q[n]) สามารถเขียนได้ดังนี้:
NTF(z)=11+H(z)
เพื่อให้เข้าใจง่าย ก็สมเหตุสมผลที่จะถือว่า H(z) มีอัตราขยายสูงมากที่ความถี่ต่ำและมีอัตราขยายเป็นศูนย์ที่ความถี่สูง ดังนั้น ที่ความถี่ต่ำ ฟังก์ชันการถ่ายโอนสัญญาณจะมีค่าเท่ากับ 1 นั่นคือ สัญญาณทั้งหมดจะไหลไปที่เอาต์พุตโดยไม่มีการลดทอนใดๆ ที่ความถี่สูง ไม่มีสัญญาณใดไปถึงเอาต์พุต
ในทางกลับกัน ค่าของฟังก์ชันการถ่ายโอนสัญญาณรบกวนจะใกล้เคียงกับศูนย์ (น้อยมาก) ที่ความถี่ต่ำ ซึ่งหมายความว่าสัญญาณรบกวนจะถูกระงับอย่างมีนัยสำคัญที่ความถี่ต่ำ ที่ความถี่สูง ค่าของ H(z) จะลดลงเหลือศูนย์ ทำให้ NTF เพิ่มขึ้นเป็น 1 ได้
จำนวนอินทิเกรเตอร์ในโมดูเลเตอร์เดลต้า-ซิกม่าจะกำหนดลำดับของโมดูเลเตอร์เดลต้า-ซิกม่า ตัวอย่างเช่น โมดูเลเตอร์อันดับหนึ่งมีอินทิเกรเตอร์เพียงตัวเดียว จำนวนอินทิเกรเตอร์จะกำหนดระดับของการตัดเสียงรบกวนที่ความถี่ต่ำ
SQNR ของมอดูเลเตอร์เดลต้า-ซิกม่าอันดับหนึ่งคือ:
SQNR = 6,02N−3,41+30log10(โอเอสอาร์)
เราจะเห็นได้ว่า SQNR เป็นฟังก์ชันการสุ่มตัวอย่างแบบโอเวอร์แซมปลิง (OSR) ที่แข็งแกร่งยิ่งขึ้น

รูปที่: สเปกตรัมกำลังสัญญาณและกำลังรบกวนเชิงปริมาณในโมดูเลเตอร์เดลต้า-ซิกม่า
SQNR ของมอดูเลเตอร์เดลต้า-ซิกม่าลำดับที่สองคือ:
SQNR = 6,02N−11,14+50log10(โอเอสอาร์)

เมื่อเปรียบเทียบแล้ว เมื่อใช้การสุ่มตัวอย่างแบบโอเวอร์แซมปลิงโดยไม่ปรับแต่งสัญญาณรบกวน อัตราการสุ่มตัวอย่างสำหรับ ADC 1 บิตเพื่อสุ่มตัวอย่างสัญญาณที่ความถี่ 1kHz เพื่อให้ได้ 100dB SQNR คือ 5,000 GHz เมื่อใช้การปรับแต่งสัญญาณรบกวนลำดับแรก อัตราการสุ่มตัวอย่างที่จำเป็นเพื่อให้ได้ 100dB SQNR คือ 3.5 MHz ซึ่งต่ำกว่า 5,000 GHz มาก! เมื่อใช้การปรับแต่งสัญญาณรบกวนลำดับที่สอง อัตราการสุ่มตัวอย่างที่จำเป็นเพื่อให้ได้ 100dB SQNR คือ 253 kHz ซึ่งต่ำกว่า 3.5 MHz เสียด้วยซ้ำ ตัวปรับความถี่ลำดับสูงนั้นยากต่อการทำให้เสถียรกว่า จึงไม่เป็นที่นิยมมากนัก
ตัวกรองทศนิยมมีวัตถุประสงค์สองประการ: